电脑桌面
添加小米粒文库到电脑桌面
安装后可以在桌面快捷访问

沥青检测报告

沥青检测报告_第1页
1/13
沥青检测报告_第2页
2/13
沥青检测报告_第3页
3/13
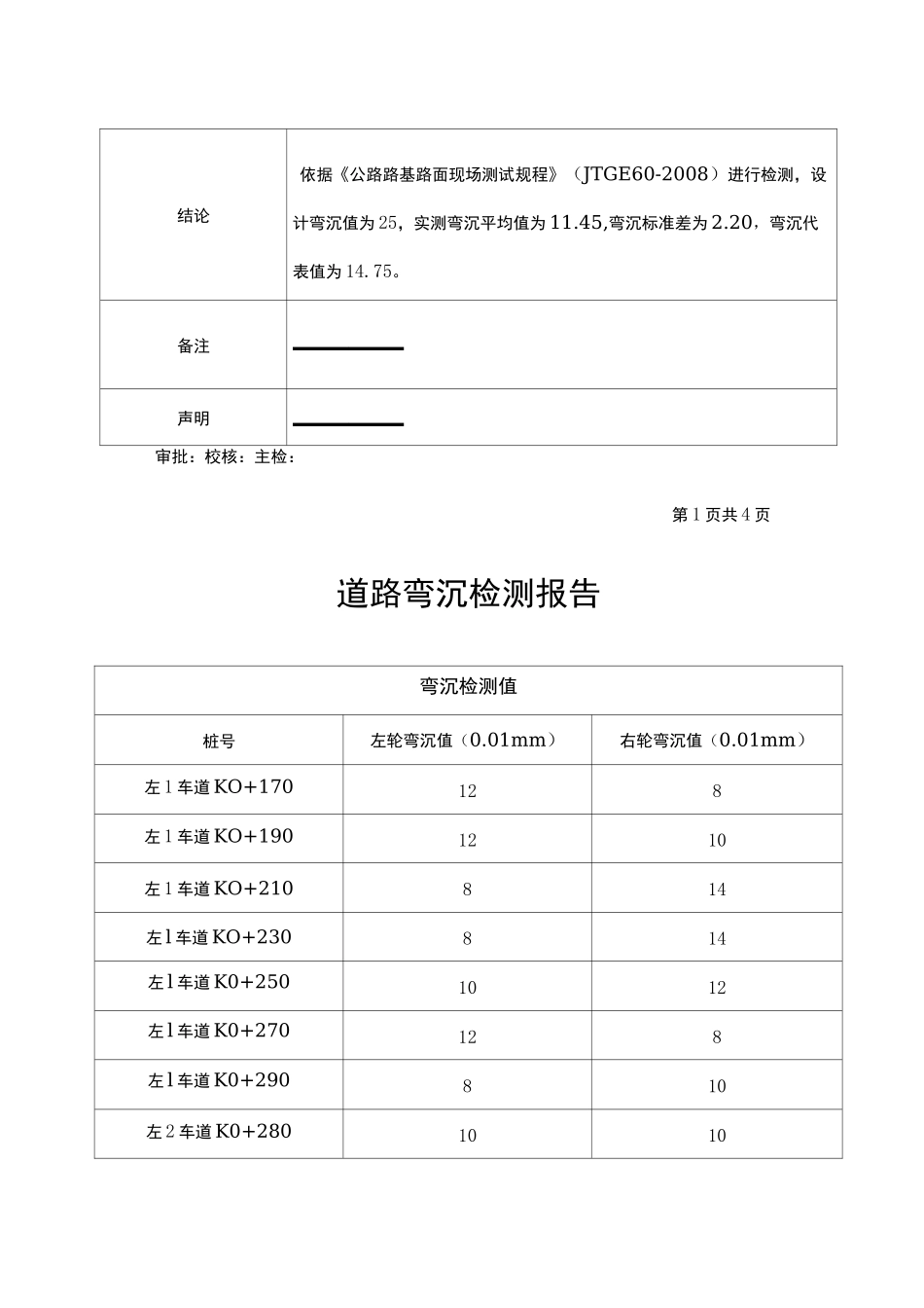
检测报告检测项目:沥青混凝土 AC-20C 目标配合比设计委托单位:四川益鑫公路工程有限公司工程名称:宜宾市翠屏新区一期土地一级整理项目委托日期:2013 年 1 月 24 日检测性质:委托检测报告日期:2013 年 2 月 6 日道路弯沉检测报告委托单位四川益鑫公路工程有限公司委托编号2013-09636工程名称委托日期2013 年 7 月 15 日检测性质委托人刘永兴见证人检测日期2013 年 7 月 15 日依据标准《公路路基路面现场测试规程》(JTGE60-2008)报告日期2013 年 7 月 16 日检测用弯沈仪5.4m道路类别及等级II 级检测用车型东风道路路基类别AC-13 沥青砼层检测车后轴重(kN)100起止桩号C 线 KO+150-KO+300〜K1+000-K1+20O轮胎接地面积(m2)0.7测定时温度(°C)——实测点数132设计弯沉值(0.01mm)25计算点数132计算弯沉平均值(0.01mm)11.45与保证率有关的系数1.5实测弯沉代表值(0.01mm)14.75标准差2.20结论依据《公路路基路面现场测试规程》(JTGE60-2008)进行检测,设计弯沉值为 25,实测弯沉平均值为 11.45,弯沉标准差为 2.20,弯沉代表值为 14.75。备注——声明——审批:校核:主检:第 1 页共 4 页道路弯沉检测报告弯沉检测值桩号左轮弯沉值(0.01mm)右轮弯沉值(0.01mm)左 1 车道 KO+170128左 1 车道 KO+1901210左 1 车道 KO+210814左 l 车道 KO+230814左 l 车道 K0+2501012左 l 车道 K0+270128左 l 车道 K0+290810左 2 车道 K0+2801010左 2 车道 KO+2601212左 2 车道 K0+2401012左 2 车道 K0+2201210左 2 车道 KO+200128左 2 车道 KO+1801012左 2 车道 KO+1601212右 2 车道 KO+1701212右 2 车道 KO+1901014右 2 车道 KO+2101216*右 2 车道 KO+2301414右 2 车道 KO+2501012右 2 车道 KO+2701210右 2 车道 K0+290.1214右 1 车道 K0+2801012右 1 车道 K0+2601012右 1 车道 K0+2401214右 1 车道 K0+220812右 1 车道 KO+200810右 1 车道 KO+1801012右 1 车道 KO+160108右 1 车道 K1+0201010右 1 车道 K1+0401412右 1 车道 K1+060812右 1 车道 K1+0801010审批:校核:主检:第 2 页共 4 页道路弯沉检测报告弯沉检测值桩号左轮弯沉值(0.01mm)右轮弯沉值(0.01mm)右 1 车道 K1+1001210右 1 车道 K1+120810右 1 车道 K1+14088右 1 车道 K1+160108右 1 车道 K1+1801210右 2 车道 K1+1901012右 ...

1、当您付费下载文档后,您只拥有了使用权限,并不意味着购买了版权,文档只能用于自身使用,不得用于其他商业用途(如 [转卖]进行直接盈利或[编辑后售卖]进行间接盈利)。
2、本站所有内容均由合作方或网友上传,本站不对文档的完整性、权威性及其观点立场正确性做任何保证或承诺!文档内容仅供研究参考,付费前请自行鉴别。
3、如文档内容存在违规,或者侵犯商业秘密、侵犯著作权等,请点击“违规举报”。

碎片内容

沥青检测报告

您可能关注的文档

确认删除?
VIP
微信客服
  • 扫码咨询
会员Q群
  • 会员专属群点击这里加入QQ群
客服邮箱
回到顶部