电脑桌面
添加小米粒文库到电脑桌面
安装后可以在桌面快捷访问

欧姆定律实验题专题VIP免费

欧姆定律实验题专题_第1页
1/4
欧姆定律实验题专题_第2页
2/4
欧姆定律实验题专题_第3页
3/4
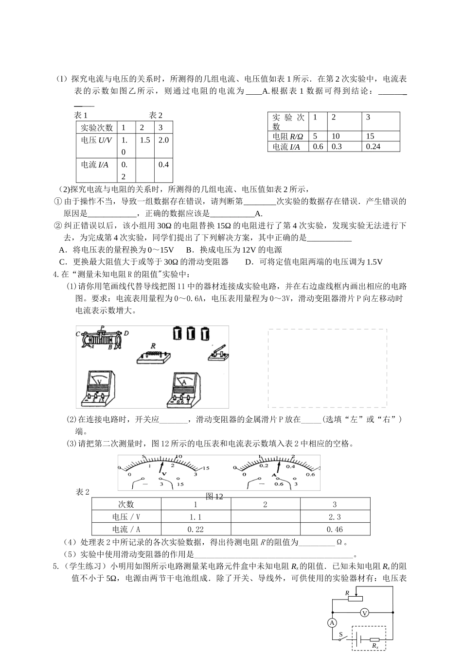
R′SVAPR31200.20.40.60.63-欧姆定律实验题专题班级姓名1.在探究“导体的电阻跟哪些因素有关”的问题时,某老师引导学生做了如下的猜想:猜想1:导体的电阻可能跟导体的横截面积有关;猜想2:导体的电阻可能跟导体的长度有关;猜想3:导体的电阻可能跟导体的材料有关。如图14-1所示是他们进行实验探究的器材,演示板上固定了四条金属电阻丝,a、b、c三条长度均是1m,d的长度是0.5m;a、b的横截面积相同,材料不同;a、c的材料相同,但c的横截面积大于a;a、d的材料和横截面积都相同。(1)在探究电阻跟横截面积的关系时,可依次把M、N跟________的两端连接,闭合开关,记下电流表的示数,分析比较这两根金属丝电阻的大小。(2)依次把M、N跟a、d的两端连接,闭合开关,记下电流表的示数,分析比较a、d两根金属丝电阻的大小,可探究电阻跟__________________的关系,其结论是:_______________________________________________。(3)以上方法在研究物理问题时经常用到,被称为________;试根据学过的物理知识再列出两例用这种方法研究的问题_________________________________________。2.刘阳同学想利用图甲所给实验器材,探究电流与电压和电阻的关系。(1)在电压表尚未接入电路之前,已存在两处明显的连接错误,请你指出:A,B。(2)错误纠正后,闭合开关,某时刻电压表和电流表的示数如图乙所示。流过电阻的电流为______A,电阻两端的电压为______V,该电阻的阻值为_______Ω(3)在本实验中,若探究电流与电压的关系,应控制不变,在研究电流跟电阻的关系时,应保持不变,这种研究问题的方法叫做。(4)右表是刘阳同学探究电流与电压的关系时记录的几组实验数据,通过对表中数据的分析,可得到的初步结论是:____________________________________。3.(学生练习)如图甲是某实验小组探究“电流与电压、电阻关系”的电路图,使用的实验器材有:电压为6V的电源.电流表、电压表各一个,开关一个,5Ω、10Ω、15Ω、30Ω的定值电阻各一个,规格为“20Ω1A”的滑动变阻器一个,导线若干.实验次数12345电压/V1.01.52.02.52.8电流/A0.100.150.200.250.28图12(l)探究电流与电压的关系时,所测得的几组电流、电压值如表1所示.在第2次实验中,电流表表的示数如图乙所示,则通过电阻的电流为____A.根据表1数据可得到结论:____________表1表2实验次数123电压U/V1.01.52.0电流I/A0.20.4(2)探究电流与电阻的关系时,所测得的几组电流、电压值如表2所示,①由于操怍不当,导致一组数据存在错误,请判断第________次实验的数据存在错误.产生错误的原因是____________,正确的数据应该是___________A.②纠正错误以后,该小组用30Ω的电阻替换15Ω的电阻进行了第4次实验,发现实验无法进行下去,为完成第4次实验,同学们提出了下列解决方案,其中正确的是___________A.将电压表的量程换为0~15VB.换成电压为12V的电源C.更换最大阻值大于或等于30Ω的滑动变阻器D.可将定值电阻两端的电压调为1.5V4.在“测量未知电阻R的阻值"实验中:(1)请你用笔画线代替导线把图11中的器材连接成实验电路,并在右边虚线框内画出相应的电路图。要求:电流表用量程为0~0.6A,电压表用量程为0~3V,滑动变阻器滑片P向左移动时电流表示数增大。(2)在连接电路时,开关应_______,滑动变阻器的金属滑片P放在_____(选填“左”或“右”)端。(3)请把第二次测量时,图12所示的电压表和电流表示数填入表2中相应的空格。表2次数123电压/V1.12.3电流/A0.220.46(4)处理表2中所记录的各次实验数据,得出待测电阻R的阻值为_________Ω。(5)实验中使用滑动变阻器的作用是_______________________________________。5.(学生练习)小明用如图所示电路测量某电路元件盒中未知电阻Rx的阻值.已知未知电阻Rx的阻值不小于5Ω,电源由两节干电池组成.除了开关、导线外,可供使用的实验器材有:电压表VRxRSAR实验次数123电阻R/Ω51015电流I/A0.60.3[来源:学.科.网Z.X.X.K]0.24[来源:学|科|网Z|X|X|K]VRxRSRxRARS12RxR1R2ASSRxVR1第24题图(量程0~15V、0~3V);电流表(量程0~3A、0~0.6A);滑动变阻器R(20Ω,1A);...

1、当您付费下载文档后,您只拥有了使用权限,并不意味着购买了版权,文档只能用于自身使用,不得用于其他商业用途(如 [转卖]进行直接盈利或[编辑后售卖]进行间接盈利)。
2、本站所有内容均由合作方或网友上传,本站不对文档的完整性、权威性及其观点立场正确性做任何保证或承诺!文档内容仅供研究参考,付费前请自行鉴别。
3、如文档内容存在违规,或者侵犯商业秘密、侵犯著作权等,请点击“违规举报”。

碎片内容

欧姆定律实验题专题

确认删除?
VIP
微信客服
  • 扫码咨询
会员Q群
  • 会员专属群点击这里加入QQ群
客服邮箱
回到顶部