电脑桌面
添加小米粒文库到电脑桌面
安装后可以在桌面快捷访问

四川省房屋建筑工程和市政基础设施工程竣工报告VIP免费

四川省房屋建筑工程和市政基础设施工程竣工报告_第1页
1/5
四川省房屋建筑工程和市政基础设施工程竣工报告_第2页
2/5
四川省房屋建筑工程和市政基础设施工程竣工报告_第3页
3/5
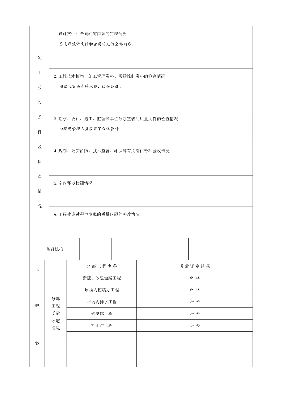
JS—004四川省房屋建筑工程和市政基础设施工程竣工验收报告四川省建设厅制工程概工程名称二郎镇垃圾处理临时堆场工程工程地址古蔺县二郎镇石笋村建筑面积m2结构类型土建层数地下层,地上层总高m电梯部自动扶梯部开工日期2009年5月10日竣工验收日期2009年9月10日建设单位古蔺县二郎镇政府监理单位勘察单位基础检测单位况设计单位图纸审查机构施工单位四川宏山建设工程有限公司质量监督机构验收组组成情况单位姓名职称(职务)备注建设单位刘光举主任经发办霍凯主任建管中心罗安密会计财政所监理单位施工单位何忠生项目经理甘源春技术负责人曹杰现场技术员四川省建设厅制竣工验收内容工程设计文件及合同要求的所有工程内容。竣工验收组织形式和验收程序由建设单位项目负责人组织施工单位、县级有关单位进行单位工程验收。竣工验收条件及检查情况1.设计文件和合同约定内容的完成情况已完成设计文件和合同约定的全部内容。2.工程技术档案、施工管理资料、质量控制资料的检查情况档案及有关资料完整,检查合格。3.勘察、设计、施工、监理等单位分别签署的质量文件的检查情况由现场管理人员签署了合格资料4.规划、公安消防、技术监督、环保等有关部门专项验收情况5.室内环境检测情况6.工程建设过程中发现的质量问题的整改情况监督机构工程验分部工程质量评定情况分部工程名称质量评定结果新建、改建道路工程合格堆场内挖填方工程合格堆场内排水工程合格砖砌体工程合格拦山沟工程合格收结论/观感质量综合评价观感质量共抽查5项,其中好的3项,一般1项,差1项,综合评价好。工程验收结论单位工程质量验收结论:本工程已按设计文件要求及合同约定的工程内容全部完成。经各方检查验收,认为:1.工程技术档案、施工管理资料、质量控制资料真实完整,符合要求。2.主要功能项目的抽查符合相关专业质量验收规范的规定。3.本工程施工中出现的质量问题已经整改完毕,无质量隐患,各种使用功能均能满足要求。本工程质量验收合格。2009年9月10日同意验收结论。建设单位:(公章)项目负责人:2009年9月10日勘察单位:(公章)勘察负责人:年月日设计单位:(公章)设计负责人:年月日同意验收结论。施工单位:(公章)注册建造师(项目经理):企业技术负责人:2009年9月10日监理单位:(公章)总监理工程师:年月日

1、当您付费下载文档后,您只拥有了使用权限,并不意味着购买了版权,文档只能用于自身使用,不得用于其他商业用途(如 [转卖]进行直接盈利或[编辑后售卖]进行间接盈利)。
2、本站所有内容均由合作方或网友上传,本站不对文档的完整性、权威性及其观点立场正确性做任何保证或承诺!文档内容仅供研究参考,付费前请自行鉴别。
3、如文档内容存在违规,或者侵犯商业秘密、侵犯著作权等,请点击“违规举报”。

碎片内容

四川省房屋建筑工程和市政基础设施工程竣工报告

确认删除?
VIP
微信客服
  • 扫码咨询
会员Q群
  • 会员专属群点击这里加入QQ群
客服邮箱
回到顶部