电脑桌面
添加小米粒文库到电脑桌面
安装后可以在桌面快捷访问

勘察设计质量管理办法

勘察设计质量管理办法_第1页
1/9
勘察设计质量管理办法_第2页
2/9
勘察设计质量管理办法_第3页
3/9
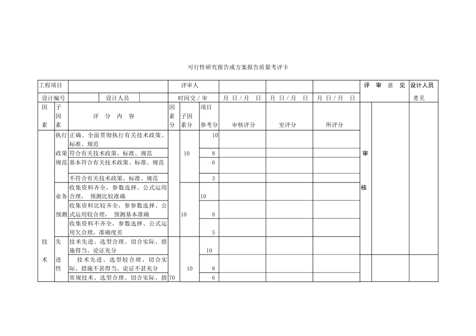
勘察设计质量管理办法 为了保证查勘设计工作质量做到技术先进、经济合理、安全适用、质量优良的要求,特制订本办法。(一)必须经常对职工进行“质量第一”的教育;建立健全各项管理制度,逐步推行全面质量管理,不断提高勘察设计质量。(二)勘察工作要正确反映客观实际,对现场地形、地质概况、原有设备状况以及使用情况等原始资料的收集必须准确、齐全,以满足编制设计文件的要求。对勘察的原始资料不得遗失或任意涂改。(三)勘察设计文件必须根据上级规定的审批办法,对设计文件进行严格的审定进行层层把关,重大的技术方案和技术问题必须经室主任和技术主管审定。(四)设计人员要对勘察、设计、施工和竣工投产全过程的设计工作负责,对设计文件存在的质量问题负责解决及修正。施工中有必要到现场才能解决的问题,设计人员应到现场解决。(五)设计所应指派设计人员参加设计会审,施工图技术交底,竣工验收等工作,并应定期对有代表性或重点的工程设计项目进行回访,总结设计工作经验和存在的问题,并对实际完成主要材料消耗、投资进行技术经济分析研究,以不断改进设计工作,提高设计质量。 (六)勘察设计中发生的差错及质量问题,除在原始的设计文件中予以更正外,还应进行登记统计,查勘设计质量应作为评奖及考核职工业务水平的重要依据。(七)开展创优秀设计活动,设计所应根据有关规定的要求,订出创优秀的实施办法以保证优秀设计活动广泛深入地开展。(八)对新技术、新设备的采用,必须贯彻一切经过试验的原则,对经技术鉴定不合格的技术、设备,不得在工程中采用。(九)要积极推行设计标准化、系列化和通用化,以提高设计质量和设计效率。编制设计文件要认真执行有关设计规范和技术标准,要选用优质的定型设计、器材,应尽可能避免设备多样化。 (十)设计文件要使用标准的图形符号及技术名词,图纸的尺寸规格和文件的出版份数要符合规定要求。可行性研究报告或方案报告质量考评卡工程项目 评审人 评 审 意 见设计人员 设计编号 设计人员 时间交/审 月 日/月 日 月 日/月 日 月 日/月 日 意见 因 素子 因 素 评 分 内 容 因素分 子因 素分项目 参考分 审核评分 室评分 所评分 执行 正确、全面贯彻执行有关技术政策、标准、规范 10 政策 符合有关技术政策、标准、规范 10 8 审 规范 基本符合有关技术政策、标准、规范 6不符合有关技术政策、标准、规范 3 业务 收集资料...

1、当您付费下载文档后,您只拥有了使用权限,并不意味着购买了版权,文档只能用于自身使用,不得用于其他商业用途(如 [转卖]进行直接盈利或[编辑后售卖]进行间接盈利)。
2、本站所有内容均由合作方或网友上传,本站不对文档的完整性、权威性及其观点立场正确性做任何保证或承诺!文档内容仅供研究参考,付费前请自行鉴别。
3、如文档内容存在违规,或者侵犯商业秘密、侵犯著作权等,请点击“违规举报”。

碎片内容

勘察设计质量管理办法

确认删除?
VIP
微信客服
  • 扫码咨询
会员Q群
  • 会员专属群点击这里加入QQ群
客服邮箱
回到顶部