电脑桌面
添加小米粒文库到电脑桌面
安装后可以在桌面快捷访问

室外给排水工程施工质量监理实施细则m

室外给排水工程施工质量监理实施细则m_第1页
1/5
室外给排水工程施工质量监理实施细则m_第2页
2/5
室外给排水工程施工质量监理实施细则m_第3页
3/5
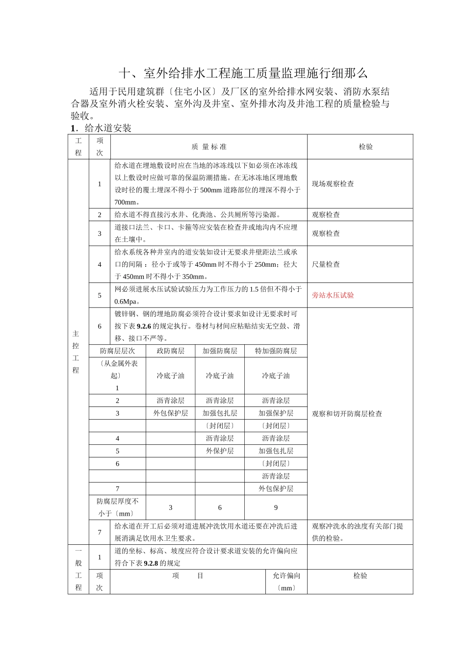
十、室外给排水工程施工质量监理施行细那么适用于民用建筑群〔住宅小区〕及厂区的室外给排水网安装、消防水泵结合器及室外消火栓安装、室外沟及井室、室外排水沟及井池工程的质量检验与验收。1.给水道安装工程项次 质 量 标 准检验主控工程1给水道在埋地敷设时应在当地的冰冻线以下如必须在冰冻线以上敷设时应做可靠的保温防潮措施。在无冰冻地区埋地敷设时径的覆土埋深不得小于 500mm 道路部位的埋深不得小于700mm。现场观察检查2给水道不得直接污水井、化粪池、公共厕所等污染源。观察检查3道接口法兰、卡口、卡箍等应安装在检查井或地沟内不应埋在土壤中。观察检查4给水系统各种井室内的道安装如设计无要求井壁距法兰或承 口的间隔 :径小于或等于 450mm 时不得小于 250mm;径大于 450mm 时不得小于 350mm。尺量检查5网必须进展水压试验试验压力为工作压力的 1.5 倍但不得小于0.6Mpa。旁站水压试验6镀锌钢、钢的埋地防腐必须符合设计要求如设计无要求时可按下表 9.2.6 的规定执行。卷材与材间应粘贴结实无空鼓、滑移、接口不严等。观察和切开防腐层检查防腐层层次政防腐层加强防腐层特加强防腐层〔从金属外表起〕1冷底子油冷底子油冷底子油2沥青涂层沥青涂层沥青涂层3外包保护层加强包扎层加强保护层〔封闭层〕〔封闭层〕4沥青涂层沥青涂层5外保护层加强包扎层6〔封闭层〕沥青涂层7外包保护层防腐层厚度不小于〔mm〕3697给水道在开工后必须对道进展冲洗饮用水道还要在冲洗后进展消满足饮用水卫生要求。观察冲洗水的浊度有关部门提供的检验。一般工程1道的坐标、标高、坡度应符合设计要求道安装的允许偏向应符合下表 9.2.8 的规定项次 项目允许偏向〔mm〕检验①坐标铸铁埋地100拉线和尺量检查敷设在沟槽内50钢、塑料、复合埋地100敷设在沟槽内40②标高铸铁埋地±50拉线和尺量检查铺设在沟槽内±30钢、塑料、复合埋地±50铺设在沟槽内±30③程度纵横向弯曲铸铁直段〔25m 以上〕起点~终点40拉线和尺量检查铸铁直段〔25m 以上〕起点~终点302道和金属支架的涂漆应附着良好无脱皮、起泡、流淌和漏涂等缺陷。现场观察检查3道连接应符合工艺要求阀门、水表等安装位置应正确塑料给水道上的水表、阀门等设施其重量或启闭装置的扭矩不得作用于道上当径≥50mm 时必须设的支承装置。现场观察检查4给水道与污水道在不同标高平行敷设其垂直间距在 500mm 以内时给水径小于或等于 200mm 的壁程度间距不得小于 1.5m;径大于 200mm...

1、当您付费下载文档后,您只拥有了使用权限,并不意味着购买了版权,文档只能用于自身使用,不得用于其他商业用途(如 [转卖]进行直接盈利或[编辑后售卖]进行间接盈利)。
2、本站所有内容均由合作方或网友上传,本站不对文档的完整性、权威性及其观点立场正确性做任何保证或承诺!文档内容仅供研究参考,付费前请自行鉴别。
3、如文档内容存在违规,或者侵犯商业秘密、侵犯著作权等,请点击“违规举报”。

碎片内容

室外给排水工程施工质量监理实施细则m

文森传品+ 关注
实名认证
内容提供者

一家传播文化教育的小店,资料丰富,随意挑选。

确认删除?
VIP
微信客服
  • 扫码咨询
会员Q群
  • 会员专属群点击这里加入QQ群
客服邮箱
回到顶部