电脑桌面
添加小米粒文库到电脑桌面
安装后可以在桌面快捷访问

某工程给排水监理细则

某工程给排水监理细则_第1页
1/5
某工程给排水监理细则_第2页
2/5
某工程给排水监理细则_第3页
3/5
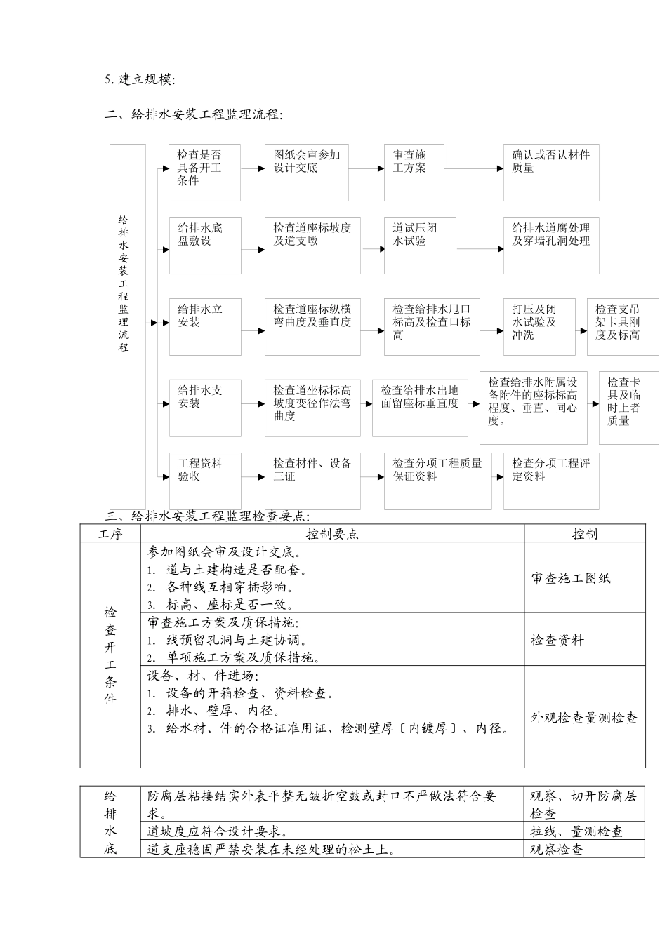
工程给排水监理细那么编制人:审批人: 2024 年 8 月 1 日一、工程概况:1.工程名称:2.建立:3.建立地点:4.构造类型:检查是否具备开工条件给排水安装工程监理流程图纸会审参加设计交底审查施工方案确认或否认材件质量给排水底盘敷设检查道座标坡度及道支墩给排水立安装给排水支安装工程资料验收检查道座标纵横弯曲度及垂直度检查道坐标标高坡度变径作法弯曲度检查材件、设备三证道试压闭水试验检查给排水甩口标高及检查口标高打压及闭水试验及冲洗检查支吊架卡具刚度及标高检查给排水出地面留座标垂直度检查给排水附属设备附件的座标标高程度、垂直、同心度。检查卡具及临时上者质量检查分项工程质量保证资料检查分项工程评定资料给排水道腐处理及穿墙孔洞处理5.建立规模: 二、给排水安装工程监理流程:三、给排水安装工程监理检查要点: 工序控制要点控制检查开工条件参加图纸会审及设计交底。1.道与土建构造是否配套。2.各种线互相穿插影响。3.标高、座标是否一致。审查施工图纸审查施工方案及质保措施:1.线预留孔洞与土建协调。2.单项施工方案及质保措施。检查资料设备、材、件进场:1.设备的开箱检查、资料检查。2.排水、壁厚、内径。3.给水材、件的合格证准用证、检测壁厚〔内镀厚〕、内径。外观检查量测检查给排水底防腐层粘接结实外表平整无皱折空鼓或封口不严做法符合要求。观察、切开防腐层检查道坡度应符合设计要求。拉线、量测检查道支座稳固严禁安装在未经处理的松土上。观察检查排安装室内给水道试验压力为 0.6Mpa10 分钟观察压力降不应大于0.02Mpa。观察检查室内排水道闭水试验:内注满水 15min 后再加满水 5min 后水位不下降道及接口无渗漏。观察检查给水道穿根底孔洞道上皮应预留不小于 100mm 的沉降量。根底梁内预留套应为道直径大两个规格。量测检查给排水立安装检查道座标及立垂直度、给水:允许偏向 3mm/m 全长〔5m 以上〕不大于 8mm。吊线和尺量检查检查排水甩口标高检查口标高和数量。尺量检查及外观检查给水立试压同 2外观检查排水立闭水通球试验同 2外观检查检查卡刚度及标高。外观检查给排水支安装检查道坡度及弯曲度:给排水程度坡度应符合设计及施工标准要求。程度纵横向弯曲度:排水〔PVC-U〕1.5mm/m 全长 25m 以上不大于 2.5mm 钢 1mm/m 全长 25m 不大于 25mm。用程度尺、直尺、拉线和尺量检查排水立每层设置伸缩节排水支在楼板之下接入时伸缩节设置于水流集合配件之下...

1、当您付费下载文档后,您只拥有了使用权限,并不意味着购买了版权,文档只能用于自身使用,不得用于其他商业用途(如 [转卖]进行直接盈利或[编辑后售卖]进行间接盈利)。
2、本站所有内容均由合作方或网友上传,本站不对文档的完整性、权威性及其观点立场正确性做任何保证或承诺!文档内容仅供研究参考,付费前请自行鉴别。
3、如文档内容存在违规,或者侵犯商业秘密、侵犯著作权等,请点击“违规举报”。

碎片内容

某工程给排水监理细则

确认删除?
VIP
微信客服
  • 扫码咨询
会员Q群
  • 会员专属群点击这里加入QQ群
客服邮箱
回到顶部