电脑桌面
添加小米粒文库到电脑桌面
安装后可以在桌面快捷访问

某工程试桩记录

某工程试桩记录_第1页
1/4
某工程试桩记录_第2页
2/4
某工程试桩记录_第3页
3/4
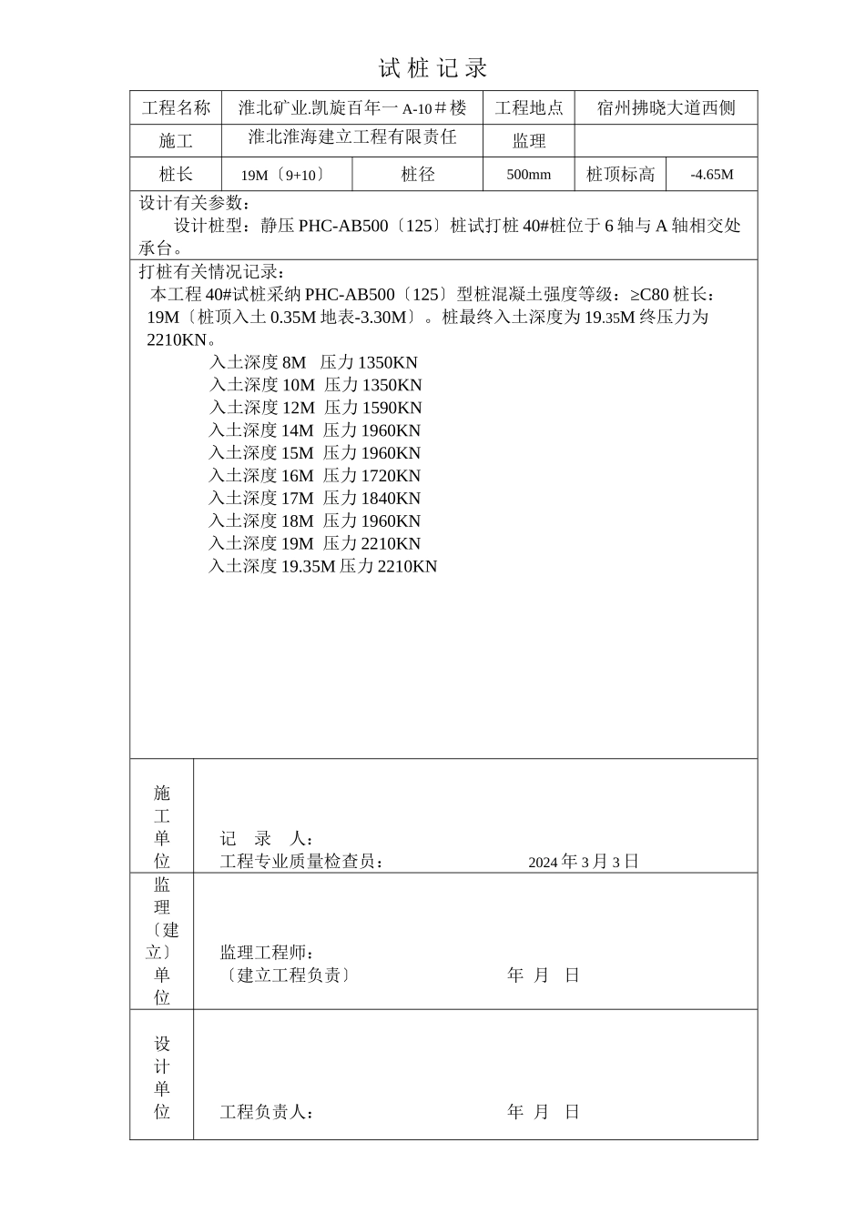
试 桩 记 录工程名称淮北矿业.凯旋百年一 A-10#楼工程地点宿州拂晓大道西侧施工淮北淮海建立工程有限责任监理桩长19M〔9+10〕桩径500mm桩顶标高-4.65M设计有关参数:设计桩型:静压 PHC-AB500〔125〕桩试打桩 40#桩位于 6 轴与 A 轴相交处承台。打桩有关情况记录: 本工程 40#试桩采纳 PHC-AB500〔125〕型桩混凝土强度等级:≥C80 桩长:19M〔桩顶入土 0.35M 地表-3.30M〕。桩最终入土深度为 19.35M 终压力为2210KN。入土深度 8M 压力 1350KN入土深度 10M 压力 1350KN入土深度 12M 压力 1590KN入土深度 14M 压力 1960KN入土深度 15M 压力 1960KN入土深度 16M 压力 1720KN入土深度 17M 压力 1840KN入土深度 18M 压力 1960KN入土深度 19M 压力 2210KN入土深度 19.35M 压力 2210KN施工单位 记录人: 工程专业质量检查员:2024 年 3 月 3 日监理〔建立〕单位监理工程师: 〔建立工程负责〕年 月 日设计单位 工程负责人:年 月 日 试 桩 记 录工程名称淮北矿业.凯旋百年一 A-10#楼工程地点宿州拂晓大道西侧施工淮北淮海建立工程有限责任监理桩长22M〔11+11〕桩径500mm桩顶标高-4.65M设计有关参数:设计桩型:静压 PHC-AB500〔125〕桩试打桩 3#桩位于 1 轴与 E 轴相交处承台。打桩有关情况记录: 本工程 3#试桩采纳 PHC-AB500〔125〕型桩混凝土强度等级:≥C80 桩长:22M〔桩顶入土 0.45M 地表-3.20M〕。桩最终入土深度为 22.45M 终压力为2460KN。入土深度 8M 压力 1470KN入土深度 10M 压力 1840KN入土深度 12M 压力 1840KN入土深度 14M 压力 1840KN入土深度 15M 压力 1720KN入土深度 16M 压力 1470KN入土深度 17M 压力 1720KN入土深度 18M 压力 1840KN入土深度 19M 压力 2210KN入土深度 20M 压力 2210KN入土深度 21M 压力 1960KN入土深度 22M 压力 2210KN入土深度 22.45M 压力 2460KN施工单位 记录人: 工程专业质量检查员:2024 年 3 月 3 日监理〔建立〕单位监理工程师: 〔建立工程负责〕年 月 日设计单位 工程负责人:年 月 日 试 桩 记 录工程名称淮北矿业.凯旋百年一 A-10#楼工程地点宿州拂晓大道西侧施工淮北淮海建立工程有限责任监理桩长22M〔11+11〕桩径500mm桩顶标高-4.45M设计有关参数:设计桩型:静压 PHC-AB500〔125〕桩试打桩 95#桩位于 10 轴与 B 轴相交处承台。打桩有关情况记录...

1、当您付费下载文档后,您只拥有了使用权限,并不意味着购买了版权,文档只能用于自身使用,不得用于其他商业用途(如 [转卖]进行直接盈利或[编辑后售卖]进行间接盈利)。
2、本站所有内容均由合作方或网友上传,本站不对文档的完整性、权威性及其观点立场正确性做任何保证或承诺!文档内容仅供研究参考,付费前请自行鉴别。
3、如文档内容存在违规,或者侵犯商业秘密、侵犯著作权等,请点击“违规举报”。

碎片内容

某工程试桩记录

确认删除?
VIP
微信客服
  • 扫码咨询
会员Q群
  • 会员专属群点击这里加入QQ群
客服邮箱
回到顶部