电脑桌面
添加小米粒文库到电脑桌面
安装后可以在桌面快捷访问

电子工业废水处理VIP专享

电子工业废水处理_第1页
1/6
电子工业废水处理_第2页
2/6
电子工业废水处理_第3页
3/6
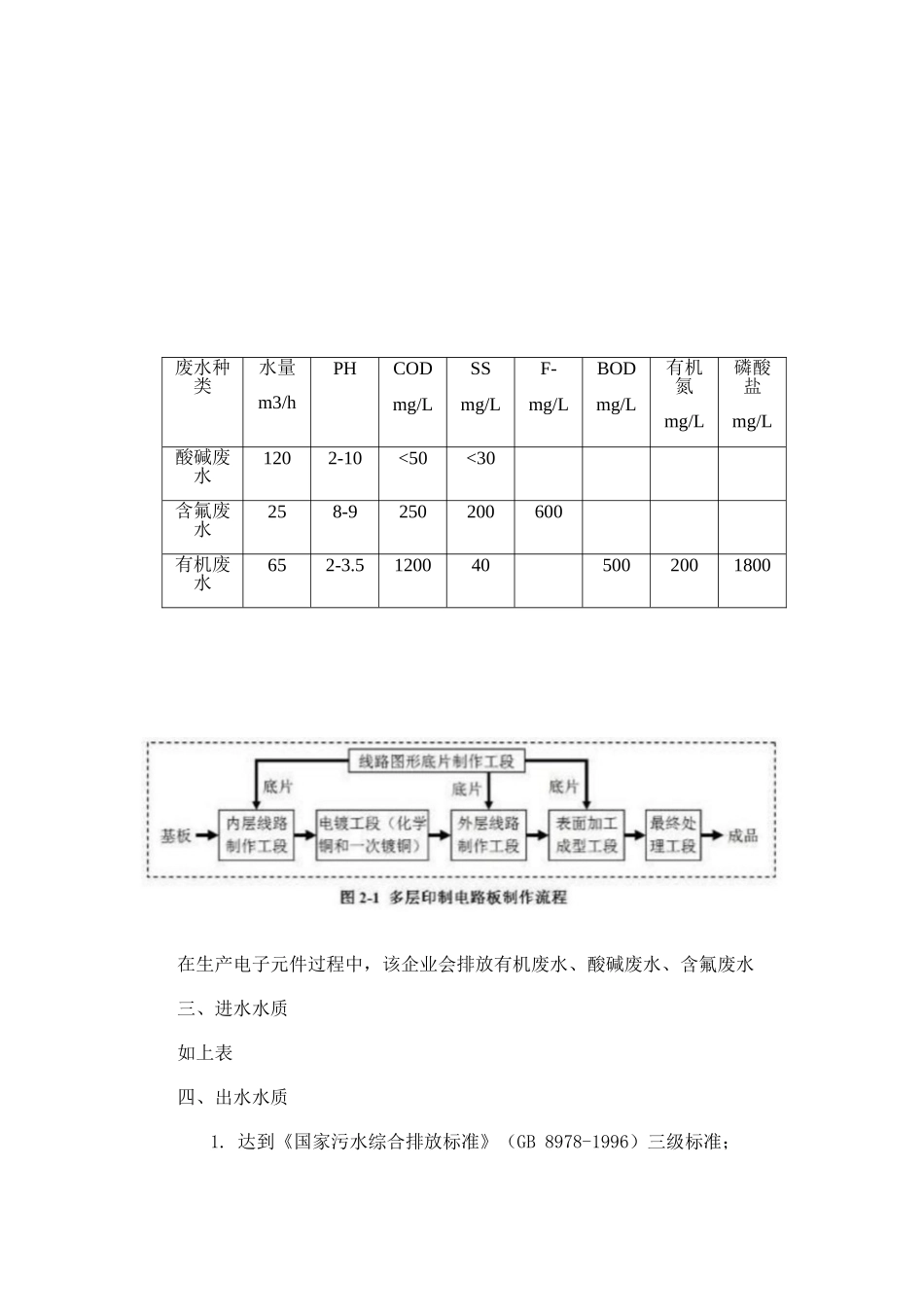
电子工业废水处理设计方案一、前言自 90 年代以来,全球电子行业蓬勃进展,引起了世界各国政府的高度重视。中国的电子工业历经多年的改革开放,逐渐成为“世界电子产品制造业的加工厂”。在电子产品及相关金属产品的生产和回收过程中,产生大量的电子废水。电子废水的成分不同,所含污染物的种类和含量也存在差异,其中基本都含有铬、铜、镍、镉、锌、铅、汞等重金属离子、氰化物、一些酸性物质和碱性物质。废水中的重金属离子具有毒效长、不可生物降解等特点,且能够在生物体内富集,使生物体机能紊乱,对生态环境和人类健康产生严重危害。电子工业废水作为一种新兴的废水,值得深化探讨。二、概述某大型微电子生产企业排放三股废水,水量水质情况分别如下。1.酸碱废水;水量为 120m3/h;pH 为 2-10;COD<50mg/L;SS<30mg/L。2.含氟废水:水量为 25m3/h;F-为 600mg/L;pH 为 8-9;COD 为 250mg/L;SS 为 200mg/L。3.有机废水:水量为 65m3/h:pH 为 2-3.5;COD 为 1200mg/L;SS 为 40mg/L;BOD5为 500mg/L;有机氮为 200mg/L;磷酸盐为 1800mg/L.处理后的废水要求达到《国家污水综合排放标准》(GB 8978-1996)的三级标准,由此设计废水处理工艺流程。废水来源 主要是电子元件,其中以电路板为主要生产对象。 在生产电子元件过程中,该企业会排放有机废水、酸碱废水、含氟废水三、进水水质如上表四、出水水质1. 达到《国家污水综合排放标准》(GB 8978-1996)三级标准;废水种类水量m3/hPHCODmg/LSSmg/LF-mg/LBODmg/L有机氮mg/L磷酸盐mg/L酸碱废水1202-10<50<30含氟废水258-9250200600有机废水652-3.512004050020018002. 达到行业标准;3. 达到企业标准。 五、废水处理工艺流程1. 酸碱废水处理工艺酸碱废水是废水处理时最常见的一种。废水处理中酸的质量分数差别很大,低的小于 1%,高的大于 10%。酸碱废水具有较强的腐蚀性,需经适当废水处理方可外排。对于酸碱废水处理,考虑到经济原因,该类废水处理应该首先考虑中和处理。而中和处理应首先考虑以废治废的废水处理原则。如酸、碱废水相互中和或利用废碱(渣)中和酸性废水,利用废酸中和碱性废水。在没有这对碱性废水进行中和时可首先考虑采纳酸性废水的中和治理。本污水处理工程,再生酸碱废水中的酸性废水和碱性废水量相当,可考虑中和再加酸或加碱处理,使出 pH 达到 6-9。工业上一般用采纳液碱处理酸性废水,硫酸和盐酸处理碱性废水。硫酸价格较盐酸...

1、当您付费下载文档后,您只拥有了使用权限,并不意味着购买了版权,文档只能用于自身使用,不得用于其他商业用途(如 [转卖]进行直接盈利或[编辑后售卖]进行间接盈利)。
2、本站所有内容均由合作方或网友上传,本站不对文档的完整性、权威性及其观点立场正确性做任何保证或承诺!文档内容仅供研究参考,付费前请自行鉴别。
3、如文档内容存在违规,或者侵犯商业秘密、侵犯著作权等,请点击“违规举报”。

碎片内容

电子工业废水处理

确认删除?
VIP
微信客服
  • 扫码咨询
会员Q群
  • 会员专属群点击这里加入QQ群
客服邮箱
回到顶部