电脑桌面
添加小米粒文库到电脑桌面
安装后可以在桌面快捷访问

《钢筋混凝土结构课程设计》

《钢筋混凝土结构课程设计》_第1页
1/15
《钢筋混凝土结构课程设计》_第2页
2/15
《钢筋混凝土结构课程设计》_第3页
3/15
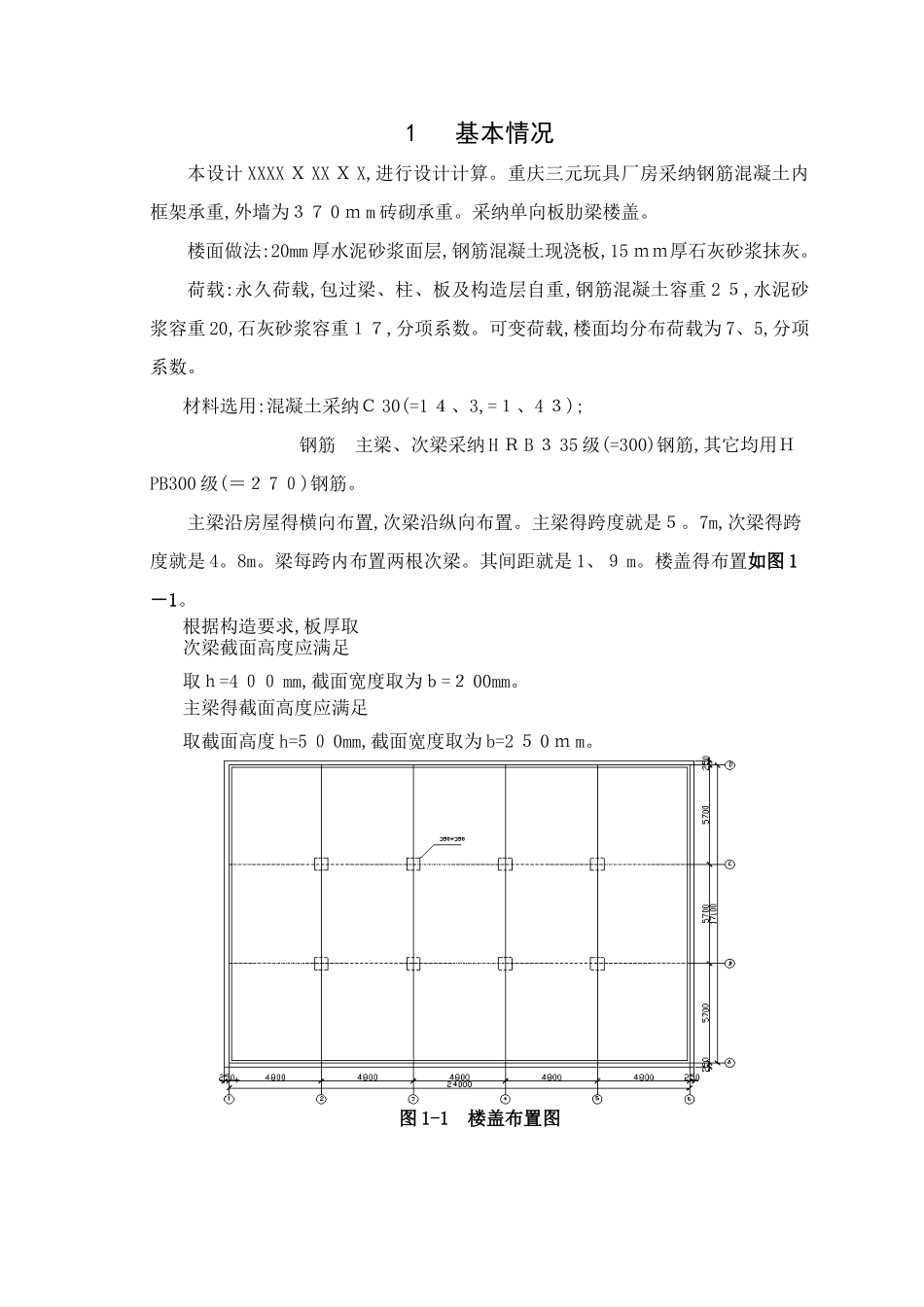
1 基本情况本设计 XXXX X XX X X,进行设计计算。重庆三元玩具厂房采纳钢筋混凝土内框架承重,外墙为37 0 m m 砖砌承重。采纳单向板肋梁楼盖。楼面做法:20mm 厚水泥砂浆面层,钢筋混凝土现浇板,15 mm厚石灰砂浆抹灰。荷载:永久荷载,包过梁、柱、板及构造层自重,钢筋混凝土容重 2 5,水泥砂浆容重 20,石灰砂浆容重17,分项系数。可变荷载,楼面均分布荷载为 7、5,分项系数。材料选用:混凝土采纳C 30(=1 4、3,=1、4 3); 钢筋 主梁、次梁采纳 H R B 3 35 级(=300)钢筋,其它均用HPB300 级(=2 7 0)钢筋。主梁沿房屋得横向布置,次梁沿纵向布置。主梁得跨度就是5。7m,次梁得跨度就是 4。8m。梁每跨内布置两根次梁。其间距就是 1、9 m。楼盖得布置如图 1-1。根据构造要求,板厚取次梁截面高度应满足取h=4 00 mm,截面宽度取为b=2 00mm。主梁得截面高度应满足取截面高度 h=5 0 0mm,截面宽度取为 b=2 5 0 m m。图 1-1 楼盖布置图2 单向板结构设计2.1 板得设计2。1.1 板得计算按塑性分析法计算内力。2、1。2荷载恒荷载标准值:20m m水泥砂浆面层ﻩ80mm 钢筋混凝土板ﻩﻩ15 mm厚石灰砂浆抹灰ﻩﻩﻩﻩﻩﻩﻩﻩ活荷载标准值ﻩﻩ横荷载设计值ﻩﻩﻩﻩ活荷载设计值ﻩ合计ﻩ2。1、3 内力计算ﻩ次梁得截面,板在墙上得支撑长度为,则板得计算跨度为:边跨中间跨ﻩ 跨度差说明可按等跨连续板计算内力。取1 m 宽板作为计算单元,计算简图如图 2—1所示、 图 2-1 计算简图连续板各截面得弯矩计算见表 2-1。表 2—1 连续板各截面弯矩计算截面1边跨跨内B离端第二支座2中间跨跨内C中间支座弯矩计算系数计算跨度2.1。4 截面承载力计算ﻩ。C30 混凝土,=14.3。HPB300 钢筋,=270,连续板各截面得配筋计算见表 2-2。表2-2连续板各截面配筋计算截面位置边区板带(1-2,5—6轴线间)中间区板带(2—5轴线间)边跨跨内离端第二支座离端第二支跨跨内、中间跨跨内中间支座边跨跨内离端第二支座离端第二跨跨内、中间跨跨内中间支座M()3.48—3、482、3 4—2、673.48-3。480、82、34=1。8 70。8(-2。67)=-2、140、0670。06 70、0450。05 20、06 70。0670.0 360.0 4 10。0690。0690、04 60、0540。0690、0 690。0 3 70。04 221 92191461 7 221 92 191 1 8134选配钢筋6/8@1 7 06/817061906@1 606/8@1706/8@1706@20 ...

1、当您付费下载文档后,您只拥有了使用权限,并不意味着购买了版权,文档只能用于自身使用,不得用于其他商业用途(如 [转卖]进行直接盈利或[编辑后售卖]进行间接盈利)。
2、本站所有内容均由合作方或网友上传,本站不对文档的完整性、权威性及其观点立场正确性做任何保证或承诺!文档内容仅供研究参考,付费前请自行鉴别。
3、如文档内容存在违规,或者侵犯商业秘密、侵犯著作权等,请点击“违规举报”。

碎片内容

《钢筋混凝土结构课程设计》

确认删除?
VIP
微信客服
  • 扫码咨询
会员Q群
  • 会员专属群点击这里加入QQ群
客服邮箱
回到顶部