电脑桌面
添加小米粒文库到电脑桌面
安装后可以在桌面快捷访问

光缆铺设工程

光缆铺设工程_第1页
1/12
光缆铺设工程_第2页
2/12
光缆铺设工程_第3页
3/12
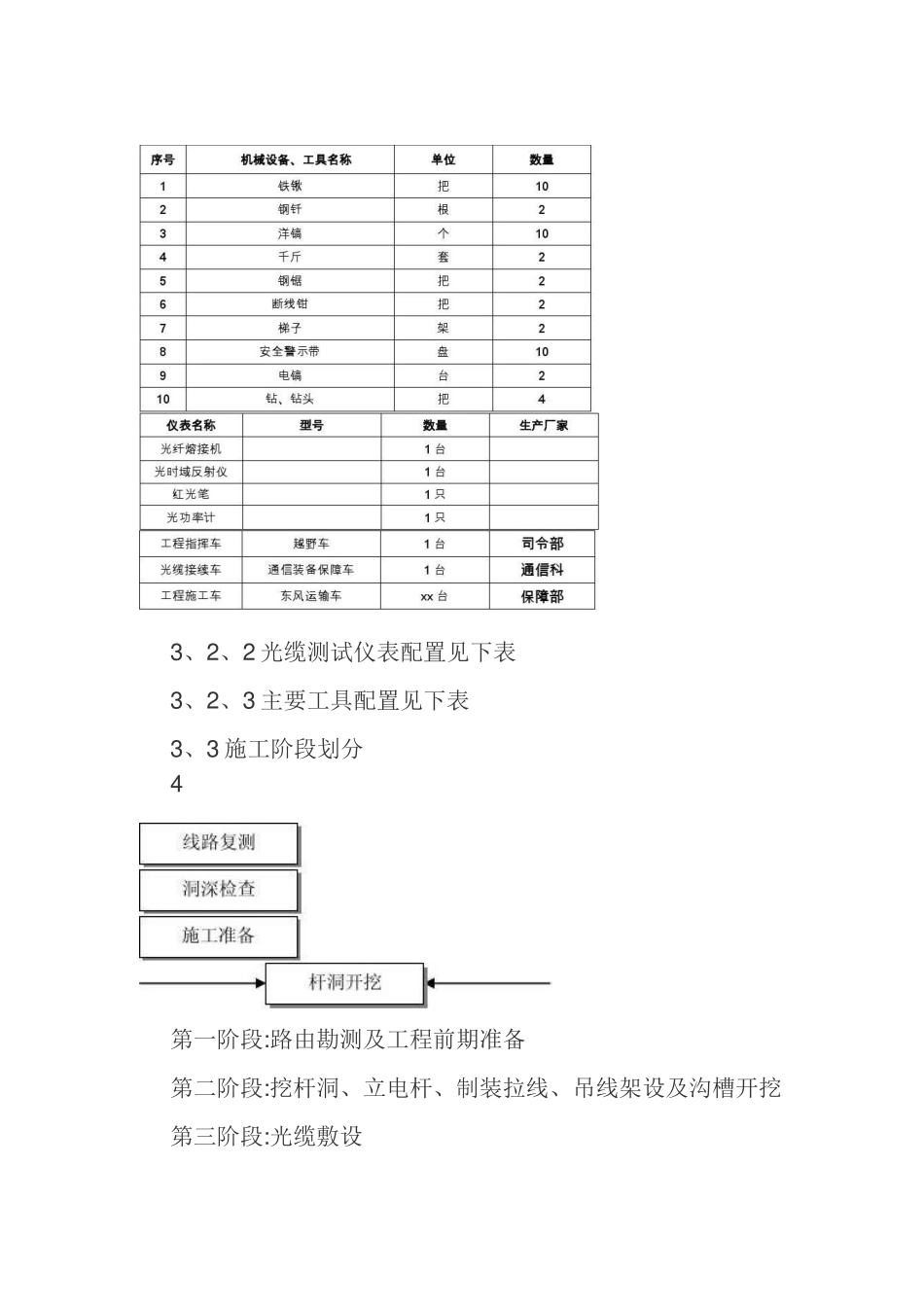
光缆铺设工程(含预算)一、工程概况本工程位于 XXXXXXX,传输线路实行架空与地埋两种方式,其中地埋线路 xxx 公里,架空线路 xxx 公里,线路总长为 5 公里。新建光缆线路虽在丘陵地带,但就是大部分经过农田,土质较好,可以采纳直埋方式,整个路由都可以采纳挖掘机施工,可以节约工期与成本。工程名称:XXXX 传输线路改造建设单位:XXXXXXX建设地点:XXXXXXX施工单位:XXXXXXX二、施工依据《xxxxxx 建设方案》《YD 5148-2025 架空光(电)缆通信杆路工程设计法律规范》《YD 5138-2025 本地通信线路工程验收法律规范》施工单位现场勘察获得得资料三、施工组织及人员、设备配置3、1 施工机构及主要职责为了保证工程顺利施工,分别设立工程安全领导组工程实施组,工程安全领导小组主要负责施工过程中得安全督导、重点工作得组织协调等;工程实施组负责工程施工组织设计编制,一直到工程交工验收得全面工作,严格根据法律规范施工,确保工程质2量与工程进度。工程安全领导组组成组 长:xxxx 副参谋长副组长:xxxx 通信科长成 员:xxxx 通信参谋xxxx 军务参谋xxxx xxxxxxxx工程实施组组成组 长:xxxx 通信科长副组长:xxxx 通信参谋成 员:xxxx xxxx 工程师xxxx xxxx 班长xxxx xxxxxxxxxxxx xxxxxxxx工程实施组共 xxxx 人,主要来自 xxxx(单位),设两个施工组与一个光缆接续组,施工一组负责主干线路得架空施工,施工二组负责分支线路得地埋施工,光缆接续组由工程实施组统一安排,负责全线路光缆接续与中继段线路测试。。3、2 主要设备配置3、2、1 施工车辆配置见下表33、2、2 光缆测试仪表配置见下表3、2、3 主要工具配置见下表3、3 施工阶段划分4第一阶段:路由勘测及工程前期准备第二阶段:挖杆洞、立电杆、制装拉线、吊线架设及沟槽开挖第三阶段:光缆敷设第四阶段:光缆熔接第五阶段:光缆成端测试3、4 施工工期施工工期从 2025 年 xx 月 xx 日至 2025 年 xx 月 xx 日,工期为7 天。本工程线路路由经过村镇与农田,需要办理审批及相应赔补手续得,由施工安全领导组提前协调处理,以确保工程展开后不影响工期进度。四、技术措施4、1 施工工艺流程图4、1、1 架空光缆敷设工艺流程见下图54、1、2 光纤熔接工艺流程见下图64、2 主要施工方法4、2、1 杆路施工方法7(1)光缆路由复测得内容与方法按设计要求与光缆路由方向、环境条件,核定光缆路由穿越公路、河流、水渠及其她障碍物得技术措施及各具体措施实施得可行性。地面距离丈量使用...

1、当您付费下载文档后,您只拥有了使用权限,并不意味着购买了版权,文档只能用于自身使用,不得用于其他商业用途(如 [转卖]进行直接盈利或[编辑后售卖]进行间接盈利)。
2、本站所有内容均由合作方或网友上传,本站不对文档的完整性、权威性及其观点立场正确性做任何保证或承诺!文档内容仅供研究参考,付费前请自行鉴别。
3、如文档内容存在违规,或者侵犯商业秘密、侵犯著作权等,请点击“违规举报”。

碎片内容

光缆铺设工程

确认删除?
VIP
微信客服
  • 扫码咨询
会员Q群
  • 会员专属群点击这里加入QQ群
客服邮箱
回到顶部