电脑桌面
添加小米粒文库到电脑桌面
安装后可以在桌面快捷访问

危险源评价表

危险源评价表_第1页
1/47
危险源评价表_第2页
2/47
危险源评价表_第3页
3/47
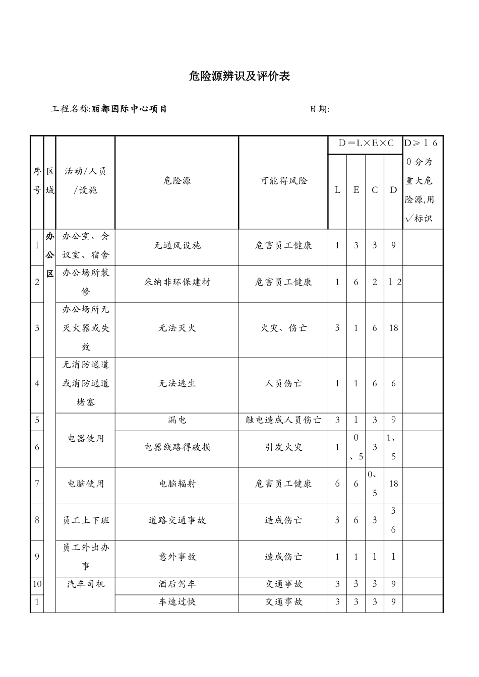
危险源辨识及评价表工程名称:丽都国际中心项目 日期:序号区域活动/人员/设施危险源可能得风险D=L×E×CD≥1 60分为重大危险源,用√标识LECD1办公区办公室、会议室、宿舍无通风设施危害员工健康13392办公场所装修采纳非环保建材危害员工健康1621 23办公场所无灭火器或失效无法灭火火灾、伤亡316184无消防通道或消防通道堵塞无法逃生人员伤亡11665电器使用漏电触电造成人员伤亡31396电器线路得破损引发火灾10、531、57电脑使用电脑辐射危害员工健康660、5188员工上下班道路交通事故造成伤亡363369员工外出办事意外事故造成伤亡111110汽车司机酒后驾车交通事故33391车速过快交通事故33391危险源辨识及评价表工程名称:丽都国际中心项目 日期:序号区域活动/人员/设施危险源可能得风险D=L×E×CD≥160分为重大危险源,用√标识L EC D1生产区安全管理未建立安全生产责任制或未落实管理混乱,责任不明确 11662经济承包中无安全生产指标不重视安全生产,安全生产投入较少316183未按规定配备专(兼)职安全员安全措施无法落实1 1 664未制定安全管理目标,未进行安全责任目标分解安全管理不能自我约束,存在随意性33 3 275未制定各工种安全技术操作规程作业人员不懂操作导致事故13 3 96施工组织设计无安全措施或未经公司相关部门审批没有经过严格审核得安全措施指导施工,易造成盲目施工1 2367施工组织设计中安全措施不全面、无针对性或未落实不能具体指导安全施工 3 2 3 188未进行分部分项工程安全技术交底作业人员缺乏安全操作知识和意识,易导致事故3 2 3189未建立安全检查制度、安全教育制度、班前安全活动制度没有制度约束,管理不到位116610未定期进行安全检查,检查出事故隐患未定人、定时间、定措施不能及时发现安全隐患和进行整改12 3 611新入厂工人未进行三级安全教育,变换工种时未进行安全教育工人缺乏安全防范意识和知识,导致事故3 2 3 1812未建立工伤事故报告调查处理制度,工伤事故未按事故调查分析规定处理,未建立工伤事故档案事故原因不清,无法吸取教训和防止类似事故再次发生111113特种作业人员未持有效证件上岗因缺乏操作技能而导致事故3 633614现场无安全标志总平面图(消防疏散图),未按安全标志总平面图设置安全标志思想麻痹,易发生安全事故,火灾或其她紧急情况发生时,急救人员找不到工具,人员找不到疏散通道1 11115生产区临时设施搭建结构设计不合理,材质不合格容易倒塌,...

1、当您付费下载文档后,您只拥有了使用权限,并不意味着购买了版权,文档只能用于自身使用,不得用于其他商业用途(如 [转卖]进行直接盈利或[编辑后售卖]进行间接盈利)。
2、本站所有内容均由合作方或网友上传,本站不对文档的完整性、权威性及其观点立场正确性做任何保证或承诺!文档内容仅供研究参考,付费前请自行鉴别。
3、如文档内容存在违规,或者侵犯商业秘密、侵犯著作权等,请点击“违规举报”。

碎片内容

危险源评价表

确认删除?
VIP
微信客服
  • 扫码咨询
会员Q群
  • 会员专属群点击这里加入QQ群
客服邮箱
回到顶部