电脑桌面
添加小米粒文库到电脑桌面
安装后可以在桌面快捷访问

基于at89c51单片机生物培养液温度控制系统设计—-毕业论文设计

基于at89c51单片机生物培养液温度控制系统设计—-毕业论文设计_第1页
1/48
基于at89c51单片机生物培养液温度控制系统设计—-毕业论文设计_第2页
2/48
基于at89c51单片机生物培养液温度控制系统设计—-毕业论文设计_第3页
3/48
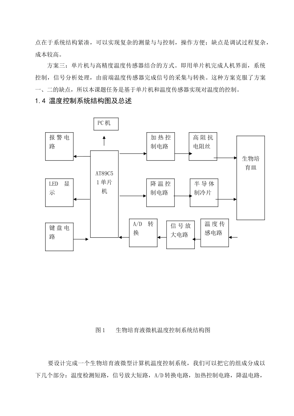
1 绪 论1.1 背景在现代化的到来世界,生物培育液的利用大大提高了生物的繁殖与生长,但其温度的控制至关重要,为此我们需要掌握其信息,同时信息需要温度传感器将信息传递出来。作为猎取信息的手段——传感器技术得到了显著的进步,其应用领域越来越广泛,对其要求越来越高,需求越来越迫切。传感器技术已成为衡量一个国家科学技术进展水平的重要标志之一。因此,了解并掌握各类传感器的基本结构、工作原理及特性是非常重要的。由于传感器能将各种物理量、化学量和生物量等信号转变为电信号,使得人们可以利用计算机实现自动测量、信息处理和自动控制,但是它们都不同程度地存在温漂和非线性等影响因素。传感器主要用于测量和控制系统,它的性能好坏直接影响系统的性能。因此,不仅必须掌握各类传感器的结构、原理及其性能指标,还必须懂得传感器经过适当的接口电路调整才能满足信号的处理、显示和控制的要求,而且只有通过对传感器应用实例的原理和智能传感器实例的分析了解,才能将传感器和信息通信和信息处理结合起来,适应传感器的生产、研制、开发和应用。另一方面,传感器的被测信号来自于各个应用领域,每个领域都为了改革生产力、提高工效和时效,各自都在开发研制适合应用的传感器,于是种类繁多的新型传感器及传感器系统不断涌现。温度传感器是其中重要的一类传感器。其进展速度之快,以及其应用之广,并且还有很大潜力。1.2 控制要求生物繁殖培育液的温度要保证在适于细胞繁殖的温度内,这主要在控制程序设计中考虑。温度控制范围为 15 ~25,升温、降温阶段的温度控制精度要求为 0.5 度,保温阶段温度控制精度为 0.5 度 。正常情况下,系统投入自动。模拟手动操作 当系统发生异常,投入手动操作,并用 LED 显示。1.3 方案论证方案一:采纳纯硬件的闭环控制系统。该系统的优点在于速度较快,但可靠性比较差控制精度比较低、灵活性小、线路复杂、调试、安装都不方便。且要实现题目所有的要求难度较大。方案二:FPGA/CPLD 或采纳带有 IP 内核的 FPGA/CPLD 方式。即用 FPGA/CPLD 完成采集,存储,显示及 A/D 等功能,由 IP 核实现人机交互及信号测量分析等功能。这种方案的优点在于系统结构紧凑,可以实现复杂的测量与与控制,操作方便;缺点是调试过程复杂,成本较高。方案三:单片机与高精度温度传感器结合的方式。即用单片机完成人机界面,系统控制,信号分析处理,由前端温度传感器完成信号的采集与转换。这...

1、当您付费下载文档后,您只拥有了使用权限,并不意味着购买了版权,文档只能用于自身使用,不得用于其他商业用途(如 [转卖]进行直接盈利或[编辑后售卖]进行间接盈利)。
2、本站所有内容均由合作方或网友上传,本站不对文档的完整性、权威性及其观点立场正确性做任何保证或承诺!文档内容仅供研究参考,付费前请自行鉴别。
3、如文档内容存在违规,或者侵犯商业秘密、侵犯著作权等,请点击“违规举报”。

碎片内容

基于at89c51单片机生物培养液温度控制系统设计—-毕业论文设计

您可能关注的文档

领读文化+ 关注
实名认证
内容提供者

传播文化,铸就未来

确认删除?
VIP
微信客服
  • 扫码咨询
会员Q群
  • 会员专属群点击这里加入QQ群
客服邮箱
回到顶部