电脑桌面
添加小米粒文库到电脑桌面
安装后可以在桌面快捷访问

太阳能路灯照明设计方案VIP专享

太阳能路灯照明设计方案_第1页
1/4
太阳能路灯照明设计方案_第2页
2/4
太阳能路灯照明设计方案_第3页
3/4
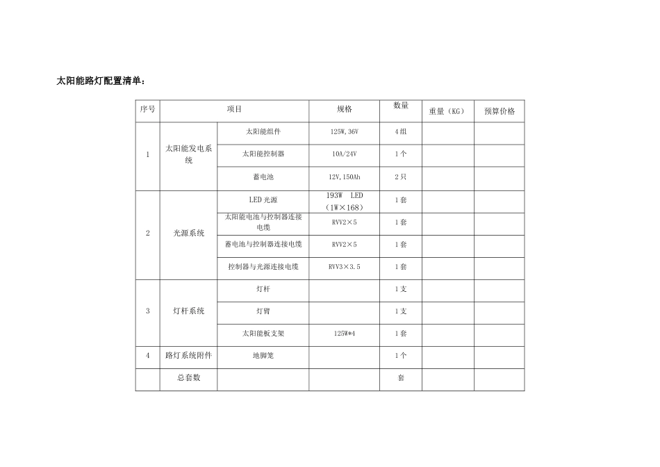
太阳能路灯照明设计方案1、设计阐明:1 、路灯亮灯时间为: 10 小时 / 天,前: 1 小时 30% 功率运行,中: 2 小时满功率运行,后 7 小时 30% 功率运行。 2 、持续 5 个阴雨天。 3、电池作地埋放置。4、整年日照时数 2200-2600h/y,对应日照峰值为 3.95H第三套方案太阳能路灯1、 蓄电池放后约 3.5 天能充斥。2、 每天蓄电池充电量约 1.6 度。3、 技术路线:太阳能电池—控制器—蓄电池—灯具4、 每天保证路灯照明所需电量约 0.8 度。接线如图所示:太阳能路灯配置清单:序号项目规格数量重量(KG)预算价格1太阳能发电系统太阳能组件125W,36V4 组太阳能控制器10A/24V1 个蓄电池12V,150Ah2 只2光源系统LED 光源193W LED(1W×168)1 套太阳能电池与控制器连接电缆RVV2×51 套蓄电池与控制器连接电缆RVV2×51 套控制器与光源连接电缆RVV3×3.51 套3灯杆系统灯杆1 支灯臂1 支太阳能板支架125W*41 套4路灯系统附件地脚笼1 个总套数套 四、投入产出: 1. 投入:初次投入设备清单; 1)、工程预算; 2)、建设期: 3)、总造价: 2.产出: 1)电费 2)维护费 3)新建路灯投入 4)国家补助:按总投入旳 30%计算 五、投资兴建 LED(简易可研) 六、风险: 1、技术难点 2、政策变化 3、人为风险 七、结论:

1、当您付费下载文档后,您只拥有了使用权限,并不意味着购买了版权,文档只能用于自身使用,不得用于其他商业用途(如 [转卖]进行直接盈利或[编辑后售卖]进行间接盈利)。
2、本站所有内容均由合作方或网友上传,本站不对文档的完整性、权威性及其观点立场正确性做任何保证或承诺!文档内容仅供研究参考,付费前请自行鉴别。
3、如文档内容存在违规,或者侵犯商业秘密、侵犯著作权等,请点击“违规举报”。

碎片内容

太阳能路灯照明设计方案

确认删除?
VIP
微信客服
  • 扫码咨询
会员Q群
  • 会员专属群点击这里加入QQ群
客服邮箱
回到顶部