电脑桌面
添加小米粒文库到电脑桌面
安装后可以在桌面快捷访问

室内层高开间净尺寸分户验收记录表

室内层高开间净尺寸分户验收记录表_第1页
1/7
室内层高开间净尺寸分户验收记录表_第2页
2/7
室内层高开间净尺寸分户验收记录表_第3页
3/7
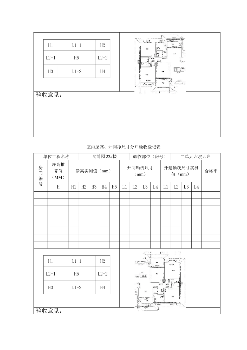
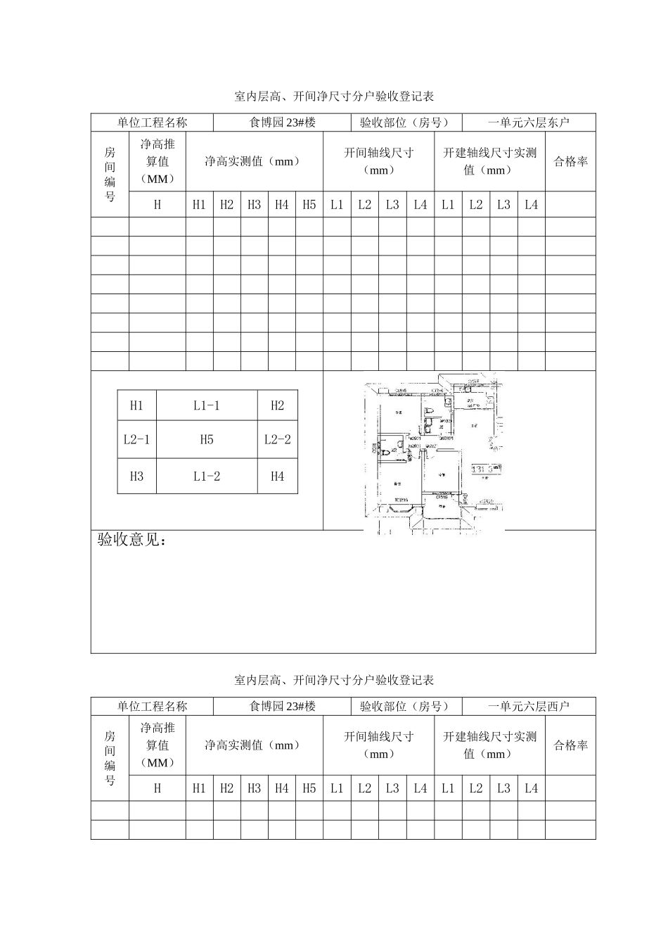
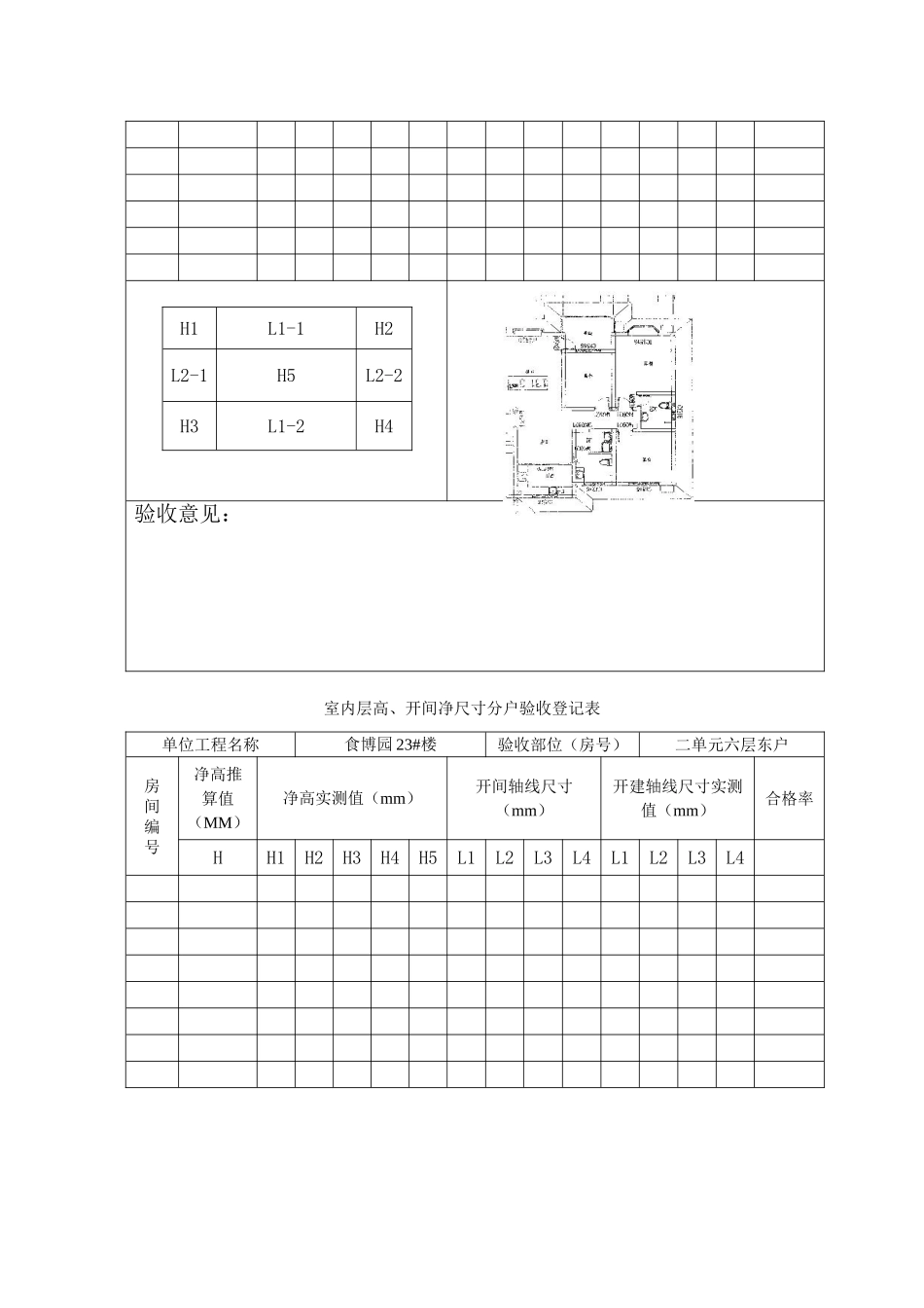
室内层高、开间净尺寸分户验收登记表单位工程名称食博园 23#楼验收部位(房号)一单元六层东户房 间 编 号净高推算值(MM)净高实测值(mm)开间轴线尺寸(mm)开建轴线尺寸实测值(mm)合格率HH1H2H3H4H5L1L2L3L4L1L2L3L4H1L1-1H2L2-1H5L2-2H3L1-2H4验收意见:室内层高、开间净尺寸分户验收登记表单位工程名称食博园 23#楼验收部位(房号)一单元六层西户房 间 编 号净高推算值(MM)净高实测值(mm)开间轴线尺寸(mm)开建轴线尺寸实测值(mm)合格率HH1H2H3H4H5L1L2L3L4L1L2L3L4H1L1-1H2L2-1H5L2-2H3L1-2H4验收意见:室内层高、开间净尺寸分户验收登记表单位工程名称食博园 23#楼验收部位(房号)二单元六层东户房 间 编 号净高推算值(MM)净高实测值(mm)开间轴线尺寸(mm)开建轴线尺寸实测值(mm)合格率HH1H2H3H4H5L1L2L3L4L1L2L3L4H1L1-1H2L2-1H5L2-2H3L1-2H4验收意见:室内层高、开间净尺寸分户验收登记表单位工程名称食博园 23#楼验收部位(房号)二单元六层西户房 间 编 号净高推算值(MM)净高实测值(mm)开间轴线尺寸(mm)开建轴线尺寸实测值(mm)合格率HH1H2H3H4H5L1L2L3L4L1L2L3L4H1L1-1H2L2-1H5L2-2H3L1-2H4验收意见:室内层高、开间净尺寸分户验收登记表单位工程名称食博园 23#楼验收部位(房号)三单元六层东户房 间 编 号净高推算值(MM)净高实测值(mm)开间轴线尺寸(mm)开建轴线尺寸实测值(mm)合格率HH1H2H3H4H5L1L2L3L4L1L2L3L4H1L1-1H2L2-1H5L2-2H3L1-2H4验收意见:室内层高、开间净尺寸分户验收登记表单位工程名称食博园 23#楼验收部位(房号)三单元六层西户房 间 编 号净高推算值(MM)净高实测值(mm)开间轴线尺寸(mm)开建轴线尺寸实测值(mm)合格率HH1H2H3H4H5L1L2L3L4L1L2L3L4H1L1-1H2L2-1H5L2-2H3L1-2H4验收意见:室内层高、开间净尺寸分户验收登记表单位工程名称食博园 23#楼验收部位(房号)四单元六层东户房 间 编 号净高推算值(MM)净高实测值(mm)开间轴线尺寸(mm)开建轴线尺寸实测值(mm)合格率HH1H2H3H4H5L1L2L3L4L1L2L3L4H1L1-1H2L2-1H5L2-2H3L1-2H4验收意见:室内层高、开间净尺寸分户验收登记表单位工程名称食博园 23#楼验收部位(房号)四单元六层西户房 间 编 号净高推算值(MM)净高实测值(mm)开间轴线尺寸(mm)开建轴线尺寸实测值(mm)合格率HH1H2H3H4H5L1L2L3L4L1L2L3L4H1L1-1H2L2-1H5L2-2H3L1-2H4验收意见:

1、当您付费下载文档后,您只拥有了使用权限,并不意味着购买了版权,文档只能用于自身使用,不得用于其他商业用途(如 [转卖]进行直接盈利或[编辑后售卖]进行间接盈利)。
2、本站所有内容均由合作方或网友上传,本站不对文档的完整性、权威性及其观点立场正确性做任何保证或承诺!文档内容仅供研究参考,付费前请自行鉴别。
3、如文档内容存在违规,或者侵犯商业秘密、侵犯著作权等,请点击“违规举报”。

碎片内容

室内层高开间净尺寸分户验收记录表

确认删除?
VIP
微信客服
  • 扫码咨询
会员Q群
  • 会员专属群点击这里加入QQ群
客服邮箱
回到顶部