电脑桌面
添加小米粒文库到电脑桌面
安装后可以在桌面快捷访问

成品检验规范

成品检验规范_第1页
1/8
成品检验规范_第2页
2/8
成品检验规范_第3页
3/8
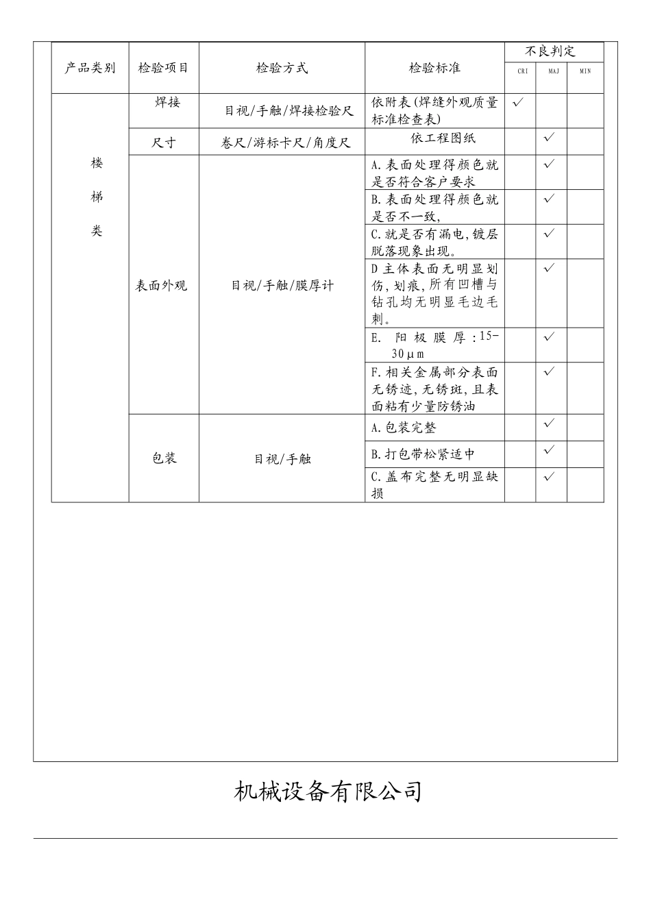
机械设备有限公司文件名称成品检验法律规范文件编号TY-W-012版本:B0制订部门品质部制订日期2011-5-4页数:共 8 页文件修订履历版本/版次修订日期修订内容A0 B02025/4/1新版文件发行。作业内容与检验水准更改核 准审 查制订文件发行章机械设备有限公司名 称成品检验法律规范编 号TY-W-012制定部门品质部版本BO制定日期2011/05/041. 目得: 针对本厂所生产之最终产品得检验作业加以法律规范,使检验条件与程序标准化。 2、适用范围: 公司生产得所有成品、产品。 3、 权责:品保部负责成品最终入库检验。4、作业内容:(见 3-9 页)5、成品入库之检验为全数检验,成品图纸与全检、5-1 零配加工件入库时之检验为抽样检验,按零配加工件件单独抽检。 5-1-1 零配加工件数量小于或等于 5pcs,抽样数量为全检、 5-1-2 零配加工件数量超过 5pcs,应进行首件检验、6、检验水准: 6-1 根据图纸与技术文件检验,依《产品质量检验标准》做为标准,若客户有自定检验标准与项目,则以客户规定检验之、 6-2 本检验法律规范与工程图面若有相互冲突者,以工程图面为准、7、检验方式一般规定与说明:7-1 检验方式一般采纳目视及手测、 7-2 检验中应根据明显部位与非明显部位作合理之推断、7-3 包装时,应按客户之具体要求进行包装,且入库放置时绝对不允许有倒置或大件压小件得情形发生、机械设备有限公司产品类别检验项目检验方式检验标准不良判定CRIMAJMIN楼 梯类焊接目视/手触/焊接检验尺依附表(焊缝外观质量标准检查表)√尺寸卷尺/游标卡尺/角度尺依工程图纸√表面外观目视/手触/膜厚计A.表面处理得颜色就是否符合客户要求√B.表面处理得颜色就是否不一致,√C.就是否有漏电,镀层脱落现象出现。√D 主体表面无明显划伤,划痕,所有凹槽与钻孔均无明显毛边毛刺。√E. 阳 极 膜 厚 :15-30μm√F.相关金属部分表面无锈迹,无锈斑,且表面粘有少量防锈油√包装目视/手触A.包装完整√B.打包带松紧适中√C.盖布完整无明显缺损√机械设备有限公司产品类别检验项目检验方式检验标准不良判定CRIMAJMIN扶 手类焊接目视/手触/焊接检验尺依附表(焊缝外观质量标准检查表)√尺寸卷尺/游标卡尺/角度尺依工程图纸√表面外观目视/手触/膜厚计A.表面处理得颜色就是否符合客户要求√B.表面处理得颜色就是否不一致,√C.就是否有漏电,镀脱落现象出现。√D 主体表面无明显划伤,划痕,所有凹槽与钻孔均无明显毛边毛刺。√F. 阳 极 膜 厚 :15-30μm√F.相关金属部分表...

1、当您付费下载文档后,您只拥有了使用权限,并不意味着购买了版权,文档只能用于自身使用,不得用于其他商业用途(如 [转卖]进行直接盈利或[编辑后售卖]进行间接盈利)。
2、本站所有内容均由合作方或网友上传,本站不对文档的完整性、权威性及其观点立场正确性做任何保证或承诺!文档内容仅供研究参考,付费前请自行鉴别。
3、如文档内容存在违规,或者侵犯商业秘密、侵犯著作权等,请点击“违规举报”。

碎片内容

成品检验规范

确认删除?
VIP
微信客服
  • 扫码咨询
会员Q群
  • 会员专属群点击这里加入QQ群
客服邮箱
回到顶部