电脑桌面
添加小米粒文库到电脑桌面
安装后可以在桌面快捷访问

穿线冬季施工方案

穿线冬季施工方案_第1页
1/5
穿线冬季施工方案_第2页
2/5
穿线冬季施工方案_第3页
3/5
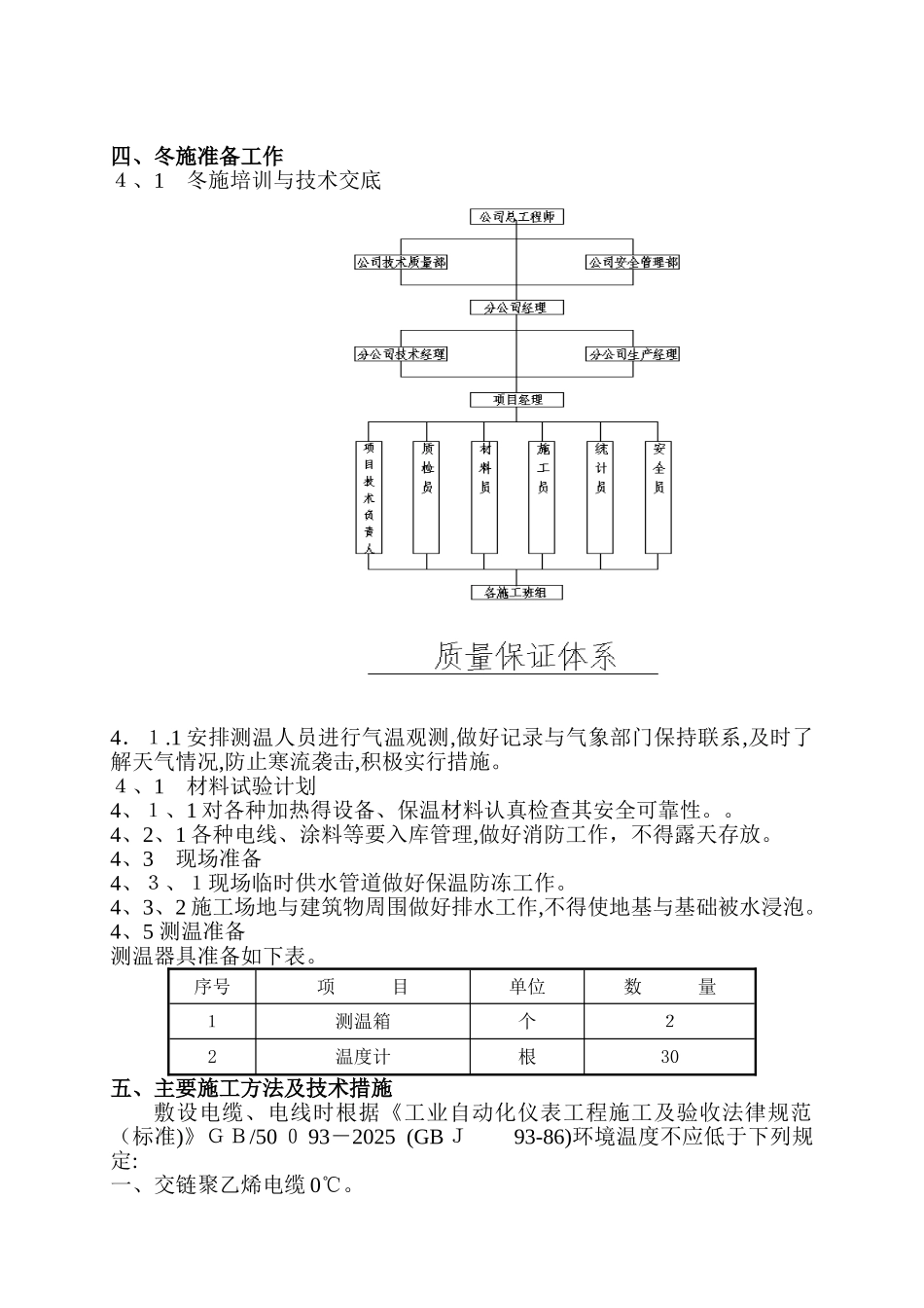
晋州欧景华庭 3、4#楼及车库工程冬季施工方案编制: 职称(职务) 审核: 职称(职务) 批准: 职称(职务) 石家庄三建建业集团有限公司晋州欧景华庭工程部2 014 年1 1 月目 录一、编制依据二、工程概况三、冬施安排四、冬施准备工作五、主要施工方法及技术措施六、各项管理措施一、编制依据1、1、3、4#楼及车库工程施工图纸1、2、3、4#楼及车库工程施工组织设计1、3、混凝土结构工程施工及验收法律规范 GB50204-20 021、4、建筑工程冬期施工规程 J GJ104-08二、工程概况2、1 总体简介2、2 工程地理位置:本工程位于晋州市朝阳路于仿唐街交叉口东南角。三、冬施安排3、1 施工组织3、11 冬施领导小组组 长:顾继仁副组长:郝凯组 员:张树琦、林双峰、辛飞宏、张康达、陈志超、张慧峰3、2 质量保证体系序号项 目内 容1工程名称晋州欧景华庭 3、4#楼及车库2建设单位河北锐拓房地产开发有限公司3设计单位河北亚瑞建筑设计有限公司4监理单位河北联谊建设工程监理有限公司5总建筑面积402 41.85m 26结构形式钢筋混凝土剪力墙结构、主楼范围筏板基础,车库为柱下独立基础7建筑层数主楼地上 1 8层,地下3层,车库地下 2 层8工期目标总工期 455 日历天9质量目标合格四、冬施准备工作4、1 冬施培训与技术交底4.1.1 安排测温人员进行气温观测,做好记录与气象部门保持联系,及时了解天气情况,防止寒流袭击,积极实行措施。4、1 材料试验计划4、1、1 对各种加热得设备、保温材料认真检查其安全可靠性。。4、2、1 各种电线、涂料等要入库管理,做好消防工作,不得露天存放。4、3 现场准备4、3、1现场临时供水管道做好保温防冻工作。4、3、2 施工场地与建筑物周围做好排水工作,不得使地基与基础被水浸泡。4、5 测温准备测温器具准备如下表。序号项 目单位数 量1测温箱个22温度计根30五、主要施工方法及技术措施敷设电缆、电线时根据《工业自动化仪表工程施工及验收法律规范(标准)》GB/50 0 93-2025 (GB J 93-86)环境温度不应低于下列规定: 一、交链聚乙烯电缆 0℃。 二、低压塑料电线-20℃。 三、橡皮及聚氯乙烯保护套橡皮绝缘电缆-15℃、 假如在不符合以上条件时,我施工方将实行把电缆整体移到具有足够空间得房屋内(屋内温度保证在 25℃左右)进行预热,待电缆温度达到并高于规定温度再进行快速敷设施工,且敷设时间不能太长,应控制在 4 小时之内(理想时间应该就是 1 0点至...

1、当您付费下载文档后,您只拥有了使用权限,并不意味着购买了版权,文档只能用于自身使用,不得用于其他商业用途(如 [转卖]进行直接盈利或[编辑后售卖]进行间接盈利)。
2、本站所有内容均由合作方或网友上传,本站不对文档的完整性、权威性及其观点立场正确性做任何保证或承诺!文档内容仅供研究参考,付费前请自行鉴别。
3、如文档内容存在违规,或者侵犯商业秘密、侵犯著作权等,请点击“违规举报”。

碎片内容

穿线冬季施工方案

MY shop+ 关注
实名认证
内容提供者

欢迎挑选适合自己的材料。

确认删除?
VIP
微信客服
  • 扫码咨询
会员Q群
  • 会员专属群点击这里加入QQ群
客服邮箱
回到顶部