电脑桌面
添加小米粒文库到电脑桌面
安装后可以在桌面快捷访问

试题题库-—锅炉运行值班员高级题库

试题题库-—锅炉运行值班员高级题库_第1页
1/88
试题题库-—锅炉运行值班员高级题库_第2页
2/88
试题题库-—锅炉运行值班员高级题库_第3页
3/88
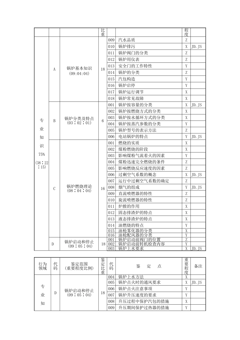
锅炉运行值班员中国石油天然气集团公司目 录第一部分 高级理论知识试题一、鉴定要素细目表二、理论知识试题第二部分 高级技能操作试题一、考试内容层次结构表二、鉴定要素细目表三、技能操作试题鉴定要素细目表行业:石油天然气 工种:锅炉运行值班员 等级:高级工 鉴定方式:知识行为领域代码鉴定范围(重要程度比例)鉴定比重代码鉴 定 点重要程度备注基础知识25%(13∶08∶05)A热工学(08∶04∶03)15001热能的概念X002能的概念XJD.JS003常用温度计的种类X004各种温度计的测温范围Z005工质中压力的概念XJD.JS006工质的状态参数YJD.JS007热容量的概念YJD.JS008理想气体的概念Z009理想气体的基本热力过程X010饱和温度与饱和压力的关系Y011水蒸汽的状态ZJD.JS012饱和水的概念X013过热蒸汽的概念X014汽化潜热的概念X015凝聚热的概念YB传热学基本知识(03:02:01)6001传热的方式X002物质导热过程Y003物质对流换热X004物质辐射换热Y005影响传热因素X006换热器的分类Z C转动机械知识(02:02:01)5001力的概念X002功的概念Y003功率的概念X004能量转换Y005常用国际单位Z专业知识75%(38∶22∶15)A锅炉基本知识(09:05:04)18001锅炉的特性参数X002锅炉热平衡XJD.JS003锅炉热损失X004水冷壁工作特性X005过热器工作特性X006再热器工作特性Y007省煤器的分类Y008水循环的特性XJD.JS行为领域代码鉴定范围(重要程度比例)鉴定代码鉴 定 点重要备注比重程度专业知识75%(38∶22∶15)A锅炉基本知识(09:04:04)18009汽水品质Z010锅炉排污XJD.JS011锅炉阀门的分类Z012锅炉用仪表Z013安全门的工作特性Y014锅炉的分类Z015汽包构造Y016锅炉启停Y017锅炉运行调节X018锅炉常见故障XB锅炉分类及特点(03∶02∶01)6001锅炉按容量的分类XJD.JS002锅炉按燃烧方式的分类X003锅炉按水循环方式的分类X004锅炉按蒸汽参数的分类Y005锅炉型号的表示方法Z006电站锅炉的特点YJD.JSC锅炉燃烧理论(08∶04∶04)16001燃烧的实质X002煤粉燃烧的阶段X003影响煤粉气流着火的因素Y004煤粉迅速完全燃烧的条件Z005影响燃烧反应速度的因素Z006过剩空气系数的概念XJD.JS007运行中过剩空气系数的确定Z008烟气的组成YJD.JS009直流喷燃器的特性Z010旋流喷燃器的特性Z011炉膛的作用X012固态排渣炉的特点X013液态排渣炉的特点X014油燃烧的特点Y015油枪雾化器的分类X016油枪配风器的分类YD锅炉启动和停止(09∶05∶04)18001锅炉启动前阀门的位置Z002锅炉启动前转机检查内容Y003锅炉上水要求XJD.JS行为领域代码...

1、当您付费下载文档后,您只拥有了使用权限,并不意味着购买了版权,文档只能用于自身使用,不得用于其他商业用途(如 [转卖]进行直接盈利或[编辑后售卖]进行间接盈利)。
2、本站所有内容均由合作方或网友上传,本站不对文档的完整性、权威性及其观点立场正确性做任何保证或承诺!文档内容仅供研究参考,付费前请自行鉴别。
3、如文档内容存在违规,或者侵犯商业秘密、侵犯著作权等,请点击“违规举报”。

碎片内容

试题题库-—锅炉运行值班员高级题库

您可能关注的文档

确认删除?
VIP
微信客服
  • 扫码咨询
会员Q群
  • 会员专属群点击这里加入QQ群
客服邮箱
回到顶部