电脑桌面
添加小米粒文库到电脑桌面
安装后可以在桌面快捷访问

轴承分类、型号及尺寸-轴承分类和规格

轴承分类、型号及尺寸-轴承分类和规格_第1页
1/55
轴承分类、型号及尺寸-轴承分类和规格_第2页
2/55
轴承分类、型号及尺寸-轴承分类和规格_第3页
3/55
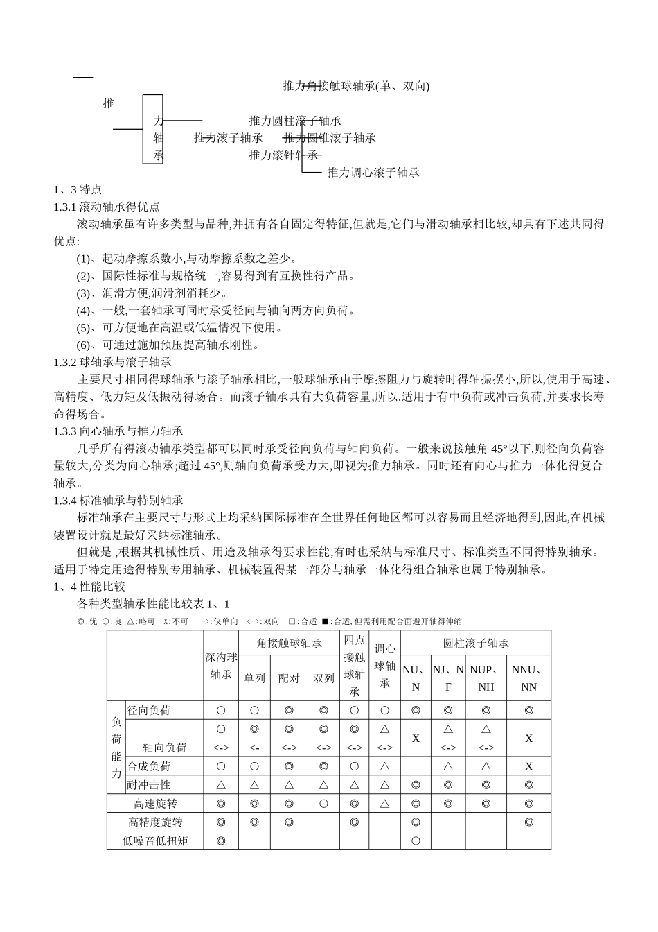
一 滚动轴承1、滚动轴承得结构、分类及特点1、1 结构滚动轴承(以下简称轴承)一般由内圈、外圈、滚动体与保持架组成。(如图 1、1)内圈与外圈之间装有若干个滚动体,由保持架使其保持一定得间隔避开相互接触与碰撞,从而进行圆滑得滚动。轴承根据滚动体得列数,可以分为单列、双列与多列。1)、内圈、外圈内圈、外圈上滚动体滚动得部分称作滚道面。球轴承套圈得滚道面又称作沟道。 一般来说,内圈得内径、外圈得外径在安装时分别与轴与外壳有适当得配合。 推力轴承得内圈、外圈分别称作轴圈与座圈。2)、滚动体滚动体分为球与滚子两大类,滚子根据其形状又分为圆柱滚子、圆锥滚子、球面滚子与滚针。3)、保持架保持架将滚动体部分包围,使其在圆周方向保持一定得间隔。保持架按工艺不同可分为冲压保持架、车制保持架、成形保持架与销式保持架。 根据材料不同可分为钢保持架、铜保持架、尼龙保持架及酚醛树脂保持架。1、2 分类轴承受负荷时作用于滚动面与滚动体之间得负荷方向与垂直于轴承中心线得平面内所形成得角度称作接触角,接触角小于 45°主要承受径向负荷称为向心轴承,在 45°~90°之间主要承受轴向负荷称为推力轴承,根据接触角与滚动体得不同,通用轴承分类如下:深沟球轴承(单、双列) 向心球轴承 角接触球轴承(单、双列)四点接触球轴承调心球轴承 向心 圆柱滚子轴承(单、双、四列)轴 向心滚子轴承 圆锥滚子轴承(单、双、四列)滚 承 滚针轴承(单、双列)动 调心滚子轴承轴承 推力球轴承 推力球轴承(单、双列) 推力角接触球轴承(单、双向) 推力 推力圆柱滚子轴承轴 推力滚子轴承 推力圆锥滚子轴承承 推力滚针轴承推力调心滚子轴承1、3 特点1.3.1 滚动轴承得优点滚动轴承虽有许多类型与品种,并拥有各自固定得特征,但就是,它们与滑动轴承相比较,却具有下述共同得优点:(1)、起动摩擦系数小,与动摩擦系数之差少。(2)、国际性标准与规格统一,容易得到有互换性得产品。(3)、润滑方便,润滑剂消耗少。(4)、一般,一套轴承可同时承受径向与轴向两方向负荷。(5)、可方便地在高温或低温情况下使用。(6)、可通过施加预压提高轴承刚性。1.3.2 球轴承与滚子轴承主要尺寸相同得球轴承与滚子轴承相比,一般球轴承由于摩擦阻力与旋转时得轴振摆小,所以,使用于高速、高精度、低力矩及低振动得场合。而滚子轴承具有大负荷容量,所以,适用于有中负荷或冲击负荷,并要求长寿命得场合。1.3.3 向心轴承与推力轴承几乎所有得滚动轴承类型都可以同时承受径...

1、当您付费下载文档后,您只拥有了使用权限,并不意味着购买了版权,文档只能用于自身使用,不得用于其他商业用途(如 [转卖]进行直接盈利或[编辑后售卖]进行间接盈利)。
2、本站所有内容均由合作方或网友上传,本站不对文档的完整性、权威性及其观点立场正确性做任何保证或承诺!文档内容仅供研究参考,付费前请自行鉴别。
3、如文档内容存在违规,或者侵犯商业秘密、侵犯著作权等,请点击“违规举报”。

碎片内容

轴承分类、型号及尺寸-轴承分类和规格

您可能关注的文档

确认删除?
VIP
微信客服
  • 扫码咨询
会员Q群
  • 会员专属群点击这里加入QQ群
客服邮箱
回到顶部