电脑桌面
添加小米粒文库到电脑桌面
安装后可以在桌面快捷访问

锚栓抗拔试验

锚栓抗拔试验_第1页
1/3
锚栓抗拔试验_第2页
2/3
锚栓抗拔试验_第3页
3/3
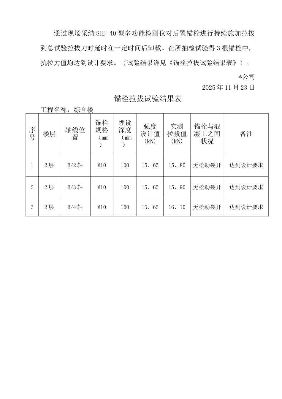
工程质量检测报告编号:桂沿建 2025-号工程项目名称: 工 程 地 点: 检 测 日 期: 2025 年 11 月 23 日公司资质证书编号:2025 年 11 月 23 日委托单位: 设计单位: 施工单位: 检测单位:主要检测人 (上岗证号: ) (上岗证号: )报告编写:报告校对:报告审核:报告审定:声明:1、报告无骑缝章及检测报告专用章无效; 2、复印无效; 3、报告无检测人员,编写,校核,审定人签名无效; 4、报告涂改无效; 5、对检测报告若有异议,应于收到报告之日起十五日内向检测单位提出书面申诉,否则按认可检测报告处理。检测单位地址:邮 政 编 码 : 电 话 :目 录一、 概述二、 试验设备三、 试验内容四、 试验结果与结论附表:锚栓拉拔试验结果表综合楼锚栓拉拔检测试验报告一、 概述 综合楼位于*处,该工程由*建设,由设计,由公司负责施工。B/2~B/4 轴三根屋面梁砼设计强度为 C30,现场检测混凝土强度值为 C20,达不到设计要求,因此需要进行加固处理,本工程采纳外粘钢板加固,在钢板与混凝土之间采纳后埋置锚栓锚固。本加固工程由公司施工。为了检查后埋置锚栓锚固质量,受得委托,公司选派工程技术人员于 2025 年 11 月 23日对该综合楼后埋置锚栓进行现场抗拔试验。检测结果如下:二、 试验设备本次试验设备采纳公司生产得 SHJ-40 型多功能检测仪进行检测,该仪器经计量检定合格且在有效检定周期内,检定证号:力值字第 号。三、 检验内容根据委托方要求,本次对综合楼所埋置得 3 根 A10 锚栓进行抗拉拔现场试验检测,三个试验点位置由委托方及监理人员现场随机选定,具体检测情况详见附表《锚栓拉拔试验结果表》。本工程锚栓拉拔力试验按《混凝土结构设计法律规范》(GB50010-2025)、《混凝土结构后锚固技术规程》(JGJ145-2025)与《混凝土结构加固设计法律规范》(GB50367-2025)等有关法律规范进行,按锚栓得强度设计值 15、65kN、采纳连续加载法进行抗拉拔力试验。本次试验加荷达到设计要求后,然后恒载 2 分钟再卸载至零。四、 试验结果与结论通过现场采纳 SHJ-40 型多功能检测仪对后置锚栓进行持续施加拉拔到总试验拉拔力时延时在一定时间后卸载。在所抽检试验得 3 根锚栓中,抗拉力值均达到设计要求。(试验结果详见《锚栓拉拔试验结果表》)。*公司2025 年 11 月 23 日 锚栓拉拔试验结果表工程名称:综合楼序号楼层轴线位置锚栓规格(mm)埋设深度(m...

1、当您付费下载文档后,您只拥有了使用权限,并不意味着购买了版权,文档只能用于自身使用,不得用于其他商业用途(如 [转卖]进行直接盈利或[编辑后售卖]进行间接盈利)。
2、本站所有内容均由合作方或网友上传,本站不对文档的完整性、权威性及其观点立场正确性做任何保证或承诺!文档内容仅供研究参考,付费前请自行鉴别。
3、如文档内容存在违规,或者侵犯商业秘密、侵犯著作权等,请点击“违规举报”。

碎片内容

锚栓抗拔试验

确认删除?
VIP
微信客服
  • 扫码咨询
会员Q群
  • 会员专属群点击这里加入QQ群
客服邮箱
回到顶部