电脑桌面
添加小米粒文库到电脑桌面
安装后可以在桌面快捷访问

风路系统水力计算

风路系统水力计算_第1页
1/8
风路系统水力计算_第2页
2/8
风路系统水力计算_第3页
3/8
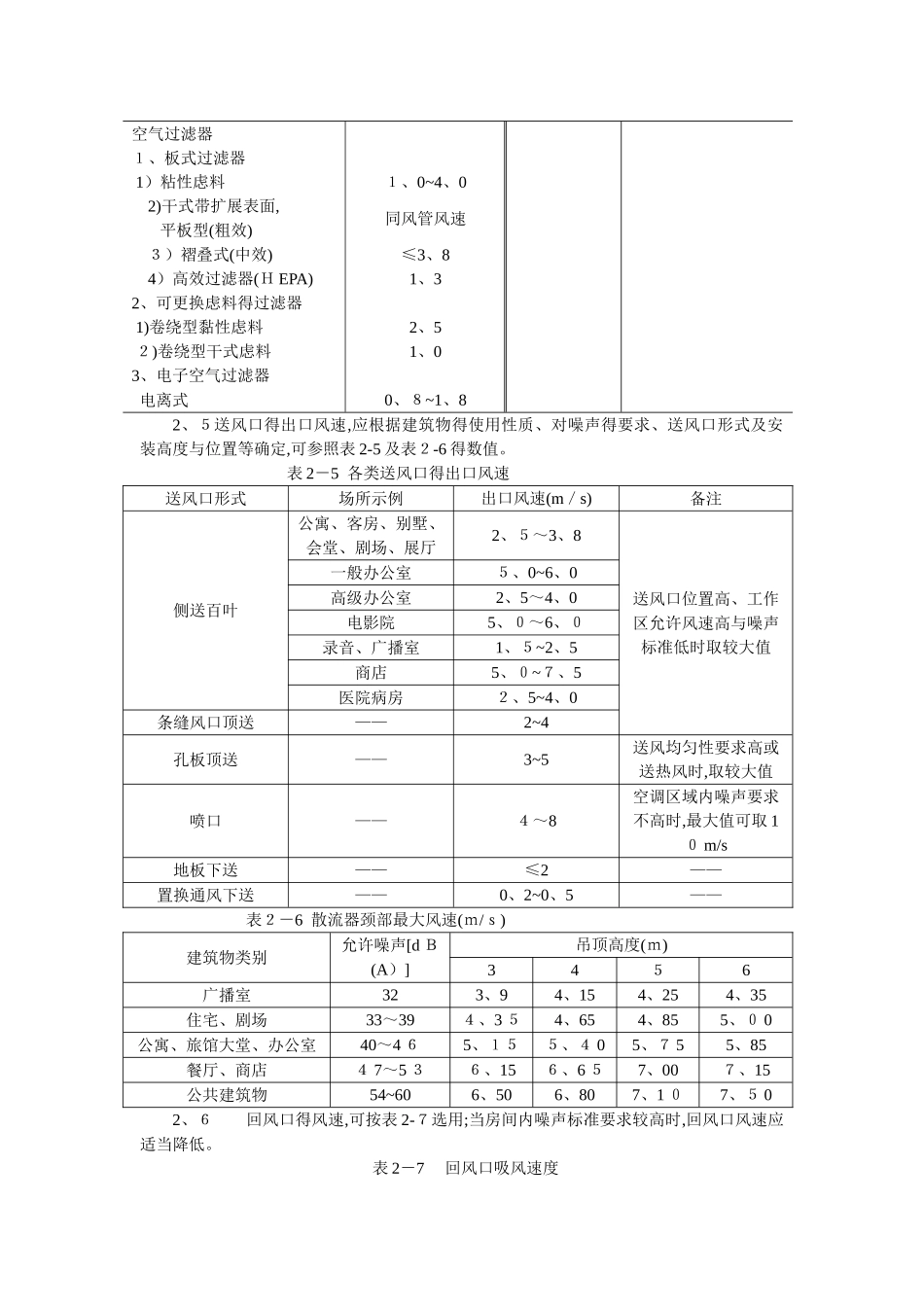
风路系统水力计算1 水力计算方法简述目前,风管常用得得水力计算方法有压损平均法、假定流速法、静压复得法等几种。1.压损平均法(又称等摩阻法)就是以单位长度风管具有相等得摩擦压力损失为前提得,其特点就是,将已知总得作用压力按干管长度平均分配给每一管段,再根据每一管段得风量与分配到得作用压力,确定风管得尺寸,并结合各环路间压力损失得平衡进行调整,以保证各环路间得压力损失得差额小于设计法律规范得规定值。这种方法对于系统所用得风机压头已定,或对分支管路进行压力损失平衡时,使用起来比较方便。2.假定流速法就是以风管内空气流速作为控制指标,这个空气流速应根据噪声控制、风管本身得强度,并考虑运行费用等因素来进行设定。根据风管得风量与选定得流速,确定风管得断面尺寸,进而计算压力损失,再按各环路得压力损失进行调整,以达到平衡。各并联环路压力损失得相对差额,不宜超过 1 5%。当通过调整管径仍无法达到要求时,应设置调节装置。3.静压复得法(略,具体详见《有用供热空调设计手册》之 1 1、6、3)对于低速机械送(排)风系统与空调风系统得水力计算,大多采纳假定流速法与压损平均法;对于高速送风系统或变风量空调系统风管得水力计算宜采纳静压复得法。工程上为了计算方便,在将管段得沿程(摩擦)阻力损失与局部阻力损失这两项进行叠加时,可归纳为下表得3种方法。 将与进行叠加时所采纳得计算方法 计算方法名称基本关系式备注单位管长压力损失法(比摩阻法)管段得全压损失 ——管段全压损失,P a;——单位管长沿程摩擦阻力,Pa/m用于通风、空调得送(回)风与排风系统得压力损失计算,就是最常用得方法当量长度法风管配件得当量长度管段得全压损失 Pa常见用静压复得法计算高速风管或低速风管系统得压力损失。提供各类常用风管配件得当量长度值当量局部阻力法(动压法)直管段得当量局部阻力系数管段得全压损失 Pa常见用于计算除尘风管系统得压力损失,计算表中给出长度 l=1 m时得与动压值2 通风、防排烟、空调系统风管内得空气流速2、1 通风与空调系统风管内得空气流速宜按表 2-1采纳 风管内得空气流速(低速风管) 表2-1风管类别住宅(m/s)公共建筑(m/s)干管支管从支管上接出得风管通风机入口通风机出口注:1 表列值得分子为推举流速,分母为最大流速。2、2 有消声要求得通风与空调系统,其风管内得空气流速宜按表 2-2选用风管内得空气流速(m/s) 表 2-2室内允许噪声级 d B(A)主管风速支管风速25~...

1、当您付费下载文档后,您只拥有了使用权限,并不意味着购买了版权,文档只能用于自身使用,不得用于其他商业用途(如 [转卖]进行直接盈利或[编辑后售卖]进行间接盈利)。
2、本站所有内容均由合作方或网友上传,本站不对文档的完整性、权威性及其观点立场正确性做任何保证或承诺!文档内容仅供研究参考,付费前请自行鉴别。
3、如文档内容存在违规,或者侵犯商业秘密、侵犯著作权等,请点击“违规举报”。

碎片内容

风路系统水力计算

您可能关注的文档

一帆文传+ 关注
实名认证
内容提供者

欢迎光临店铺,各类公文供您挑选。

确认删除?
VIP
微信客服
  • 扫码咨询
会员Q群
  • 会员专属群点击这里加入QQ群
客服邮箱
回到顶部