电脑桌面
添加小米粒文库到电脑桌面
安装后可以在桌面快捷访问

C137生产用煤采购、使用管理规定

C137生产用煤采购、使用管理规定_第1页
1/3
C137生产用煤采购、使用管理规定_第2页
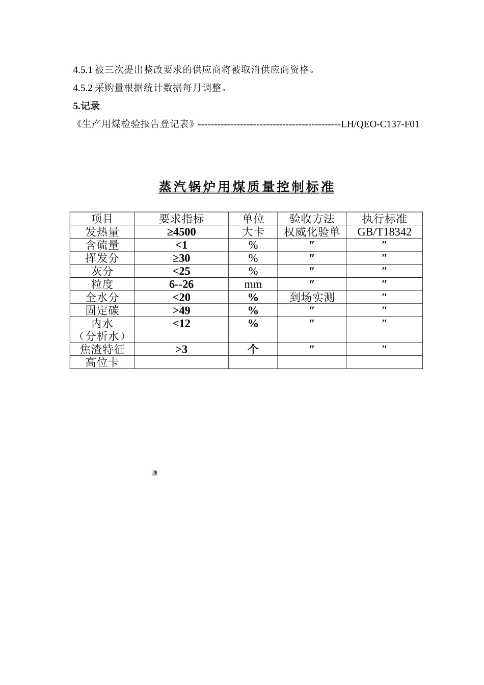
2/3
C137生产用煤采购、使用管理规定_第3页
3/3
生产用煤采购、使用规定1.目的为进一步法律规范锅炉用煤管理,保证生产、取暖用汽,降低消耗,特制定本规定。2.范围适用于力华公司采购的煤炭及供应商。3.职责供销部负责煤炭的采购、市场调研、供应商管理;质管部负责煤的质量管理和留样及送检;工程部负责蒸汽量统计;生产部负责制定煤炭需求计划和煤量统计。4.程序4.1 煤的采购4.1.1 供应部全面调查煤的市场价格,并跟踪,每星期记录一次。4.1.2 经主管领导批准后,选取两家煤炭公司作为供应商,采购量根据价格、质量、服务质量确定。4.2 煤的质量要求4.2.1 煤的采购按企业用煤质量标准执行。4.2.2 要求供应商每批煤提供检验单。4.3 煤的接收4.3.1 由供销部根据煤采购计划和使用情况通知送煤。4.3.2 煤到后,供销部通知仓库接收,仓库负责过磅并记录数据,过磅需两人在场,一人操作一人复核,在接收单上签字。手续完成后作入库处理。4.3.3 检验室负责定期抽查取样、留样,每周一次,并定期送检。4.4 煤的使用4.4.1 生产部负责每天煤使用量、存量的统计。4.4.2 锅炉工段用煤履行仓库领用手续,要本着节约的原则用煤,并记录煤的使用量4.4.3 工程部负责每天蒸汽产生量、使用量的统计。4.4.4 各项数据每周汇总一次报主管领导。4.5 供应商的管理4.5.1 被三次提出整改要求的供应商将被取消供应商资格。4.5.2 采购量根据统计数据每月调整。5.记录《生产用煤检验报告登记表》--------------------------------------------LH/QEO-C137-F01蒸汽锅炉用煤质量控制标 准 项目要求指标单位验收方法执行标准发热量≥4500大卡权威化验单GB/T18342含硫量<1%″″挥发分≥30%″″灰分<25%″″粒度6--26mm″″全水分<20%到场实测″固定碳>49%″″内水(分析水)<12%″″焦渣特征>3个″″高位卡2025 年读书节活动方案一、 活动目的:书是人类的朋友,书是人类进步的阶梯!为了拓宽学生的知识面,通过开展“和书交朋友,遨游知识大海洋”系列读书活动,激发学生读书的兴趣,让每一个学生都想读书、爱读书、会读书,从小养成热爱书籍,博览群书的好习惯,并在读书实践活动中陶冶情操,猎取真知,树立理想! 二、活动目标: 1、通过活动,建立起以学校班级、个人为主的班级图书角和个人小书库。 2、通过活动,在校园内形成热爱读书的良好风气。 3、通过活动,使学生养成博览群书的好习惯。4、通过活动,促进学生知识更新、思维活跃、综合实践能力的提高。 三、活动实施的计划 1、 做...

1、当您付费下载文档后,您只拥有了使用权限,并不意味着购买了版权,文档只能用于自身使用,不得用于其他商业用途(如 [转卖]进行直接盈利或[编辑后售卖]进行间接盈利)。
2、本站所有内容均由合作方或网友上传,本站不对文档的完整性、权威性及其观点立场正确性做任何保证或承诺!文档内容仅供研究参考,付费前请自行鉴别。
3、如文档内容存在违规,或者侵犯商业秘密、侵犯著作权等,请点击“违规举报”。

碎片内容

C137生产用煤采购、使用管理规定

确认删除?
VIP
微信客服
  • 扫码咨询
会员Q群
  • 会员专属群点击这里加入QQ群
客服邮箱
回到顶部