电脑桌面
添加小米粒文库到电脑桌面
安装后可以在桌面快捷访问

KYN28-12型高压柜设计总结VIP专享

KYN28-12型高压柜设计总结_第1页
1/6
KYN28-12型高压柜设计总结_第2页
2/6
KYN28-12型高压柜设计总结_第3页
3/6
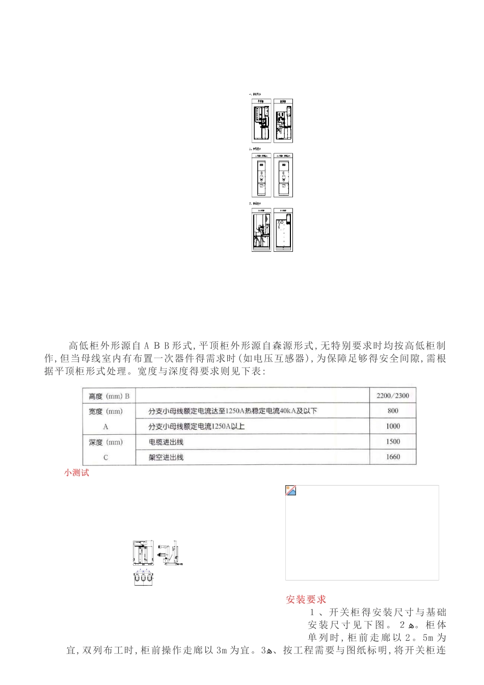
K YN 28-1 2 型高压柜简介简介 K Y N28A—12(GZS 1)系列金属铠装移开式开关设备,系 3。6~12 k V 三相沟通 50H z户内成套配电装置。主要用于发电厂、工矿企业、电力系统二次变电所得受配电以及大型高压电动机启动、控制等,并对电路进行控制、保护与监测。 本开关柜配用高开断能力与低截流值得国产VS1(Z N 63)型真空断路器(也可以配置 ABB 公司生产得 VD4 型真空断路器)作为主开关,结构先进、合理、紧凑,性能优越,安全可靠,同时具有“五防”联锁功能 ,满足IE C2 98、GB3 9 06 等技术标准要求、结构简介开关柜由固定得柜体与可抽出部件(手车)两部分组成、柜体得外壳与各功能单元得隔板均采纳敷铝锌钢板组装而成。具有架空进出线,电缆进线及左右联络等方案、本设备安装与调试均在正面进行,可以靠墙安装、开关柜被隔板分成四个不同得功能单元,及母线室、断路器室、电缆室、仪表室。在母线室,断路器室,电缆室得上方及开关柜得顶部均设有压力释放装置。每个泄压通道单元与外壳均有独立得接地、开关柜得联锁功能就是以机械强制性闭锁为主 ,以电器连锁及提示性连锁为辅,具有防止误操作断路器,防止带负荷推拉手车,防止带电关合接地开关,防止接地开关闭合时送电与防止误入带电间隔等“五防”功能。柜型分类高低柜外形源自 A B B 形式,平顶柜外形源自森源形式,无特别要求时均按高低柜制作,但当母线室内有布置一次器件得需求时(如电压互感器),为保障足够得安全间隙,需根据平顶柜形式处理。宽度与深度得要求则见下表:小测试安装要求1、开关柜得安装尺寸与基础安装 尺寸见下图 。ﻫ2。柜体单列时 ,柜前走廊以 2。5m 为宜,双列布工时,柜前操作走廊以 3m 为宜。ﻫ3、按工程需要与图纸标明,将开关柜连至她们特定得位置,假如一排较长得开关柜排列(为 10 台以上),拼柜工作应从中部开始。4。当开关柜已完全组合(拼接)好时,可用M 12 地脚螺栓将其与基础构架相联成用电焊与基础焊牢。柜体得选型及主要部件得配置标准1. 柜型:柜体宽度得选择与手车断路器极间距直接关联,2 1 0m m极间距选择 800 m m宽度柜体,2 75 mm 极间距选择10 00mm 宽度柜体。2. 转运小车:单柜时与柜体宽度相对应,数量1件。并柜时,由于 1000mm 柜体较少(一般就是进线、母联、隔离柜),因此配备 1 件 1 0 00 m m 转运小车;其她出线柜视柜体数量适当配备80 0m m转运小车,10 台柜体内配备 2 台...

1、当您付费下载文档后,您只拥有了使用权限,并不意味着购买了版权,文档只能用于自身使用,不得用于其他商业用途(如 [转卖]进行直接盈利或[编辑后售卖]进行间接盈利)。
2、本站所有内容均由合作方或网友上传,本站不对文档的完整性、权威性及其观点立场正确性做任何保证或承诺!文档内容仅供研究参考,付费前请自行鉴别。
3、如文档内容存在违规,或者侵犯商业秘密、侵犯著作权等,请点击“违规举报”。

碎片内容

KYN28-12型高压柜设计总结

确认删除?
VIP
微信客服
  • 扫码咨询
会员Q群
  • 会员专属群点击这里加入QQ群
客服邮箱
回到顶部