电脑桌面
添加小米粒文库到电脑桌面
安装后可以在桌面快捷访问

一甲胺水溶液安全技术说明书

一甲胺水溶液安全技术说明书_第1页
1/1
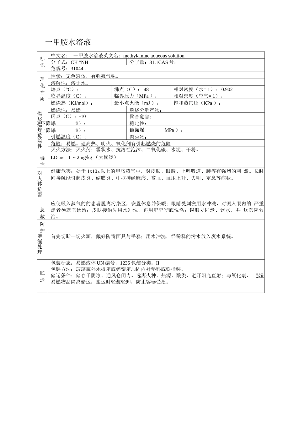
一甲胺水溶液标 识中文名: 一甲胺水溶液英文名:methylamine aqueous solution分子式:CH °NH。分子量:31.1CAS 号:危规号:31044 -理 化 性 质性状:无色液体,有强氨气味。溶解性:溶于水。熔点(°C):沸点(C): 48相对密度(水= 1): 0.902临界温度(C):临界压力(MPa ):相对密度(空气= 1):燃烧热(KJ/mol):最小点火能(mJ ):饱和蒸汽压(KPa ):燃烧爆炸危险性燃烧性:易燃燃烧分解产物:闪点(C):-10聚合危害:爆炸下限(%):稳定性:爆炸上限(%):最大爆炸压力(MPa ):引燃温度(C):禁忌物:危险特性:易燃。遇高热、明火、氧化剂有引起燃烧的危险。灭火方法:灭火剂:雾状水、抗溶性泡沫、二氧化碳、水泥、干粉。毒 性LD 50: 1 〜2mg/kg (大鼠经)对人体危害健康危害:处于 1x10-6以上的甲胺蒸气中,对皮肤、眼睛、上呼吸道、肺等有强烈的刺 激。长时间接触能引起皮炎、结膜炎、中枢神经麻痹、贫血、血压上升、失明、窒息等症状。急 救应使吸入蒸气的的患者脱离污染区,安置休息并保暖;眼睛受刺激用水冲洗,对溅入眼内的 严重患者须就医诊治;皮肤接触先用水冲洗,再用肥皂彻底洗涤;误服立即漱、饮水,并 送医院救治。防护泄漏处理首先切断一切火源,戴好防毒面具与手套;用水冲洗,经稀释的污水放入废水系统。贮运包装标志:易燃液体 UN 编号:1235 包装分类:II包装方法:玻璃瓶外木板箱或钙塑箱加固内衬垫料或铁桶装。储运条件:储存于阴凉、通风仓间内。远离火种、热源、酸类,避开阳光直射;与氧化剂、 遇湿易燃物品隔离储运;搬运时轻装轻卸,防止容器受损。

1、当您付费下载文档后,您只拥有了使用权限,并不意味着购买了版权,文档只能用于自身使用,不得用于其他商业用途(如 [转卖]进行直接盈利或[编辑后售卖]进行间接盈利)。
2、本站所有内容均由合作方或网友上传,本站不对文档的完整性、权威性及其观点立场正确性做任何保证或承诺!文档内容仅供研究参考,付费前请自行鉴别。
3、如文档内容存在违规,或者侵犯商业秘密、侵犯著作权等,请点击“违规举报”。

碎片内容

一甲胺水溶液安全技术说明书

您可能关注的文档

津创媒+ 关注
实名认证
内容提供者

欢迎交流文创,小店资料希望满足您的需要。

确认删除?
VIP
微信客服
  • 扫码咨询
会员Q群
  • 会员专属群点击这里加入QQ群
客服邮箱
回到顶部