第 3 节 沉淀溶解平衡本节教材分析(1)三维目标【知识与技能】⑴知道难溶电解质在水中存在溶解情况,并能结合实例进行描述。 ⑵能够运...
第 3 章 物质在水溶液中的行为《第 4 节 离子反应》核心知识点及知识点解读一、离子反应发生的条件 如果离子之间结合能生成沉淀、弱...
《化学反应原理》第三章 第 4 节 离子反应教学设想一、教材分析和教学设想第四节是本模块教材的最后一节,以溶液中的各种离子反应为载...
第 3 节 沉淀溶解平衡本节教材分析(1)三维目标【知识与技能】⑴知道难溶电解质在水中存在溶解情况,并能结合实例进行描述。⑵能够运用...
第 2 课时 溶液的酸碱性与 pH [课标要求]1.了解溶液的酸碱性与溶液中[H+]和[OH-]的关系。2.知道 pH 的定义,了解溶液的酸碱性与...
第 1 节 水溶液第 1 课时 水的电离及电解质在水溶液中的存在形态 [课标要求]1.理解水的电离过程以及水的离子积常数的含义,并能应...
第 1 节 水溶液本节教材分析(1)三维目标1、知识与技能(1)理解水的电离、水的电离平衡和水的离子积。(2)使学生了解溶液的酸碱性和...
乙醇在工业,医药,民用等方面,都有很广泛的应用,是一种很重要的原料。在很多方面,要求乙醇有不同的纯度,有时要求纯度很高,甚至是无水...
“酸碱盐在水溶液中得电离”教学设计一、教材分析酸碱盐在水溶液中得电离就是人教版高中化学必修一第二章第二节得第一课时得内容,本章第一...
课 程 设 计 说 明 书 武 汉 工 程 大 学 化工与制药学院课程设计说明书课题名称 专业班级 学生学号 学生姓名 学生成绩 ...
第三章水溶液中的离子平衡一、弱电解质的电离1、定义:电解质:在水溶液中或熔化状态下能导电的化合物,叫电解质.非电解质:在水溶液中或熔...
第三章 水溶液中得离子平衡一、弱电解质得电离 1、定义:电解质: 在水溶液中或熔化状态下能导电得化合物,叫电解质 。非电解质 : 在水...
【弱电解质在水溶液中得电离平衡】【电离平衡概念】一定条件(温度、浓度)下,分子电离成离子得速率与离子结合成分子得速率相等,溶液中各分子...
化学品安全技术说明书产品名称:三甲胺水溶液沧州临港友谊化工有限公司二 0 一二年十二月化学品安全技术说明书第一部分 化学品及企业标识...
一甲胺水溶液标 识中文名: 一甲胺水溶液英文名:methylamine aqueous solution分子式:CH °NH。分子量:31.1CAS 号:危规号:31044...
第 8 章 水溶液中的离子平衡(五) 水溶液中的四大常数及其应用[核心整合归纳]1.“四大常数”比较表达式电离常数(Ka或 Kb)(1)弱酸 HA...
水溶液图像题的突破方法命题分析:水溶液中的图像能把抽象的溶液中平衡理论形象地表述出来,借助图形可以更直观地认识到外界条件对溶液中离...
第 7 章 物质在水溶液中的行为 (五) 水溶液中的四大常数及其应用[核心整合归纳]1.“四大常数”比较表达式电离常数(Ka或 Kb)(1)弱酸...
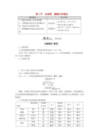
第 1 节 水溶液 酸碱中和滴定课标解读要点网络1.了解水的电离,离子积常数。2.了解溶液 pH 的定义及其测定方法。能进行 pH 的简单...
第八章 物质在水溶液中的行为第一节 水溶液考纲点击1.了解水的电离、离子积常数、影响水电离平衡的因素。2.了解溶液的 pH 的定义。3...

