电脑桌面
添加小米粒文库到电脑桌面
安装后可以在桌面快捷访问

三跨连续刚构桥 ansys 计算书

三跨连续刚构桥 ansys 计算书_第1页
1/13
三跨连续刚构桥 ansys 计算书_第2页
2/13
三跨连续刚构桥 ansys 计算书_第3页
3/13
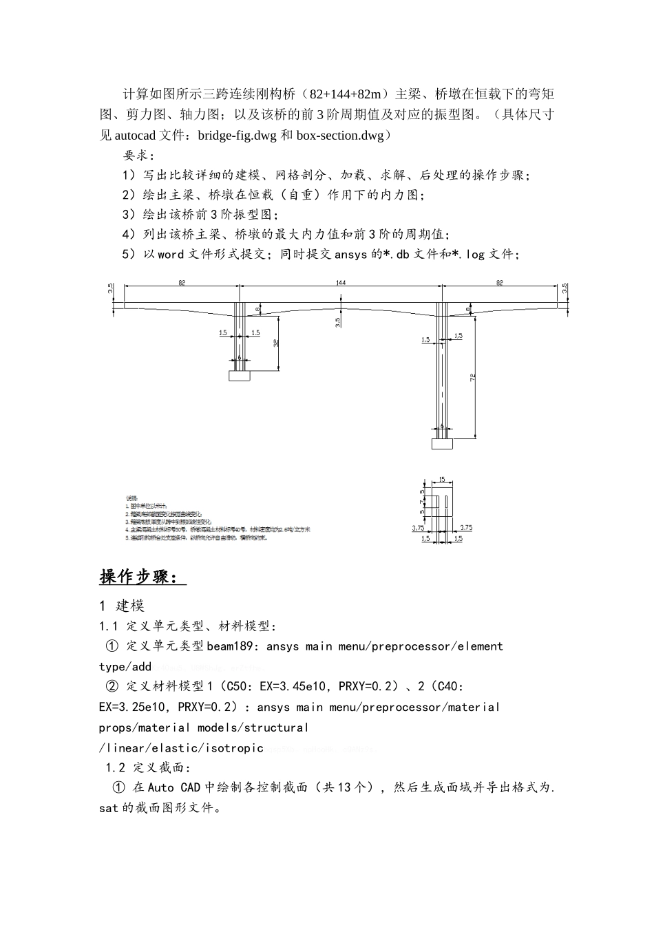
计算如图所示三跨连续刚构桥(82+144+82m)主梁、桥墩在恒载下的弯矩图、剪力图、轴力图;以及该桥的前 3 阶周期值及对应的振型图。(具体尺寸见 autocad 文件:bridge-fig.dwg 和 box-section.dwg)要求:1)写出比较详细的建模、网格剖分、加载、求解、后处理的操作步骤;2)绘出主梁、桥墩在恒载(自重)作用下的内力图;3)绘出该桥前 3 阶振型图;4)列出该桥主梁、桥墩的最大内力值和前 3 阶的周期值;5)以 word 文件形式提交;同时提交 ansys 的*.db 文件和*.log 文件;操作步骤:1 建模1.1 定义单元类型、材料模型:① 定义单元类型 beam189:ansys main menu/preprocessor/element type/addKz40au5。U8MShJg。erZtfhe。② 定义材料模型 1(C50:EX=3.45e10,PRXY=0.2)、2(C40:EX=3.25e10,PRXY=0.2):ansys main menu/preprocessor/material props/material models/structural /linear/elastic/isotropicbqsp5Xb。npHcoHk。cQANz9s。1.2 定义截面:① 在 Auto CAD 中绘制各控制截面(共 13 个),然后生成面域并导出格式为.sat 的截面图形文件。② 在 ANSYS 中导入上一步生成的.sat 文件:ansys utility menu/③ 定义截面内单元尺寸或单元分割数:ansys main menu/preprocessor/meshing/ size cntrls/manualsize/lines/all lines/SIZE=0.1q9P1DfB。tkQUQGw。E5hNBGq。④ 将各梁截面分别写为.sect 格式文件:ansys main menu/preprocessor/sections/ beam/custom sections/write from areasA6gNRUE。BsJzh5g。YvIZ6b0。⑤ 读取上一步生成的.sect 文件为截面:ansys main menu/preprocessor/sections/ beam/custom sections/read sect mesh/Section ID Number=1~13tdNg7NE。35ho5Fg。hTOxdFf。⑥ 建立单个薄壁桥墩的截面:ansys main menu/preprocessor/sections/beam/ common sections/ Section ID Number=14rCXNmsO。8uLn5UN。mFNPBv1。1.3 建立几何模型以跨中位置桥面上的中点为原点,以纵桥向为 x 轴、横桥向为 z 轴、竖直向上为 y 轴建立坐标系。① 在 Auto CAD 中查询各截面特性,将各截面形心坐标填入下表中:截面号12345678910111213y 坐标-4.0811-3.8834-3.4636-3.0845-2.7457-2.4465-2.1862-1.9636-1.7773-1.6255-1.5062-1.4169-1.3551z 坐标0000000000000 ② 在 Auto CAD 中确定纵桥向各关键点所对应的 x 坐标和截面号,...

1、当您付费下载文档后,您只拥有了使用权限,并不意味着购买了版权,文档只能用于自身使用,不得用于其他商业用途(如 [转卖]进行直接盈利或[编辑后售卖]进行间接盈利)。
2、本站所有内容均由合作方或网友上传,本站不对文档的完整性、权威性及其观点立场正确性做任何保证或承诺!文档内容仅供研究参考,付费前请自行鉴别。
3、如文档内容存在违规,或者侵犯商业秘密、侵犯著作权等,请点击“违规举报”。

碎片内容

三跨连续刚构桥 ansys 计算书

一二三四传媒+ 关注
实名认证
内容提供者

大量资料供您选择,没有合适的可以联系小二。

确认删除?
VIP
微信客服
  • 扫码咨询
会员Q群
  • 会员专属群点击这里加入QQ群
客服邮箱
回到顶部