电脑桌面
添加小米粒文库到电脑桌面
安装后可以在桌面快捷访问

专科《材料力学》-试卷-答案

专科《材料力学》-试卷-答案_第1页
1/10
专科《材料力学》-试卷-答案_第2页
2/10
专科《材料力学》-试卷-答案_第3页
3/10
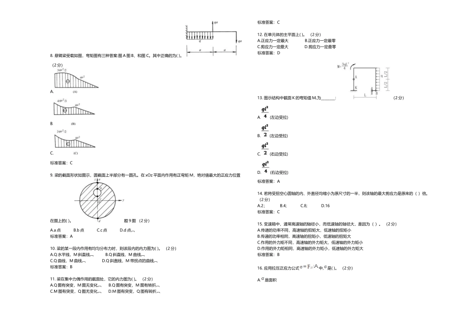
专科《材料力学》_试卷_答案(9 页)Good is good, but better carries it.精益求精,善益求善。专科《材料力学》一、 (共 75 题,共 150 分)1. 在集中力作用处剪力图()。 (2 分)A.发生转折 B.发生突变 C.无影响 D.发生弯曲 .标准答案:B2. 厚壁玻璃杯因沸水倒入而发生破裂,裂纹起始于( ) (2 分)A.内壁B.外壁C.壁厚中间D.内外壁同时.标准答案:B3. 杆 AF、BE、CD、EF 相互铰接,并支承,如题 3 图所示。今在 AF 杆上作用一力偶(F、F′),若不计各杆自重,则 A 支座处反力的作用线( )。 题 3 图 (2 分)A.过 A 点平行于力 F; B.过 A 点平行于 BG 连线; C.沿 AG 直线; D.沿 AH 直线。 .标准答案:B4. 根据梁的正应力强度条件,梁的合理截面形状应满足的条件是( )。 (2 分)A.W/A 越小越好 B.W/A 越大越好 C.W/A=1 D.W/A=2 .标准答案:B5. 下面四个轴向拉压杆件中哪个杆件的轴力图不正确?( ) (2 分)A.B.C.D..标准答案:B6. 下列结论哪些是错误的__________: (2 分)A.构件的强度表示构件抵抗破坏的能力,B.构件的刚度表示构件抵抗变形的能力,C.构件的稳定性表示构件维持其原有平衡形式的能力,D.构件的强度、刚度和稳定性愈高愈好。.标准答案:D7. 等截面圆轴上装有四个皮带轮,则四种方案中最合理方案为( )。 (2 分)A.将 C 轮与 D 轮对调;B.将 B 轮与 D 轮对调;C.将 B 轮与 C 轮对调;D.将 B 轮与 D 轮对调,然后再将 B 轮与 C 轮对调。.标准答案:A8. 悬臂梁受载如图,弯矩图有三种答案:图 A 图 B、和图 C。其中正确的为( )。 (2 分)A.B.C..标准答案:C9. 梁的截面形状如图示,圆截面上半部分有一圆孔。在 xOz 平面内作用有正弯矩 M,绝对值最大的正应力位置在图上的( )。 题 9 图 (2 分)A.a 点 B.b 点 C.c 点 D.d 点 .标准答案:A10. 梁的某一段内作用有均匀分布力时,则该段内的内力图为( )。 (2 分)A.Q 水平线,M 斜直线 B.Q 斜直线,M 曲线 C.Q 曲线,M 曲线 D.Q 斜直线,M 带拐点的曲线 .标准答案:B11. 梁在集中力偶作用的截面处,它的内力图为( )。 (2 分)A.Q 图有突变,M 图无变化 B.Q 图有突变,M 图有转折 C.M 图有突变,Q 图无变化 D.M 图有突变,Q 图有转折 .标准答案:C12. 在单元体的主平面上( )。 (2 分)A....

1、当您付费下载文档后,您只拥有了使用权限,并不意味着购买了版权,文档只能用于自身使用,不得用于其他商业用途(如 [转卖]进行直接盈利或[编辑后售卖]进行间接盈利)。
2、本站所有内容均由合作方或网友上传,本站不对文档的完整性、权威性及其观点立场正确性做任何保证或承诺!文档内容仅供研究参考,付费前请自行鉴别。
3、如文档内容存在违规,或者侵犯商业秘密、侵犯著作权等,请点击“违规举报”。

碎片内容

专科《材料力学》-试卷-答案

确认删除?
VIP
微信客服
  • 扫码咨询
会员Q群
  • 会员专属群点击这里加入QQ群
客服邮箱
回到顶部