电脑桌面
添加小米粒文库到电脑桌面
安装后可以在桌面快捷访问

供应商评价报告

供应商评价报告_第1页
1/4
供应商评价报告_第2页
2/4
供应商评价报告_第3页
3/4
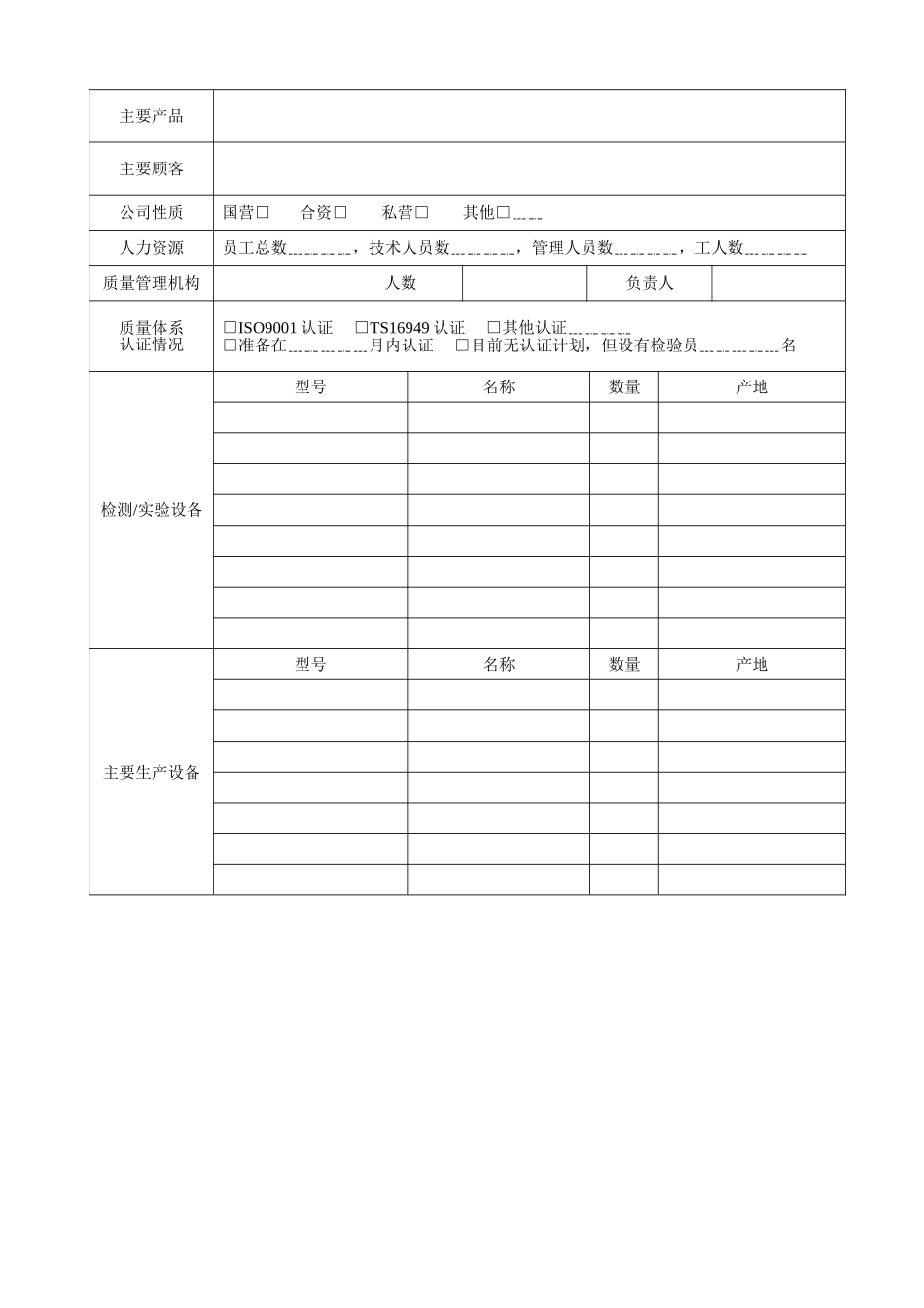
供 应 商 评 价 报 告供应商名称:供应商地址:审核结论: A 级( ≥90 分) □B 级( ≥75 分) □ C 级( ≥60 分) □D 级( <60 分) □ 审核覆盖产品:是否关键重要件:□ 是 □ 否审核日期:审核组长:审核组成员:供应商代表: 审核/日期: 批准/日期:供应商基本资料表供应商名称建厂日期供应商地址邮政编码联系电话/传真电话: 传真:法人代表网址/邮箱网址: 邮箱:联系人主要产品主要顾客公司性质国营□ 合资□ 私营□ 其他□﹍﹎ 人力资源员工总数﹍﹎﹎﹎,技术人员数﹍﹎﹎﹎,管理人员数﹍﹎﹎﹎,工人数﹍﹎﹎﹎质量管理机构人数负责人质量体系 认证情况□ISO9001 认证 □TS16949 认证 □其他认证﹍﹎﹎﹎□准备在﹍﹎﹍﹎﹍月内认证 □目前无认证计划,但设有检验员﹍﹎﹍﹎﹍名检测/实验设备型号名称数量产地主要生产设备型号名称数量产地供应商评价表评价项目评价内容差一般合格优秀得分0123一、质量 管理体系1.是否通过了 ISO9001 及其它质量体系或产品认证,是否有认证计划?2. 组织机构和职责是否明确,是否有组织架构图及岗位说明书?3. 是否有独立于生产的质量管理部门,是否有专职的检验人员?4.公司是否制定了质量方针和质量目标并进行宣贯,员工是否理解?二、设计和开发1.是否已具有顾客对产品的要求?图纸、标准2.是否已计划/已具备项目开展所需的人员与技术的必要条件?人员素养、开发工具、设备仪器3.是否有程序法律规范新产品开发、设计评审及试产的总结?4. 是否已具备各阶段所要求的认可证明?如样品检验、试生产、工装设备的认可5.产品和工艺设计变更是否经过批准?6.是否具有开发产品所需的性能、可靠性、耐久性试验方面的能力?相关试验设备三、文件控制1.是否有明确的技术资料管理流程,确保技术性文件得到有效控制?2.有无图纸资料、工艺文件的更改规定及实施的相关记录?3.文件管理是否法律规范,文件资料在需要时是否易于得到?四、人员培训1.是否有培训计划,实施情况如何?相关记录2.新员工或换岗员工是否经过培训?3.特别岗位的操作人员是否得到适当的培训?是否有相关培训记录?五、原材料控制1.是否有进料检验流程、检验指导书及检验记录?2.原材料标识是否具有可追溯性,防止混装,先进先出?3.仓库物料是否干净,标识清楚,帐物卡相符?4. 是否有不合格物料控制程序,对来料不合格是否有处理记录?5.是否有合适的储存原材料的地方,防止原材料的破坏?6....

1、当您付费下载文档后,您只拥有了使用权限,并不意味着购买了版权,文档只能用于自身使用,不得用于其他商业用途(如 [转卖]进行直接盈利或[编辑后售卖]进行间接盈利)。
2、本站所有内容均由合作方或网友上传,本站不对文档的完整性、权威性及其观点立场正确性做任何保证或承诺!文档内容仅供研究参考,付费前请自行鉴别。
3、如文档内容存在违规,或者侵犯商业秘密、侵犯著作权等,请点击“违规举报”。

碎片内容

供应商评价报告

确认删除?
VIP
微信客服
  • 扫码咨询
会员Q群
  • 会员专属群点击这里加入QQ群
客服邮箱
回到顶部