电脑桌面
添加小米粒文库到电脑桌面
安装后可以在桌面快捷访问

光缆施工技术要求

光缆施工技术要求_第1页
1/5
光缆施工技术要求_第2页
2/5
光缆施工技术要求_第3页
3/5
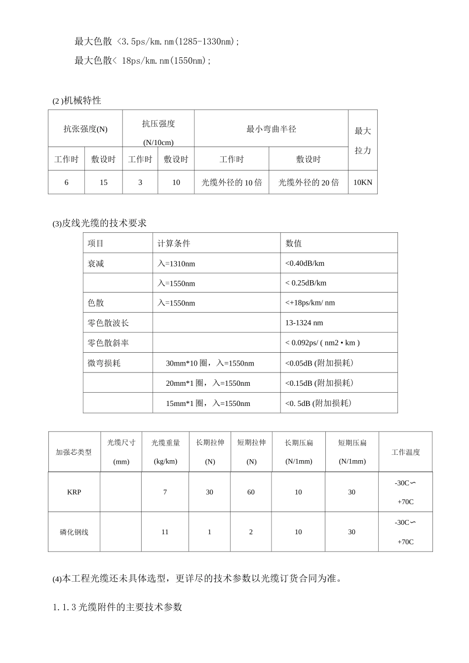
光缆施工技术要求1.1.1 光缆敷设安装及施工要求(1)一般要求施工方法:本工程设计光缆实行人工敷设。架空光缆敷设不应在挂钩内拖放,施工中应在电杆吊在线挂滑轮拖放,以减少光缆承受的应力和损伤光缆护层。光缆接续:采纳专用接头盒,管道光缆与架空光缆接续时,接头盒应安装在人孔内。光缆接续作电气连接。光纤接续:按相同序号熔接。光纤接头衰减:一个中继段内平均值不大于 0.08dB/个。光缆敷设安装应符合《电信网光纤数字元传输系统工程施工及验收暂行技术规定》。(2)架空光缆本工程设计采纳挂钩吊挂,挂钩程式采纳 25mm 挂钩。光缆预留吊挂在接头盒两侧四线担和吊在线。(3)管道光缆管道光缆接头盒应安装在手孔内常年积水水位以上。(4)引上光缆引上光缆采纳 3. 5m 长*5 0mm 镀锌钢管保护,管内穿放 1 根塑料子管,塑料子管直至光缆与吊线绑扎处。(5)局内光缆局内光缆根据现有铁架和走线架方式安装。进局光缆应在孔洞处采纳防火封堵。局内光缆不改变规格,采纳 PVC 塑料标志带包扎。局内光缆应有识别标志,以与其它光缆区别。光缆在垂直上升段应分段(段长不大于 1 米)绑扎。局内光缆成端在 ODF(ODU)上。(6)皮线光缆皮线光缆的规格、程式应符合设计规定,光纤技术指标应符合设计文件及技术法律规范书的要求。皮线光缆的路由走向应符合设计文件的规定,在地下室、弱电通道井、楼道顶棚内敷设时,应采纳 1 的 PVC 管或 1(的波纹管作保护用管,且绑扎牢固,松紧适度,绑扎间距不宜大于 1.5 米,绑扎间距应均匀,做到横平竖直,无扭绞,跨越障碍物时不得有托磨现象。皮线光缆两端的余留长度应统一并且符合工艺要求,皮线光缆拐弯处的曲率半径应不小于 40mm。皮线光缆在客户端成端后冷接子应固定在相应机架或终端盒内,终端盒应固定牢固且美观,便于尾纤的接出。皮线光缆在光纤分配箱侧应有统一、清楚的标识。标识内容及制作应符合工程设计或建设单位的要求。(7)光缆预留光缆接头盒每侧预留 8 米,架空光缆 8-10 米预留 16 米。转弯杆,坡度变更大于 2.5%的电杆、跨越杆、直 杆 8 根以上每 5 根电杆光缆在杆上做下垂 25cm 的预留,并套包长度不小于 90cm 的纵剖 PVC 软塑管保护。局内光缆不考虑预留。敷设的光缆应挂详尽的标牌,光缆标牌应有光缆程式、编号、局向、纤芯号等内容。1.1.2 光缆技术参数(1) 主要技术参数衰减 < 0.36dB/km(1310nm);衰减 < 0.22dB/km(1550nm);模场直...

1、当您付费下载文档后,您只拥有了使用权限,并不意味着购买了版权,文档只能用于自身使用,不得用于其他商业用途(如 [转卖]进行直接盈利或[编辑后售卖]进行间接盈利)。
2、本站所有内容均由合作方或网友上传,本站不对文档的完整性、权威性及其观点立场正确性做任何保证或承诺!文档内容仅供研究参考,付费前请自行鉴别。
3、如文档内容存在违规,或者侵犯商业秘密、侵犯著作权等,请点击“违规举报”。

碎片内容

光缆施工技术要求

确认删除?
VIP
微信客服
  • 扫码咨询
会员Q群
  • 会员专属群点击这里加入QQ群
客服邮箱
回到顶部