电脑桌面
添加小米粒文库到电脑桌面
安装后可以在桌面快捷访问

变压器油实验报告

变压器油实验报告_第1页
1/7
变压器油实验报告_第2页
2/7
变压器油实验报告_第3页
3/7
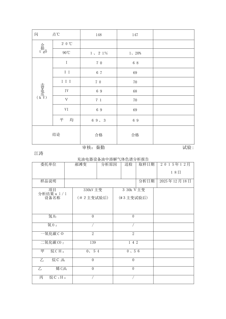
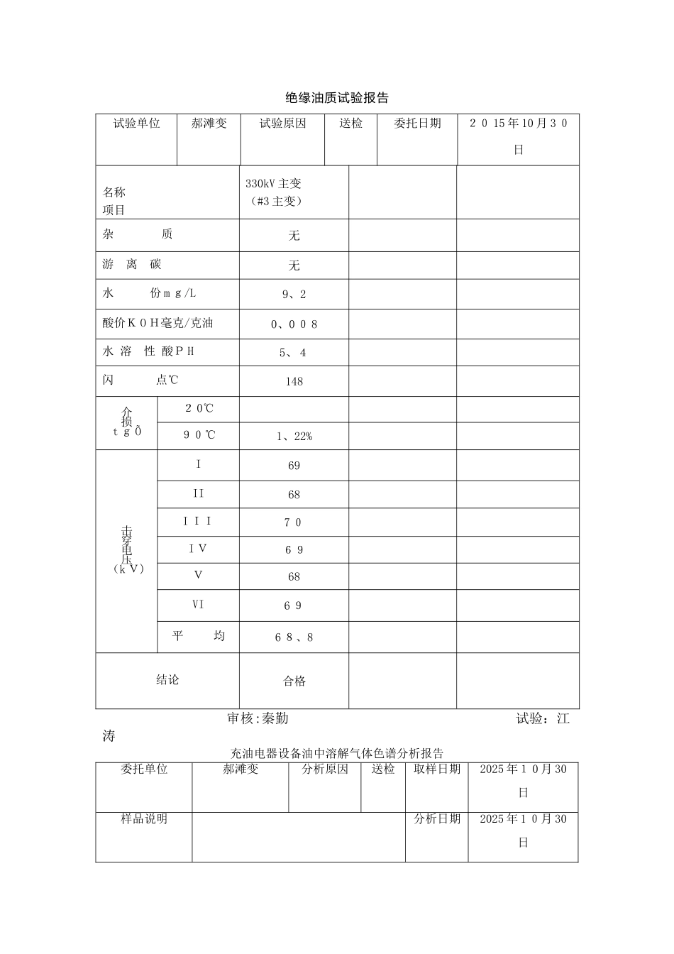
绝缘油质试验报告试验单位郝滩变试验原因送检委托日期20 15 年 10 月 3 0日 名称项目330kV 主变(#3 主变) 杂 质无 游 离 碳无 水 份 m g/L9、2 酸价K O H毫克/克油0、0 0 8 水 溶 性 酸P H5、4 闪 点℃148 介损t g Õ2 0℃90℃1、22%击穿电压(k V)I69 II68 I II7 0 I V69 V68 VI6 9 平 均6 8、8 结论合格 审核:秦勤 试验:江涛充油电器设备油中溶解气体色谱分析报告委托单位郝滩变分析原因送检取样日期2025 年1 0 月 30日样品说明分析日期2025 年 1 0月 30日项目分析结果u l/l设备名称330 k V 主变(#3 主变)氢 H 20氧 O 2/一氧化碳 C O2二氧化碳 CO21 4 1甲 烷C H40、56乙 烷 C2H60乙 烯 C2H40丙 烷 C3H 8/乙 炔C 2H20丙 烯 C3H6/总 烃(C 1+C 2)0、56结论正常备注 审核:秦勤 试验:江涛绝缘油质试验报告试验单位郝滩变试验原因送检委托日期2 015 年 12 月 19 日 名称项目3 3 0kV 主变(#2主变试验后)330kV 主变(#3 主变试验后)杂 质无无游 离 碳无无水 份 mg/L9、19、2酸价 KOH 毫克/克油0、0080、0 0 8水 溶 性 酸 PH5、45、4闪 点℃148147介损t gÕ20℃90℃1、2 1%1、20%击穿电压(k V)I7 06 8I I6 769I II7 070IV6 968V7170VI6 969平 均69、36 9结论合格合格 审核:秦勤 试验:江涛充油电器设备油中溶解气体色谱分析报告委托单位郝滩变分析原因送检取样日期2 01 5 年1 2 月1 8 日样品说明分析日期2025 年 12 月 18 日项目分析结果u l/l设备名称330kV 主变(#2主变试验后)3 30k V主变(#3主变试验后)氢 H200氧 O 2//一氧化碳 C O22二氧化碳 CO 21391 4 2甲 烷 C H40、5 40、5 6乙 烷C 2H600乙 烯 C2H400丙 烷C 3H 8//乙 炔 C 2H200丙 烯 C3H 6//总 烃(C 1+C 2)0、540、56结论正常正常备注 审核:秦勤 试验:江涛绝缘油质试验报告试验单位郝滩变试验原因送检委托日期2025 年 10 月 30 日 名称项目330k V主变( #3 主 变 有 载 调压注油后)ABC杂 质无无无游 离 碳无无无水 份mg/L9、89、29、5酸价 KO H毫克/克油0、0 0 60、0 080、0 0 8水 溶 性 酸P H5、45、45、4闪 点℃1 4414414 4介损t...

1、当您付费下载文档后,您只拥有了使用权限,并不意味着购买了版权,文档只能用于自身使用,不得用于其他商业用途(如 [转卖]进行直接盈利或[编辑后售卖]进行间接盈利)。
2、本站所有内容均由合作方或网友上传,本站不对文档的完整性、权威性及其观点立场正确性做任何保证或承诺!文档内容仅供研究参考,付费前请自行鉴别。
3、如文档内容存在违规,或者侵犯商业秘密、侵犯著作权等,请点击“违规举报”。

碎片内容

变压器油实验报告

确认删除?
VIP
微信客服
  • 扫码咨询
会员Q群
  • 会员专属群点击这里加入QQ群
客服邮箱
回到顶部