电脑桌面
添加小米粒文库到电脑桌面
安装后可以在桌面快捷访问

墙面干挂石材施工工艺设计标准

墙面干挂石材施工工艺设计标准_第1页
1/14
墙面干挂石材施工工艺设计标准_第2页
2/14
墙面干挂石材施工工艺设计标准_第3页
3/14
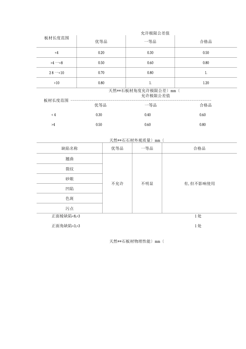
墙面干挂石材施工工艺标准1 施工准备1.1 技术准备编 制 室 内 、 外 墙 面 干 挂 石 材 饰 面 板 装 饰 工 程 施 工 方 案 , 并 对 工 人 进 行 书 面 技术及安全交底.1.2 材料准备< 1 > 石 材 : 根 据 设 计 要 求 , 确 定 石 材 的 品 种 、 颜 色 、 花 纹 和 尺 寸 规 格 , 并 严 格控 制 、 检 查 其 抗 折 、 抗 拉 及 抗 压 强 度 , 吸 水 率 、 耐 冻 融 循 环 等 性 能 . 花 岗 岩 板 材 的弯曲强度应经法定检测机构检测确定.< 2 > 合 成 树 脂 胶 粘 剂 : 用 于 粘 贴 石 材 背 面 的 柔 性 背 衬 材 料 , 要 求 具 有 防 水 和 耐老化性能.< 3 > 用 于 干 挂 石 材 挂 件 与 石 材 间 粘 结 固 定 , 用 双 组 份 环 氧 型 胶 粘 剂 , 按 固 化 速度分为快固型<K>和普通型<P>.<4>中性硅酮耐候密封胶,应进行粘合力的试验和相容性试验.<5>玻璃纤维网格布:石材的背衬材料.<6>防水胶泥:用于密封连接件.<7>防污胶条:用于石材边缘防止污染.<8>嵌缝膏:用于嵌填石材接缝.<9>罩面涂料:用于**石表面防风化、防污染.< 10 > 不 锈 钢 紧 固 件 、 连 接 件 应 按 同 一 种 类 构 件 的 5% 进 行 抽 样 检 查 , 且 每 种 构件不少于 5 件.< 11 > 膨 胀 螺 栓 、 连 接 铁 件 、 连 接 不 锈 钢 针 等 配 套 的 铁 垫 板 、 垫 圈 、 螺 帽 及 与骨架固定的各种设计和安装所需要的连接件的质量,必须符合要求.材料质量要求见表 7.5.1.2-l8.天然**石板材规格尺寸允许偏差〕mm〔允许极限公差值板材长度范围优等品一等品合格品<40.200.300.50>4 一<80.500.600.802 8 一<100.700.801.>100.801.1.20天然**石板材角度允许极限公差〕mm〔允许极限公差值板材长度范围 ------------------------------------------------------------------优等品一等品合格品< 40.300.400.60>40.500.600.80天然**石石材外观质量〕mm〔缺陷名称优等品一等品合格品翘曲不允许不明显有,但不影响使用裂纹砂眼凹陷色斑污点正面棱缺陷<8,<31 处正面角缺陷<3,<31 处天然**石板材物理性能〕mm〔化学主要成分含量,%镜面光泽度,光泽单位氧化钙氧化镁二氧化钙灼烧减量优等品一等...

1、当您付费下载文档后,您只拥有了使用权限,并不意味着购买了版权,文档只能用于自身使用,不得用于其他商业用途(如 [转卖]进行直接盈利或[编辑后售卖]进行间接盈利)。
2、本站所有内容均由合作方或网友上传,本站不对文档的完整性、权威性及其观点立场正确性做任何保证或承诺!文档内容仅供研究参考,付费前请自行鉴别。
3、如文档内容存在违规,或者侵犯商业秘密、侵犯著作权等,请点击“违规举报”。

碎片内容

墙面干挂石材施工工艺设计标准

确认删除?
VIP
微信客服
  • 扫码咨询
会员Q群
  • 会员专属群点击这里加入QQ群
客服邮箱
回到顶部