电脑桌面
添加小米粒文库到电脑桌面
安装后可以在桌面快捷访问

安全风险评估诊断分级应急19号

安全风险评估诊断分级应急19号_第1页
1/7
安全风险评估诊断分级应急19号_第2页
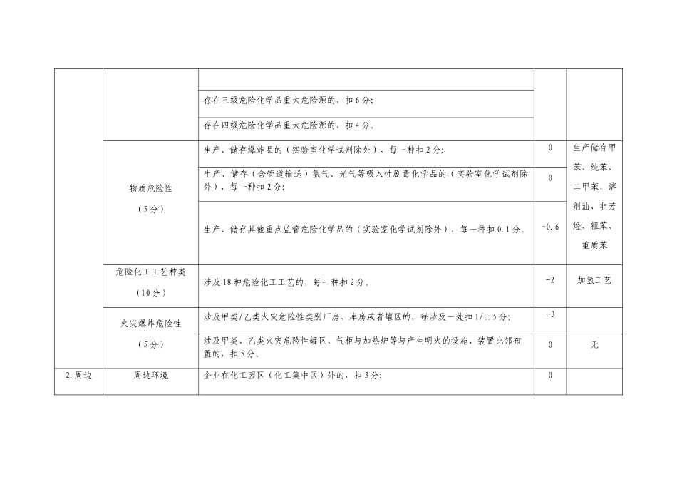
2/7
安全风险评估诊断分级应急19号_第3页
3/7
应急管理部关于印发危险化学品生产储存企业安全风险评估诊断分级指南(试行)的通知应急〔2025〕19 号各省、自治区、直辖市及新疆生产建设兵团安全生产监督管理局,有关中央企业:为仔细贯彻党的十九大精神,落实党中央、国务院决策部署,加快完善安全风险分级管控和隐患排查治理工作机制,提高监管针对性,提升监管效能,有效防范遏制重特大生产安全事故,根据《国务院安全生产委员会关于印发 2025 年工作要点的通知》(安委〔2025〕1 号)部署,结合危险化学品生产储存企业(以下简称危险化学品企业)安全生产特点和近年来一系列危险化学品安全生产工作要求,重点考虑危险化学品企业的固有危险性,兼顾危险化学品企业对安全风险管控的现实情况,我部组织制定了《危险化学品生产储存企业安全风险评估诊断分级指南(试行)》(以下简称《指南》,见附件),现予以印发,请仔细贯彻执行,并就有关事项通知如下:一、各地安全监管部门要高度重视危险化学品企业安全风险评估诊断工作,仔细学习宣传《指南》,结合本地实际,进一步细化《指南》,并组织对辖区内危险化学品企业进行安全风险评估诊断分级,评估诊断采纳百分制,根据评估诊断结果根据风险从高到低依次将辖区内危险化学品企业分为红色(60 分以下)、橙色(60 至 75 分以下)、黄色(75 至 90 分以下)、蓝色(90 分及以上)四个等级,对存在在役化工装置未经正规设计且未进行安全设计诊断等四种情形的企业可直接判定为红色;涉及环氧化合物、过氧化物、偶氮化合物、硝基化合物等自身具有爆炸性的化学品生产装置的企业必须由省级安全监管部门组织开展评估诊断;要根据分级结果,进一步完善危险化学品安全风险分布“一张图一张表”,落实安全风险分级管控和隐患排查治理工作机制。危险化学品企业安全风险评估诊断分级实施动态管理,原则上每三年开展一次。二、各地安全监管部门要根据分级情况,结合《国家安全监管总局关于进一步加强监管监察执法促进企业安全生产主体责任落实的意见》(安监总政法〔2025〕5 号)要求,对诊断为红、橙、黄、蓝不同等级的危险化学品企业,实行针对性的监管措施,提高监管效能;要突出强化对红色及橙色等级危险化学品企业的监管,加大日常执法检查频次,依据《化工和危险化学品生产经营单位重大安全事故隐患判定标准(试行)》,依法严格处罚发现的事故隐患,加强危险化学品企业主要负责人安全生产培训考核;要督促各类危险化学品企业根据国家有...

1、当您付费下载文档后,您只拥有了使用权限,并不意味着购买了版权,文档只能用于自身使用,不得用于其他商业用途(如 [转卖]进行直接盈利或[编辑后售卖]进行间接盈利)。
2、本站所有内容均由合作方或网友上传,本站不对文档的完整性、权威性及其观点立场正确性做任何保证或承诺!文档内容仅供研究参考,付费前请自行鉴别。
3、如文档内容存在违规,或者侵犯商业秘密、侵犯著作权等,请点击“违规举报”。

碎片内容

安全风险评估诊断分级应急19号

确认删除?
VIP
微信客服
  • 扫码咨询
会员Q群
  • 会员专属群点击这里加入QQ群
客服邮箱
回到顶部