电脑桌面
添加小米粒文库到电脑桌面
安装后可以在桌面快捷访问

建设工程检测收费标准VIP专享

建设工程检测收费标准_第1页
1/19
建设工程检测收费标准_第2页
2/19
建设工程检测收费标准_第3页
3/19
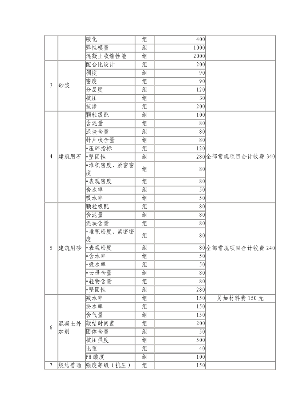
建设工程检测—收费标准 -----------------------------------------------------------------------------------------------------常规建筑材料检测收费标准 防水材料及市政土工检测收费标准 现场结构检测收费标准 水电设备安装检测收费 环境检测收费 保温节能材料检测收费 基坑、基桩检测收费 常规建筑材料检测收费标准 序号 检测项目 单位 收费标准(元) 备 注 1 水泥 强度 组 300 全部项目共计收费450 元 安定性单项检测费用为150元 细度 组 25 安定性 组 70 标准稠度 组 25凝聚时间 组 50 2 混凝土 配合比设计 组 200 配合比试配 组 500抗渗配合比设计 组 1000 外加剂混凝土配合比试配 组 650 抗压 组 30 抗折 组 50 抗渗 S6 抗渗 S8 组 500 600 抗冻 组 800 防水材料及市政土工检测收费标准 现场结构检测收费标准16 沥青混合料 马歇尔稳定度 组 667 沥青混凝土击实 组 667 沥青含量 组 200 17 二灰碎石配合比设计 组 3240 18 水泥土 配合比 项 1000 抗压强度 组 30 水电设备安装检测收费序号 项目 单位 收费标准 备注 1 门窗现场检测 组 2400 一组三樘 2 施工升降机检测 台 1200 3塔式起重机检测 ~25t.m 0台 595 复检 300 元/次,检测费用另加派车费100元/次 30~40 t.m 台 76560~80 t.m 台 935 100 t.m 以上 台 1700 4 水电检测 线路绝缘 回路 40厂房另记 接地电阻 组 60 通球 系统 30 水压 回路 120 环境检测收费 保温节能材料检测收费 打“*”为常规复检项目 法 组 5000环境测试舱法 12 混凝土外加剂 释放氨检测 组 300 氯离子 组 300 pH 值 组 100 硫酸盐 组 300 13 水泥、石灰、粉煤灰 烧失量 组 100 氧化钙 组 300氧化镁 组 300三氧化硫 组 300 14水质分析 pH 组 100 不溶物 组 100 可溶物 组 100 氯离子 组 300硫酸根 组 300硫化物 组 300价格(元) 共计(元) 序号 项目 备注 1聚苯板 表观密度* 300 6300复检 18尺寸稳定性* 300抗拉强度* 500 导热系数* 700压缩强度* 400 水蒸气渗透系数 吸水率 1000 燃烧性能 1100 2 保温浆料 干表观密度* 400 10000复检 20压缩强度* 400 吸水率* 400 导热系数* 800抗拉强度 500 线性收缩率 1000 软化系数 500燃烧性能 60003 抗裂砂浆 常温常态拉伸粘结强度 (与水泥砂浆) 300 3800 复检 90

1、当您付费下载文档后,您只拥有了使用权限,并不意味着购买了版权,文档只能用于自身使用,不得用于其他商业用途(如 [转卖]进行直接盈利或[编辑后售卖]进行间接盈利)。
2、本站所有内容均由合作方或网友上传,本站不对文档的完整性、权威性及其观点立场正确性做任何保证或承诺!文档内容仅供研究参考,付费前请自行鉴别。
3、如文档内容存在违规,或者侵犯商业秘密、侵犯著作权等,请点击“违规举报”。

碎片内容

建设工程检测收费标准

确认删除?
VIP
微信客服
  • 扫码咨询
会员Q群
  • 会员专属群点击这里加入QQ群
客服邮箱
回到顶部