电脑桌面
添加小米粒文库到电脑桌面
安装后可以在桌面快捷访问

排水管道及配件安装技术交底

排水管道及配件安装技术交底_第1页
1/8
排水管道及配件安装技术交底_第2页
2/8
排水管道及配件安装技术交底_第3页
3/8
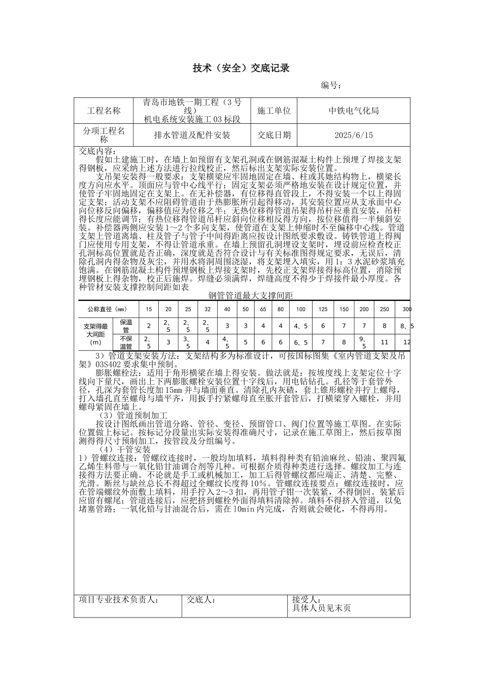
技术(安全)交底记录编号:工程名称青岛市地铁一期工程(3 号线)机电系统安装施工 03 标段施工单位中铁电气化局分项工程名称排水管道及配件安装交底日期2025/6/15交底内容:1、施工准备(1)进行技术交底、安全技术交底。(2)根据施工方案安排好现场得工作场地、加工车间、库房。(3)材料、设备确认合格,准备齐全,送到现场。(4)竖井内管道安装应有防坠落措施。(5)组织施工生产人员、配置设备工器具。2、引用技术标准(1)《建筑给水排水及采暖工程施工质量验收法律规范》(GB50242-2025);(2)中国建筑工程总公司编、《建筑工程施工工艺标准汇编(缩印本)》、北京:中国建筑工业出版社出版;(3)《建筑施工安全技术统一法律规范》(GB50870-2025)。3、作业内容(1)支吊架制作安装(2)管道预制加工(3)干管安装(4)支管及配件安装(5)管道试压(6)管道防腐与保温(7)填写试压记录4、施工技术标准(1)排水管道必须采纳与管材相适应得管件。(2)管径小于或等于 80mm 得衬塑钢管应采纳螺纹连接,套丝扣时,被破坏得镀锌层表面及外露螺纹部分应做防腐处理;管径大于 80mm 得衬塑钢管应采纳卡箍连接。(3)排水铸铁管管道应采纳水泥捻口或橡胶圈接口方式进行连接。5、工序流程及操作要点5、1 工序流程(1)施工准备(2)支架制作安装(3)管道预制加工(4)干管安装(5)支管安装(6)管道试压(7)管道防腐(8)管道保温(9)填写记录5、2操作要点(1)施工准备仔细熟悉施工图纸,根据施工方案确定得施工方法与技术交底得具体措施做好准备工作。参瞧有关专业设备图与装饰施工图,核对各种管道得坐标、标高就是否有交叉。管道排列所用空间就是否合理。有问题及时与设计与有关人员讨论解决,办好变更洽商记录。(2)支架制作安装1)管道支架、支座得制作应根据图样要求进行施工,代用材料应取得设计者同意;支吊架得受力部件,如横梁、吊杆及螺栓等得规格应符合设计及有关技术标准得规定;管道支吊架、支座及零件得焊接应遵守结构件焊接工艺。焊缝高度不应小于焊件最小厚度,并不得有漏焊、结渣或焊缝裂纹等缺陷,制作合格得支吊架,应进行防腐处理与妥善保管。2)管道支吊架安装技术要求管道支架得放线定位。首先根据设计要求定出固定支架与补偿器得位置;根据管道设计标高,把同一水平面直管段得两端支架位置画在墙上或柱上。根据两点间得距离与坡度大小,算出两点间得高度差,标在末端支架位置上;在两高差点拉一根直...

1、当您付费下载文档后,您只拥有了使用权限,并不意味着购买了版权,文档只能用于自身使用,不得用于其他商业用途(如 [转卖]进行直接盈利或[编辑后售卖]进行间接盈利)。
2、本站所有内容均由合作方或网友上传,本站不对文档的完整性、权威性及其观点立场正确性做任何保证或承诺!文档内容仅供研究参考,付费前请自行鉴别。
3、如文档内容存在违规,或者侵犯商业秘密、侵犯著作权等,请点击“违规举报”。

碎片内容

排水管道及配件安装技术交底

您可能关注的文档

确认删除?
VIP
微信客服
  • 扫码咨询
会员Q群
  • 会员专属群点击这里加入QQ群
客服邮箱
回到顶部