电脑桌面
添加小米粒文库到电脑桌面
安装后可以在桌面快捷访问

揭煤地质说明书

揭煤地质说明书_第1页
1/4
揭煤地质说明书_第2页
2/4
揭煤地质说明书_第3页
3/4
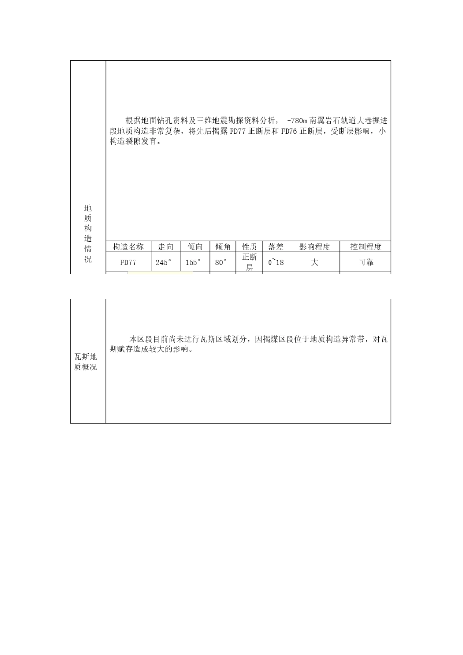
揭煤地质说明书概况巷道名称煤层名称水平名称采区名称掘进地点及施工情况预揭煤控制程度勘控控制程度采掘工程控制程度煤层顶底板及岩性煤层厚度煤层产状煤层结构煤层顶底板情况掘进区段地质特征地质构造情况瓦斯地质概况问题及建议模版

1、当您付费下载文档后,您只拥有了使用权限,并不意味着购买了版权,文档只能用于自身使用,不得用于其他商业用途(如 [转卖]进行直接盈利或[编辑后售卖]进行间接盈利)。
2、本站所有内容均由合作方或网友上传,本站不对文档的完整性、权威性及其观点立场正确性做任何保证或承诺!文档内容仅供研究参考,付费前请自行鉴别。
3、如文档内容存在违规,或者侵犯商业秘密、侵犯著作权等,请点击“违规举报”。

碎片内容

揭煤地质说明书

确认删除?
VIP
微信客服
  • 扫码咨询
会员Q群
  • 会员专属群点击这里加入QQ群
客服邮箱
回到顶部