电脑桌面
添加小米粒文库到电脑桌面
安装后可以在桌面快捷访问

施工组织及施工进度计划

施工组织及施工进度计划_第1页
1/9
施工组织及施工进度计划_第2页
2/9
施工组织及施工进度计划_第3页
3/9
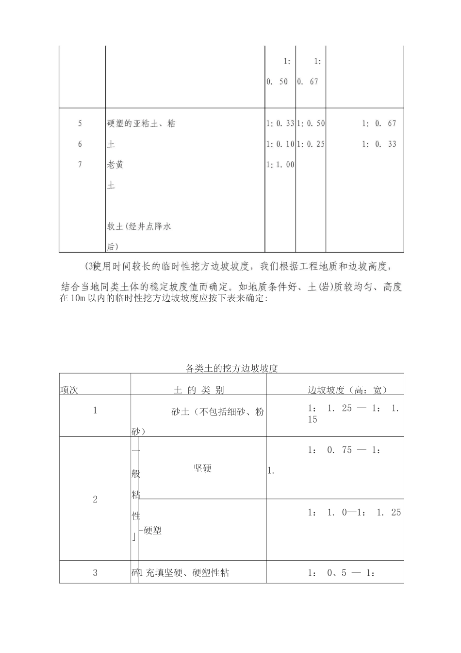
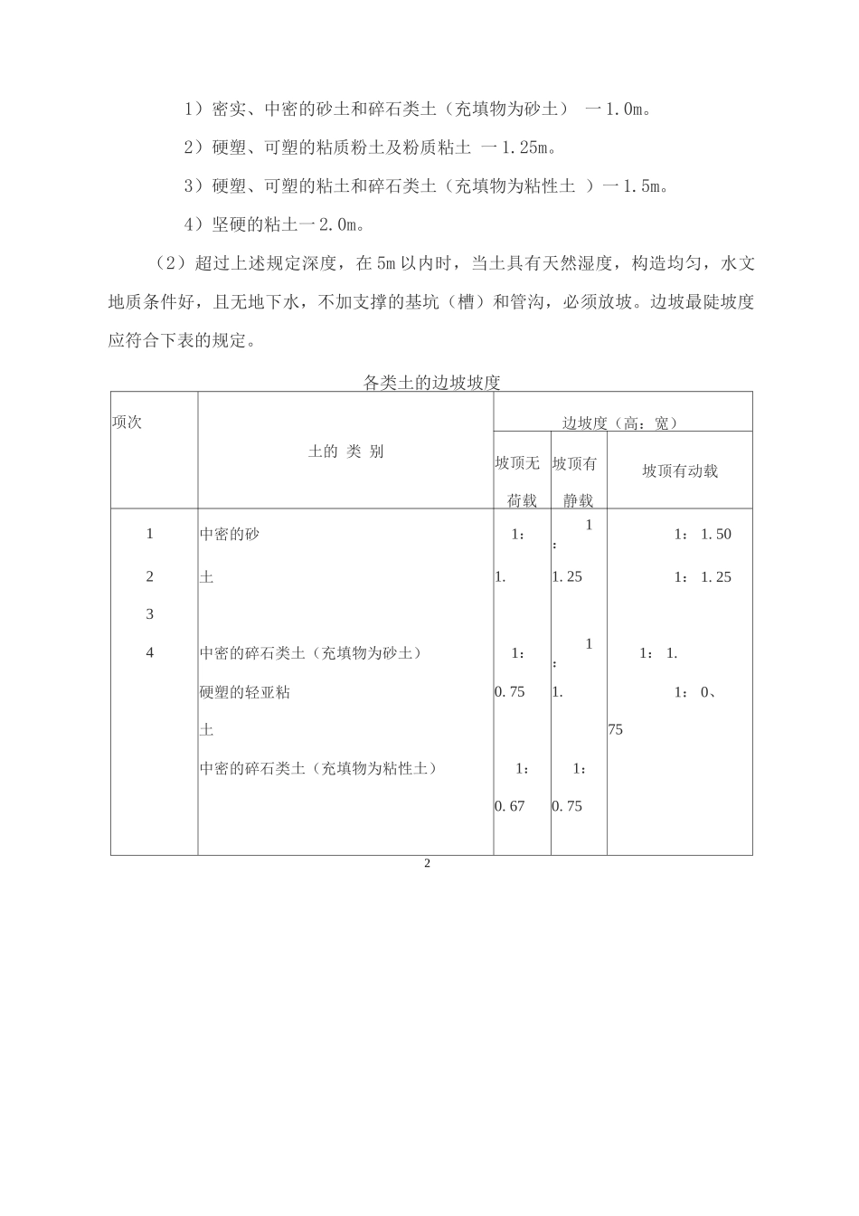
施工组织及施工进度计划一、施工段的划分本工程根据现场实际情况分为二个主要区域,其中分为景观、绿化施工区,办公生活区。这样利于交叉施工,提高施工进度,保证工程质量。景观、绿化施工区是本项目中施工面积最大,施工工期最长,要求施工工艺复杂。在绿化施工区域的划分中,一定要根据现场实际情况及图纸中提出的品种和规格。本着先乔木后灌木再草坪的原则,在根据苗木的生长季节和习性来进行细致的每段划分,这样可以确保每个品种在合适的种植期进行种植和移栽,又能避开交叉施工带来的不便,确保施工工期的顺利进行和按期完成。生活办公区将设置在预留标段,这样做有很多的优点。如这样的划分可以不占用施工标段,又离施工区域很近便于施工中的指挥。和甲方的办公区域又相邻便于两方的沟通。可更好的理解甲方对施工中提出的问题,便于我项目部对问题的处理。二、主要工序1、工程工作内容本分部工程包括:景观施工工程、绿化养护工程。2、绿化工程主要工序I、挖土工程(一)施工准备1、 机具准备(1)、 挖土机械有:挖土机、推土机、铲运机、自卸汽车等。(2)、 一般机具有:铁锹(尖、平头两种)、手推车、小白线或 20 号铅丝和钢卷尺以及坡度尺等。(二)施工工艺A、工艺流程:B、坡度的确定:(1)在天然湿度的土中,开挖基础坑(槽)、管构时,当挖土深度不超过下列数值规定时,可不放坡,不加支撑。1)密实、中密的砂土和碎石类土(充填物为砂土) 一 1.0m。2)硬塑、可塑的粘质粉土及粉质粘土 一 1.25m。3)硬塑、可塑的粘土和碎石类土(充填物为粘性土 )一 1.5m。4)坚硬的粘土一 2.0m。(2)超过上述规定深度,在 5m 以内时,当土具有天然湿度,构造均匀,水文地质条件好,且无地下水,不加支撑的基坑(槽)和管沟,必须放坡。边坡最陡坡度应符合下表的规定。各类土的边坡坡度项次土的 类 别边坡度(高:宽)坡顶无荷载坡顶有静载坡顶有动载1中密的砂1:1:1: 1. 502土1. 1. 251: 1. 2534中密的碎石类土(充填物为砂土)1:1:1: 1. 硬塑的轻亚粘0. 751. 1: 0、土75中密的碎石类土(充填物为粘性土)1:1:0. 670. 752在 10m 以内的临时性挖方边坡坡度应按下表来确定:各类土的挖方边坡坡度项次土 的 类 别边坡坡度(高:宽)1砂土(不包括细砂、粉砂)1: 1. 25 — 1: 1. 152一般粘性」坚硬1: 0. 75 — 1:1. -硬塑1: 1. 0—1: 1. 253碎1 充填坚硬、硬塑性粘1: 0、5 ...

1、当您付费下载文档后,您只拥有了使用权限,并不意味着购买了版权,文档只能用于自身使用,不得用于其他商业用途(如 [转卖]进行直接盈利或[编辑后售卖]进行间接盈利)。
2、本站所有内容均由合作方或网友上传,本站不对文档的完整性、权威性及其观点立场正确性做任何保证或承诺!文档内容仅供研究参考,付费前请自行鉴别。
3、如文档内容存在违规,或者侵犯商业秘密、侵犯著作权等,请点击“违规举报”。

碎片内容

施工组织及施工进度计划

您可能关注的文档

确认删除?
VIP
微信客服
  • 扫码咨询
会员Q群
  • 会员专属群点击这里加入QQ群
客服邮箱
回到顶部