电脑桌面
添加小米粒文库到电脑桌面
安装后可以在桌面快捷访问

混凝土浇灌令

混凝土浇灌令_第1页
1/9
混凝土浇灌令_第2页
2/9
混凝土浇灌令_第3页
3/9
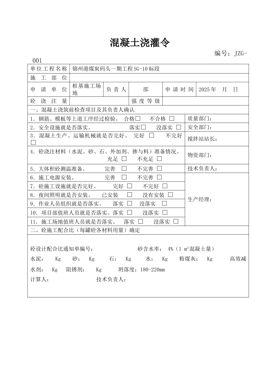
混凝土浇灌令 编号:JZG-001单位工程名称锦州港煤炭码头一期工程 SG-10 标段施工部位申请单位桩基施工场地负 责 人邵申 请 时 间2025 年 月 日砼浇注量强 度 等 级一、混凝土浇筑前检查项目及其负责人确认1.钢筋、模板等上道工序经过检验。 合格□ 不合格 □质量部门: 2.安全设施就是否落实。 落实□ 没落实 □安全部门:3.混凝土生产、运输机械就是否完好。 完好 □ 不完好 □搅拌站站长:4.砼浇注材料(水泥、砂、石、外加剂、掺与料)准备情况。 充足 □ 不充足 □物资部门:5.大体积砼测温准备。 完善 □ 不完善 □技术负责人:6.施工电源安装。 完善 □ 不完善 □生产经理:7.砼施工设施就是否完好。 完好 □ 不完好 □8.夜间照明就是否安装。 已安装 □ 没有安装 □9.作业人员组织就是否落实。 落实 □ 没落实 □10.项目部值班人员就是否落实。落实 □ 没落实 □11.施工场地值班人员就是否落实。 落实 □ 没落实 □二、砼施工配合比(每罐砼各材料用量)确定砼设计配合比通知单编号: 砂含水率: 4%(1 m3混凝土量)水泥: Kg 砂: Kg 石: Kg 水: Kg 粉煤灰: Kg 高效减水剂: Kg 阻锈剂: Kg 坍落度:180-220mm 计算人: 技术负责人:鉴于质量检查与准备工作已达到浇灌条件,同意该部位于 年 月 日浇灌。项目部质量部门: 混凝土浇灌令 编号:JZG-002单位工程名称锦州港煤炭码头一期工程 SG-10 标段施工部位试桩 3申请单位桩基施工场地负 责 人邵昆申 请 时 间2025 年 07 月 15 日砼浇注量37、3m3强 度 等 级C40一、混凝土浇筑前检查项目及其负责人确认1.钢筋、模板等上道工序经过检验。 合格□ 不合格 □质量部门: 2.安全设施就是否落实。 落实□ 没落实 □安全部门:3.混凝土生产、运输机械就是否完好。 完好 □ 不完好 □搅拌站站长:4.砼浇注材料(水泥、砂、石、外加剂、掺与料)准备情况。 充足 □ 不充足 □物资部门:5.大体积砼测温准备。 完善 □ 不完善 □技术负责人:6.施工电源安装。 完善 □ 不完善 □生产经理:7.砼施工设施就是否完好。 完好 □ 不完好 □8.夜间照明就是否安装。 已安装 □ 没有安装 □9.作业人员组织就是否落实。 落实 □ 没落实 □10.项目部值班人员就是否落实。落实 □ 没落实 □11.施工场地值班人员就是否落实。 落实 □ 没落实...

1、当您付费下载文档后,您只拥有了使用权限,并不意味着购买了版权,文档只能用于自身使用,不得用于其他商业用途(如 [转卖]进行直接盈利或[编辑后售卖]进行间接盈利)。
2、本站所有内容均由合作方或网友上传,本站不对文档的完整性、权威性及其观点立场正确性做任何保证或承诺!文档内容仅供研究参考,付费前请自行鉴别。
3、如文档内容存在违规,或者侵犯商业秘密、侵犯著作权等,请点击“违规举报”。

碎片内容

混凝土浇灌令

您可能关注的文档

确认删除?
VIP
微信客服
  • 扫码咨询
会员Q群
  • 会员专属群点击这里加入QQ群
客服邮箱
回到顶部