电脑桌面
添加小米粒文库到电脑桌面
安装后可以在桌面快捷访问

给排水安装部分标准摘录

给排水安装部分标准摘录_第1页
1/4
给排水安装部分标准摘录_第2页
2/4
给排水安装部分标准摘录_第3页
3/4
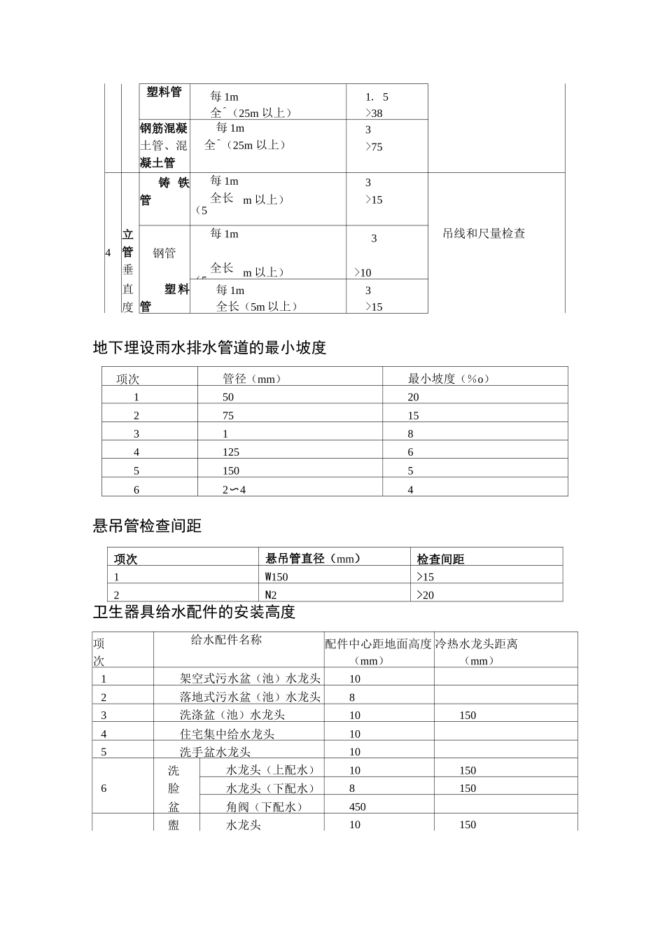
钢管管道支架的最大间距公称直径(mm)15 2025 3240507080112515 022503支架的最大间距(m)保温管22.5,5 2.533444.567788.5不保温管 2.53 3.5 43.55666.578 9.51112塑料管及复合管管道支架的最大间距管径(mm)12 14161820253240 50637590110最大间距(m)立管0.50.60.70.80.91.01.11.31.6 1.82.02.22.4水平管冷水管 0.40.40.50.50.60.70.80.91.0 1.11.21.351.55热水管 0.20.20.250.30.30.350.40.50.6 0.70.8管道和阀门安装的允许偏差和检验方法项次项目允许偏差(mm)水平钢管每米全长 25m 以上1上 251管道纵横方向塑料管复合管每米全长 25m 以上1. 5上 25弯曲铸铁管每米全长 25m 以上2上 25立管钢管每米5m 以上3上 8检验方法垂直度塑料管复合管每米5m 以上2上 8铸铁管每米5m 以上3上 10成排管段和在同一平面上间距吊线和尺量检查用水平尺、直尺、拉线和尺量检查23尺量检查生活污水铸铁管道的坡度项次管 径 (mm)标准坡度(%。)最小坡度(%0)150352527525153120124125151051501076285生活污水塑料管道的坡度项次管径(nvn)标准坡度(%。)最小坡度(%0)150251227515831101264125105516074排水塑料管道支吊架最大间距(单位:m)管径(mm)5075110125160立 管1.21.52.02.02.0横 管0.50.751.101.301.6室内排水和雨水管道安装的允许偏差和检验方法项次项目允许偏差(mm)检验方法1坐标152标高±15横管纵横方铸铁管每 1m才 1用水准仪(水平尺)、直尺、拉线和尺 检查全^(25m 以上)>25钢管每 lm管径小于或等于1mm1管径大于 1mm1. 53向弯全长(25m 以 上)管径小于或等于1mm>25曲管径大于 1mm>38垂直度塑料管复合管每米5m 以上2上 8铸铁管每米5m 以上3上 10成排管段和在同一平面上间距塑料管每 1m全^(25m 以上)1. 5>38钢筋混凝土管、混凝土管每 1m全^(25m 以上)3>75铸 铁 管每 1m全长(5m 以上)3>154立管垂钢管每 1m全长(5m 以上)3>10吊线和尺量检查直度塑料 管每 1m全长(5m 以上)3>15地下埋设雨水排水管道的最小坡度项次管径(mm)最小坡度(%o)1502027515318412565150562〜44悬吊管检查间距项次悬吊管直径(mm)检查间距1W150>152N2>20卫生器具给水配件的安装高度项次给水配件名称配件中心距地面高度(mm)冷热水龙头距离(mm)1架空式污水盆(池)水龙头102落地式污水盆(池)水龙头83洗涤盆(池)水龙头101504住宅集中给水龙头105洗手盆水龙头10洗水龙头(上配水)101506脸水龙头(下配...

1、当您付费下载文档后,您只拥有了使用权限,并不意味着购买了版权,文档只能用于自身使用,不得用于其他商业用途(如 [转卖]进行直接盈利或[编辑后售卖]进行间接盈利)。
2、本站所有内容均由合作方或网友上传,本站不对文档的完整性、权威性及其观点立场正确性做任何保证或承诺!文档内容仅供研究参考,付费前请自行鉴别。
3、如文档内容存在违规,或者侵犯商业秘密、侵犯著作权等,请点击“违规举报”。

碎片内容

给排水安装部分标准摘录

确认删除?
VIP
微信客服
  • 扫码咨询
会员Q群
  • 会员专属群点击这里加入QQ群
客服邮箱
回到顶部