电脑桌面
添加小米粒文库到电脑桌面
安装后可以在桌面快捷访问

综合布线系统检验批质量验收记录

综合布线系统检验批质量验收记录_第1页
1/8
综合布线系统检验批质量验收记录_第2页
2/8
综合布线系统检验批质量验收记录_第3页
3/8
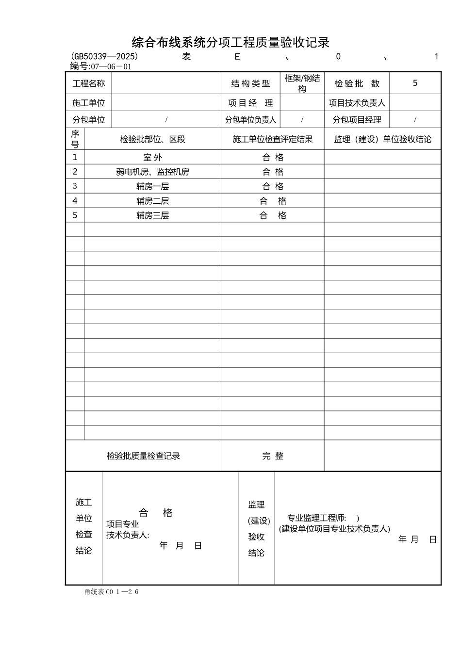
综合布线系统分项工程质量验收记录(GB50339—2025)表E、0、1 编号:07—06-01工程名称结 构 类 型框架/钢结构检 验 批 数5施工单位项 目 经 理项目技术负责人分包单位/分包单位负责人/分包项目经理/序号检验批部位、区段施工单位检查评定结果监理(建设)单位验收结论1室 外合 格2弱电机房、监控机房合 格3辅房一层合 格4辅房二层合 格5辅房三层合 格检验批质量检查记录完 整施工单位检查结论合 格项目专业技术负责人: 年 月 日监理(建设)验收结论专业监理工程师: )(建设单位项目专业技术负责人) 年 月 日甬统表 C0 1—2 6检验批、分项、子分部(分部)工程质量报验表工程名称: 编号:致: (监理机构)我单位已完成了 综合布线系统安装 工程,按设计文件及有关法律规范进行了自检评定,质量合格,请予以审查与验收.附件:1。工程质量控制资料 2.安全与功能检验(检测)报告 3.观感质量检查记录 4。隐蔽工程验收记录 5. 综合布线系统安装检验批 质量验收记录 6。施工试验记录 7.施工记录项目技术负责人(项目经理):年 月 日项目监理机构意见:专业(总)监理工程师:年 月 日本表由施工单位填报,经项目监理机构审查签认后,建设单位、监理单位、施工单位各存一份。综合布线系统检验批质量验收记录(G B 5 0339—200 3) 编号:0 706010 0 1工程名称分项工程名称综合布线系统项目经理施工单位验收部位室 外施工执行标准及编号G B 50 339—2025专业工长(施工员)分包单位/分包项目经理/施工班组长/质 量 验 收 规 范 得 规 定施工单位自检记录监理(建设)单位验收记录主控项目1缆线敷设与终接得检测应符合规定9.2。1条符合要求2建筑群子系统电、光缆得检测应符合要求9。2。2条符合要求3机柜、机架、配线架安装检测应符合要求9。2。3条符合要求4信息插座安装在活动地板或地面上时,接线盒应严密防水、防尘9.2。4 条符合要求一般项目1缆线终接应符合规定9。2.5条符合要求2各类跳线得终接应符合规定9。2.6条符合要求3机柜、机架、配线架安装检测应符合要求9.2。7条符合要求4信息插座安装接应符合规定9.2.8 条符合要求5光缆芯线终端得连接盒面板应有标志9.2.9 条符合要求施 工 操 作 依 据质 量 验 收 记 录施工单位检查结果评定合 格项目专业 项目专业质量检查员(签名): 技术负责人(签名):年 月 日 监理(建设)单位验收结论专业监理工程师(签...

1、当您付费下载文档后,您只拥有了使用权限,并不意味着购买了版权,文档只能用于自身使用,不得用于其他商业用途(如 [转卖]进行直接盈利或[编辑后售卖]进行间接盈利)。
2、本站所有内容均由合作方或网友上传,本站不对文档的完整性、权威性及其观点立场正确性做任何保证或承诺!文档内容仅供研究参考,付费前请自行鉴别。
3、如文档内容存在违规,或者侵犯商业秘密、侵犯著作权等,请点击“违规举报”。

碎片内容

综合布线系统检验批质量验收记录

文森传品+ 关注
实名认证
内容提供者

一家传播文化教育的小店,资料丰富,随意挑选。

相关文档

确认删除?
VIP
微信客服
  • 扫码咨询
会员Q群
  • 会员专属群点击这里加入QQ群
客服邮箱
回到顶部