电脑桌面
添加小米粒文库到电脑桌面
安装后可以在桌面快捷访问

综合布线验收报告

综合布线验收报告_第1页
1/3
综合布线验收报告_第2页
2/3
综合布线验收报告_第3页
3/3
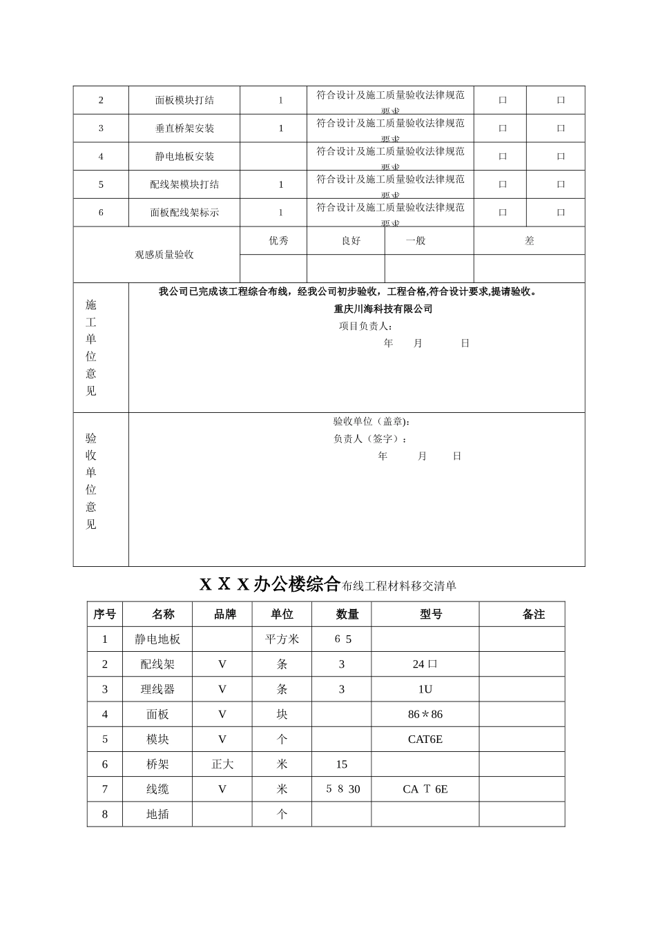
XX X 办公楼综合布线工程验收文件建 设 单 位: XXXXX施 工 单 位:重庆川海科技有限公司地 址:重庆市九龙坡区石桥铺华宇名都 3 栋 18-3联 系 人:XX联 系 电 话:XXX传 真:X X X目 录一、 XXX 办公楼综合布线工程验收单二、XXX 办公楼综合布线工程材料移交清单三、X XX办公楼综合布线工程配线一览表四、X X X 办公楼综合布线工程材料验收合格书1、超五类四对非屏蔽双胶线缆检验合格书 2、超五类模块式配线架检验合格书3、二位信息面板检验合格书4、超五类信息模块检验合格书5、静电地板检验合格书6、超五类配线架+线卡检验合格书X XX 办公楼综合布线工程验收单单位(子单位)工程名称XXX分布(子分部)工程名称综合布线工程施工单位重庆川海科技有限公司项目经理分包单位无分包项目经理无结构类型框架楼层数序号子分部工程名称分项数施工单位检查评价合格不合格1网络线缆铺设1符合设计及施工质量验收法律规范要求口口2面板模块打结1符合设计及施工质量验收法律规范要求口口3垂直桥架安装1符合设计及施工质量验收法律规范要求口口4静电地板安装符合设计及施工质量验收法律规范要求口口5配线架模块打结1符合设计及施工质量验收法律规范要求口口6面板配线架标示1符合设计及施工质量验收法律规范要求口口观感质量验收优秀良好一般差施工单位意见我公司已完成该工程综合布线,经我公司初步验收,工程合格,符合设计要求,提请验收。重庆川海科技有限公司项目负责人:年 月 日验收单位意见验收单位(盖章):负责人(签字):年 月 日X X X 办公楼综合布线工程材料移交清单序号名称品牌单位数量型号备注1静电地板平方米6 52配线架V条324 口3理线器V条31U4面板V块86*865模块V个CAT6E6桥架正大米157线缆V米58 30CA T 6E8地插个9电源线米40 01 0底盒个11P VC 线槽米5 0 0观感质量验收优秀良好一般差□□□□与工程材料样品相符不相符□□施工单位意见我公司已完成该工程得材料供货与施工工作,材料符合合同要求,施工质量符合设计要求。重庆川海科技有限公司负 责 人:(签字)日 期: 年 月 日验收单位意见验收单位:(盖章)负 责 人:(签字)日 期: 年 月 日

1、当您付费下载文档后,您只拥有了使用权限,并不意味着购买了版权,文档只能用于自身使用,不得用于其他商业用途(如 [转卖]进行直接盈利或[编辑后售卖]进行间接盈利)。
2、本站所有内容均由合作方或网友上传,本站不对文档的完整性、权威性及其观点立场正确性做任何保证或承诺!文档内容仅供研究参考,付费前请自行鉴别。
3、如文档内容存在违规,或者侵犯商业秘密、侵犯著作权等,请点击“违规举报”。

碎片内容

综合布线验收报告

确认删除?
VIP
微信客服
  • 扫码咨询
会员Q群
  • 会员专属群点击这里加入QQ群
客服邮箱
回到顶部