电脑桌面
添加小米粒文库到电脑桌面
安装后可以在桌面快捷访问

第九章机械加工工艺设计实验VIP免费

第九章机械加工工艺设计实验_第1页
1/23
第九章机械加工工艺设计实验_第2页
2/23
第九章机械加工工艺设计实验_第3页
3/23
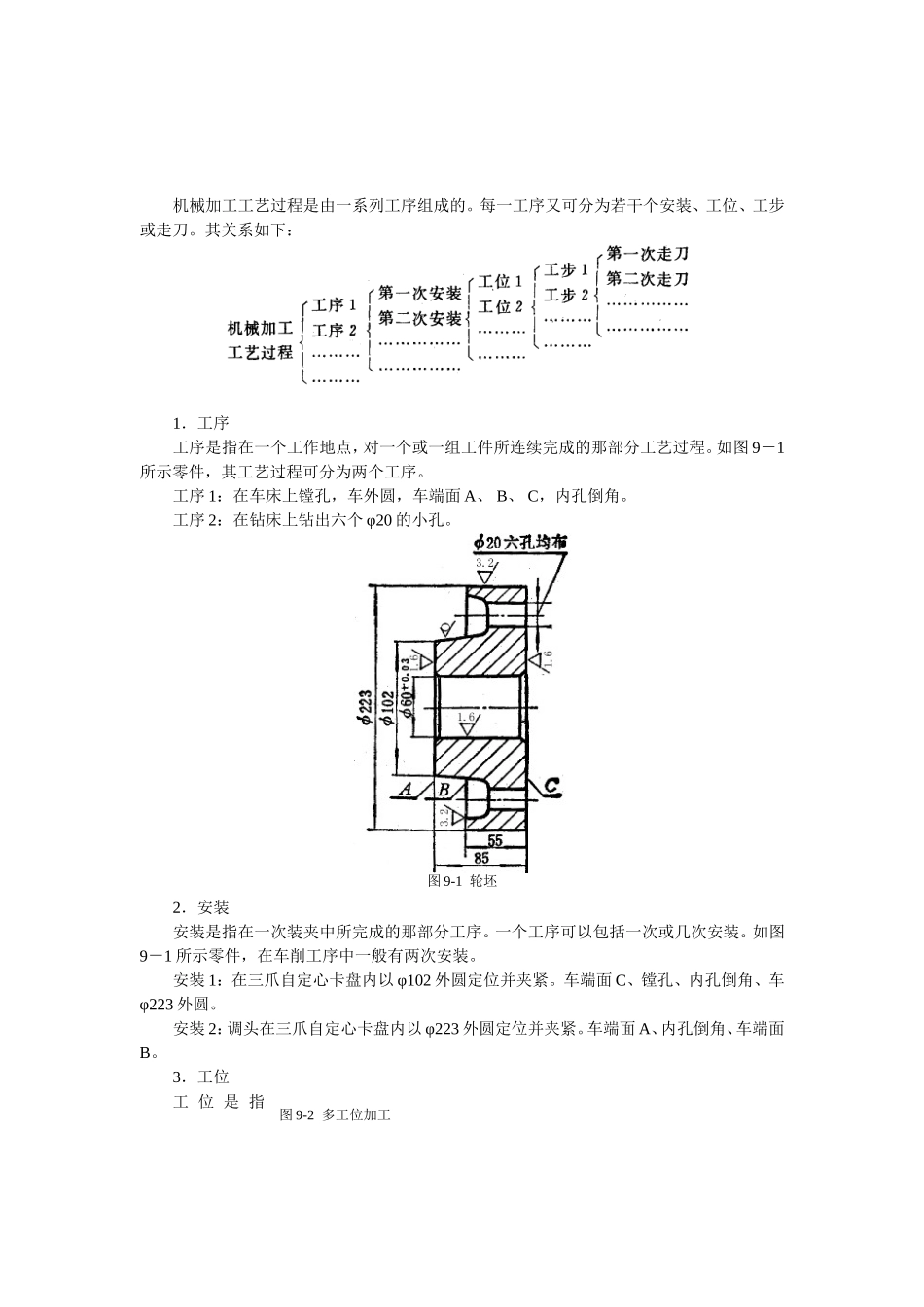
第九章机械加工工艺设计实验机械零件设计后,首先必须制造出零件的毛坯,然后再用机械加工方法制造出来。一个零件可以用几种不同的加工方法制造,但在一定条件下只有某一种方法是较合理的。因此,合理地设计零件的机械加工工艺,并把合理的工艺过程中的各项内容以规定的表格形式设计成技术文件,最后用技术文件来指导零件的加工和生产,这就是机械加工工艺设计实验的基本内容。9.1机械加工工艺的设计原则、原始资料及步骤1.机械加工工艺的设计原则机械加工工艺的设计原则是:在保证产品质量的前提下,努力提高生产率和降低工艺成本;在充分利用企业现有生产条件的基础上,尽可能采用先进生产技术;工艺设计应正确、完整、清晰和统一,所用术语、符号、单位、编号等,要符合最新的国家标准。2.机械加工工艺设计的原始资料(1)产品的全套技术文件包括产品图样,技术说明书,产品验收的质量标准。(2)产品的生产纲领。(3)工厂的生产条件包括毛坯的生产条件或协作关系,工厂的设备和工艺装备情况,专用设备和专用工艺装备的制造能力,工人的技术等级等。(4)各种技术资料包括有关手册、标准以及国内外先进的工艺技术资料等。3.机械加工工艺设计的步骤(l)根据产品生产纲领决定生产类型在成批生产时,要确定零件的生产批量;在大批量生产时,要确定各工序、各工步或工位上的生产节拍。(2)分析研究产品的图样熟悉产品的性能和工作原理,明确零件的作用,审查视图、尺寸、技术条件、零件的结构工艺性和材料选用等方面是否完整合理。(3)选择毛坯根据图样要求,按设计原则,选择毛坯的种类和制造方法。(4)拟订工艺路线选择定位基准及各表面加工方法,划分加工阶段,工序组合及安排等。(5)工序设计确定加工余量、工序尺寸及公差、切削用量、工时定额、设备和工装等。(6)填写工艺文件如机械加工工艺过程卡片和机械加工工序卡片。9.2机械加工工艺过程的基本概念机械加工工艺过程是由一系列工序组成的。每一工序又可分为若干个安装、工位、工步或走刀。其关系如下:1.工序工序是指在一个工作地点,对一个或一组工件所连续完成的那部分工艺过程。如图9-1所示零件,其工艺过程可分为两个工序。工序1:在车床上镗孔,车外圆,车端面A、B、C,内孔倒角。工序2:在钻床上钻出六个φ20的小孔。2.安装安装是指在一次装夹中所完成的那部分工序。一个工序可以包括一次或几次安装。如图9-1所示零件,在车削工序中一般有两次安装。安装1:在三爪自定心卡盘内以φ102外圆定位并夹紧。车端面C、镗孔、内孔倒角、车φ223外圆。安装2:调头在三爪自定心卡盘内以φ223外圆定位并夹紧。车端面A、内孔倒角、车端面B。3.工位工位是指图9-1轮坯图9-2多工位加工在一次装夹内工件在机床中所占的每个位置。如图9-2所示为在三轴钻床上所进行的一道工序,在该工序中,利用回转夹具,在一次安装中连续完成钻孔、扩孔、铰孔等工艺过程,共四个工位。第一工位装卸工件;第二工位钻孔;第三工位扩孔;第四工位铰孔。可见,采用多工位加工,可以减少零件安装次数,以缩短辅助时间。4.工步工步是指在一次安装或一个工位中,在加工表面、刀具、转速和进给量都不变的情况下所完成的那一部分工序。一个工序包括一个或几个工步。如图9-1所示的零件,在车削加工工序中,可分为:粗车外圆、半精车外圆、粗镗孔、半精镗孔、精镗孔、粗车端面等若干个工步。5.走刀走刀是指在一个工步中,由于余量较大,要在转速及进给量不变的情况下进行多次切削,每一次切削称为走刀。一个工步可包括一次或数次走刀。如图9-3要加工出φ60的外圆,需在直径方向切去10mm厚的金属,而设备及工具条件不能一次切削完,必须分二次切削,则每次切削就是一次走刀。9.3机械加工工艺设计的内容在确定了待加工零件的生产类型、选好材料和毛坯形式、审查和分析了零件图纸之后,就可进行该零件的机械加工工艺设计。9.3.1选择定位基准定位基准是指在机械加工中用来确定工件位置的基准面,它的合理选择对保证加工精度,安排加工顺序和提高加工生产率有重要影响。第一道工序只能以毛坯表面作为定位基准面,这种基准面称为粗基准。在以后的...

1、当您付费下载文档后,您只拥有了使用权限,并不意味着购买了版权,文档只能用于自身使用,不得用于其他商业用途(如 [转卖]进行直接盈利或[编辑后售卖]进行间接盈利)。
2、本站所有内容均由合作方或网友上传,本站不对文档的完整性、权威性及其观点立场正确性做任何保证或承诺!文档内容仅供研究参考,付费前请自行鉴别。
3、如文档内容存在违规,或者侵犯商业秘密、侵犯著作权等,请点击“违规举报”。

碎片内容

第九章机械加工工艺设计实验

您可能关注的文档

确认删除?
VIP
微信客服
  • 扫码咨询
会员Q群
  • 会员专属群点击这里加入QQ群
客服邮箱
回到顶部