电脑桌面
添加小米粒文库到电脑桌面
安装后可以在桌面快捷访问

胆碱酯酶测定试剂盒标准化操作规程SCHESOP

胆碱酯酶测定试剂盒标准化操作规程SCHESOP_第1页
1/5
胆碱酯酶测定试剂盒标准化操作规程SCHESOP_第2页
2/5
胆碱酯酶测定试剂盒标准化操作规程SCHESOP_第3页
3/5
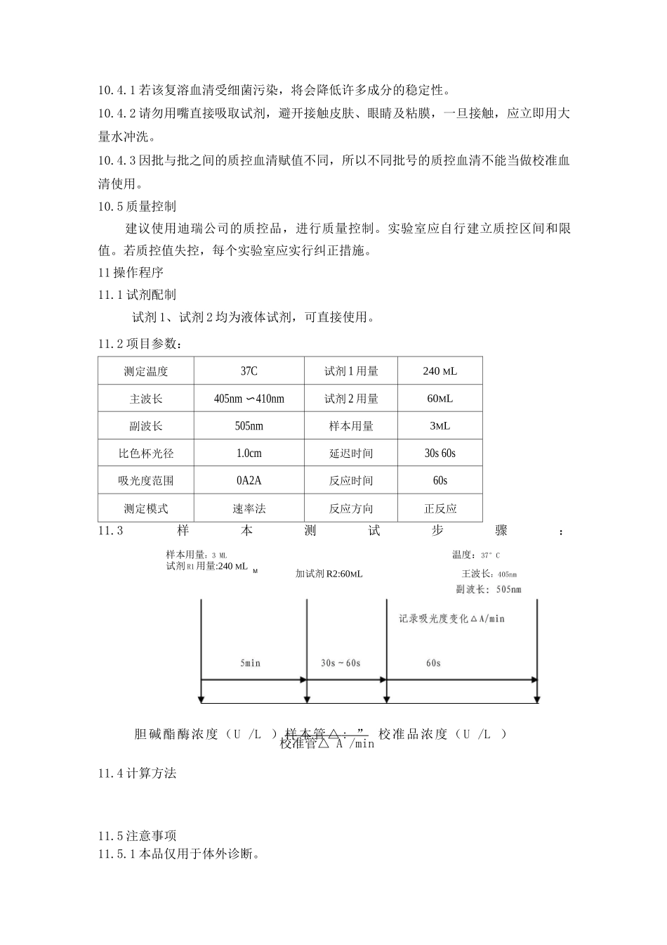
胆碱酯酶测定试剂盒(丁酰硫代胆碱底物法)标准化操作规程1 目的法律规范实验室操作,保证检验工作顺利有效进行特制定此规程。2 授权操作人 经培训且考核通过的临床检验人员。3 适用范围本试剂用于体外定量检测人血清或血浆中胆碱酯酶的活力。4 检验方法 本试剂采纳丁酰胆碱底物测定胆碱酯酶的活力。5 检验原理样本中胆碱酯酶水解丁酰硫代胆碱生成硫代胆碱,硫代胆碱与二硫代双硝基苯甲酸反应生成黄色的硫代硝基苯甲酸,通过测定 405nm 处吸光度值的升高,可以计算出样本中胆碱酯酶的活力。6 标本要求6.1 样本为血清或血浆。及时离心分离样本,不得使用溶血或被污染的样本。血浆样本可采纳肝素或 EDTA 抗凝。6.2 血清密闭贮存于 2C8C 可稳定 1 周,经稀释后,在室温可稳定 2 小时。7 试剂及配套品7.1 试剂来源长春迪瑞医疗科技股份有限公司胆碱酯酶试剂盒(丁酰硫代胆碱底物)7.2 试剂组成试剂盒组成主要组成成份浓度试剂 1 ( R1)磷酸盐缓冲液50mmol/L丁酰硫代胆碱5 mmol/L试剂 2 (R2)二硫代双硝基苯甲酸0.7mmol/L含非反应性保护剂和稳定剂7.3 试剂的稳定性与贮存:7.3.1 试剂在 2C8C 条件下,干燥、避光、密封贮存,有效期为 18 个月。7.3.2 试剂开封后在 2C8C 条件下可稳定 30 天。7.4 试剂的变质指示:试剂混浊,或以纯水为空白,试剂在 405nm 处的吸光度大于 0.8A( 1.0cm 光径)时,表明试剂已失效。8 实验仪器及性能指标8.1 实验仪器迪瑞 CS 系列全自动生化分析仪8.2 试剂性能指标8.2.1 空白吸光度:A< 0.8o8.2.2 空白吸光度变化率:△A/min< 0.020。8.2.3 分析灵敏度:测试 1U/L 被测物时,吸光度变化率(^A/min) > 0.5。8.2.4 线性范围:50U/L〜150U/L;线性相关系数 r> 0.99; [50,20] U/L 范围内,线性绝对偏差应不超过± 5U/L; ( 20,150] U/L 范围内,相对偏差不超过±15%。8.2.5 准确度:80%<回收率<120%。8.2.6 测量精密度重复性:CV<5.0%。批间差:R<6.0%。9 校准程序9.1 校准品来源长春迪瑞医疗科技股份有限公司生产的临床化学校准血清9.2 校准品的组成:人血清9.3 校准品的存贮:未复溶的校准血清在避光条件下,2〜8C 可稳定至标签失效期。复溶后校准血清在避光条件下,2〜8C 可稳定 7 天;15〜25C 可稳定 1 天;-20C 可稳定 30 天。9.4 校准品使用注意事项9.4.1 若该复溶血清受细菌污染,将会降低许多成分的稳定性。9.4.2 不同批号的...

1、当您付费下载文档后,您只拥有了使用权限,并不意味着购买了版权,文档只能用于自身使用,不得用于其他商业用途(如 [转卖]进行直接盈利或[编辑后售卖]进行间接盈利)。
2、本站所有内容均由合作方或网友上传,本站不对文档的完整性、权威性及其观点立场正确性做任何保证或承诺!文档内容仅供研究参考,付费前请自行鉴别。
3、如文档内容存在违规,或者侵犯商业秘密、侵犯著作权等,请点击“违规举报”。

碎片内容

胆碱酯酶测定试剂盒标准化操作规程SCHESOP

确认删除?
VIP
微信客服
  • 扫码咨询
会员Q群
  • 会员专属群点击这里加入QQ群
客服邮箱
回到顶部