电脑桌面
添加小米粒文库到电脑桌面
安装后可以在桌面快捷访问

规范法求最终沉降量

规范法求最终沉降量 _第1页
1/3
规范法求最终沉降量 _第2页
2/3
规范法求最终沉降量 _第3页
3/3
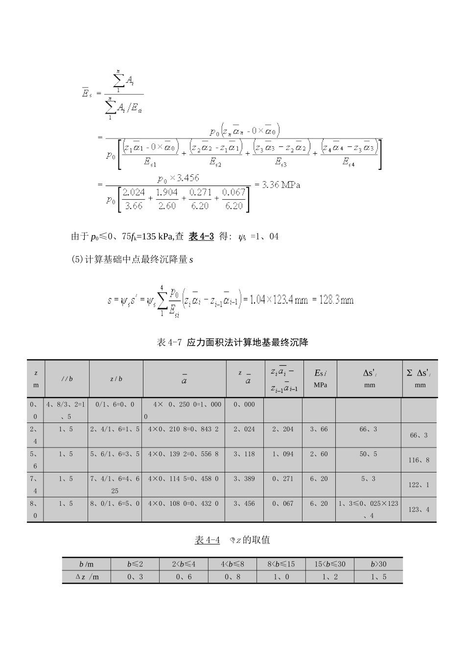
设基础底面尺寸为 4、8 m2×3、2 m2,埋深为 1、5 m,传至地面的中心荷载F=1 800 kN,地基的土层分层及各层土的侧限压缩模量(相应于自重应力至自重应力加附加应力段)如图 4-10 所示,持力层的地基承载力为 fk=180 kPa,用应力面积法计算基础中点的最终沉降。图 4-10【解】(1)基底附加压力(2)取计算深度为 8 m,计算过程见表 4-7 ,计算沉降量为 123、4 mm。(3)确定沉降计算深度 zn根据 b=3、2 m 查表 4-4 上可得z=0、6 m 相应于往上取z 厚度范围(即 7、4~8、0 m 深度范围)的土层计算沉降量为 l、3 mm≤0、025×123、4 mm=3、08 mm,满足要求,故沉降计算深度可取为 8 m。(4)确定修正系数s由于 p0≤0、75fk=135 kPa,查 表 4-3 得: s =1、04(5)计算基础中点最终沉降量 s表 4-7 应力面积法计算地基最终沉降 z m / / b z / b z Esi MPa s’i mm s’imm 0、0 4、8/3、2=1、5 0/1、6=0、0 4× 0、250 0=1、000 0 0、000 2、4 1、5 2、4/1、6=1、5 4×0、210 8=0、843 2 2、024 2、204 3、66 66、3 66、3 5、6 1、5 5、6/1、6=3、5 4×0、139 2=0、556 8 3、118 1、094 2、60 50、5 116、8 7、4 1、5 7、4/1、6=4、625 4×0、114 5=0、458 0 3、389 0、271 6、20 5、3 122、1 8、0 1、5 8、0/1、6=5、0 4×0、108 0=0、432 0 3、456 0、067 6、20 1、3≤0、025×123、4 123、4 表 4-4 z 的取值 b /mb≤2230Δz /m0、30、60、81、01、21、5表 4-3 沉降计算经验系数 s Es /MPa基底附加压力2、54、07、015、020、01、41、31、00、40、21、11、00、70、40、2

1、当您付费下载文档后,您只拥有了使用权限,并不意味着购买了版权,文档只能用于自身使用,不得用于其他商业用途(如 [转卖]进行直接盈利或[编辑后售卖]进行间接盈利)。
2、本站所有内容均由合作方或网友上传,本站不对文档的完整性、权威性及其观点立场正确性做任何保证或承诺!文档内容仅供研究参考,付费前请自行鉴别。
3、如文档内容存在违规,或者侵犯商业秘密、侵犯著作权等,请点击“违规举报”。

碎片内容

规范法求最终沉降量

您可能关注的文档

一二三四传媒+ 关注
实名认证
内容提供者

大量资料供您选择,没有合适的可以联系小二。

确认删除?
VIP
微信客服
  • 扫码咨询
会员Q群
  • 会员专属群点击这里加入QQ群
客服邮箱
回到顶部