电脑桌面
添加小米粒文库到电脑桌面
安装后可以在桌面快捷访问

过程设备强度计算书储罐计算书

过程设备强度计算书储罐计算书_第1页
1/18
过程设备强度计算书储罐计算书_第2页
2/18
过程设备强度计算书储罐计算书_第3页
3/18
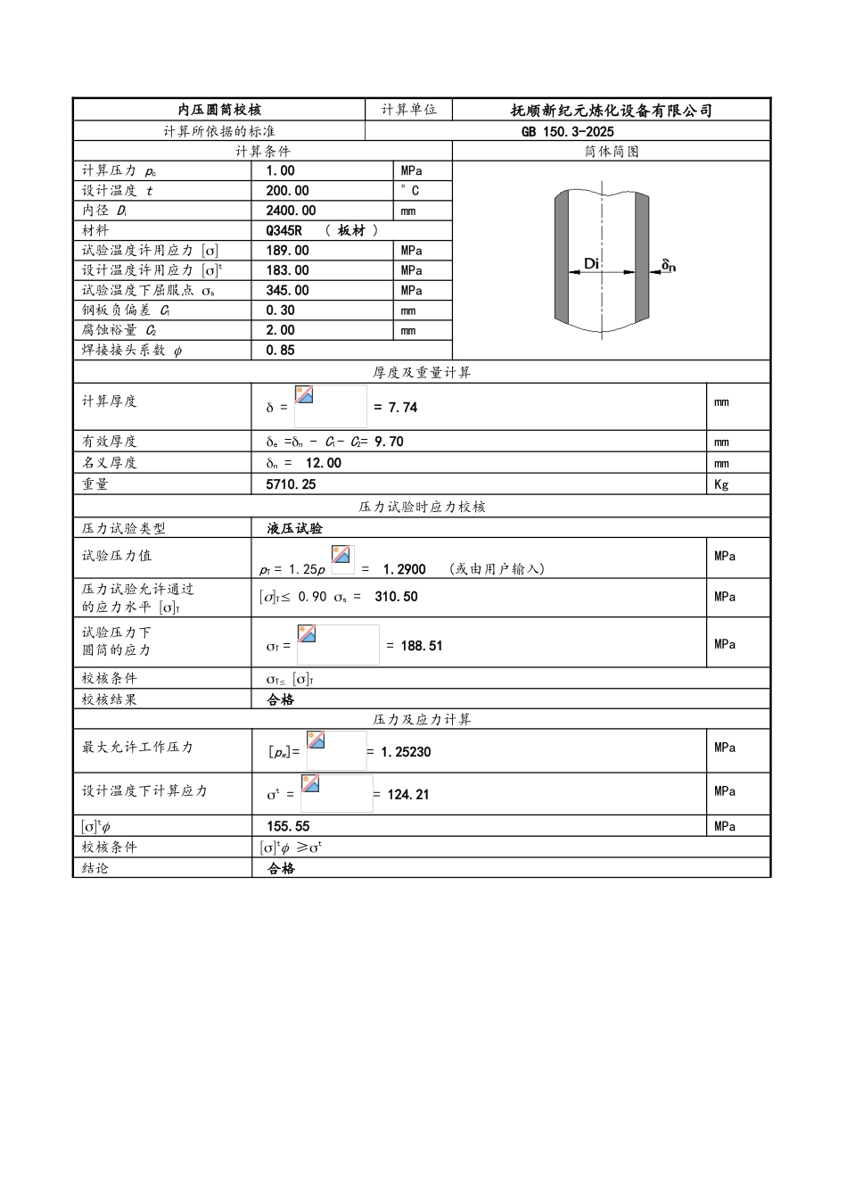
软件批准号:CSBTS/TC40/SC5-D01-1999DATA SHEET OF PROCESS EQUIPMENT DESIGN工程名:PROJECT设备位号:ITEM设备名称:烷基酚中间储罐EQUIPMENT图 号:FXLSZ-01-00DWG NO。设计单位:抚顺新纪元炼化设备有限公司DESIGNER设 计Designed by刘治海日期Date2025.3.25校 核Checked by刘治海日期Date2025.3.25审 核Verified by日期Date批 准Approved by日期Date卧式容器计算单位抚顺新纪元炼化设备有限公司计 算 条 件 简 图设计压力 p1MPa设计温度 t200℃筒体材料名称Q345R封头材料名称Q345R封头型式椭圆形筒体内直径 Di2400mm筒体长度 L8000mm筒体名义厚度 n12mm支座垫板名义厚度 rn12mm筒体厚度附加量 C2.3mm腐蚀裕量 C12mm筒体焊接接头系数 0.85封头名义厚度 hn12mm封头厚度附加量 Ch2.3mm鞍座材料名称Q235-B鞍座宽度 b240mm鞍座包角 θ120°支座形心至封头切线距离 A640mm鞍座高度 H262mm地震烈度 低于七度内压圆筒校核计算单位抚顺新纪元炼化设备有限公司计算所依据的标准GB 150.3-2025 计算条件筒体简图计算压力 pc 1.00MPa设计温度 t 200.00 C内径 Di 2400.00mm材料 Q345R ( 板材 )试验温度许用应力  189.00MPa设计温度许用应力 t 183.00MPa试验温度下屈服点 s 345.00MPa钢板负偏差 C1 0.30mm腐蚀裕量 C2 2.00mm焊接接头系数  0.85厚度及重量计算计算厚度  = = 7.74mm有效厚度 e =n - C1- C2= 9.70mm名义厚度 n = 12.00mm重量 5710.25Kg压力试验时应力校核压力试验类型 液压试验试验压力值pT = 1.25p = 1.2900 (或由用户输入)MPa压力试验允许通过的应力水平 TT 0.90 s = 310.50MPa试验压力下圆筒的应力 T = = 188.51 MPa校核条件 T T校核结果 合格压力及应力计算最大允许工作压力 [pw]= = 1.25230MPa设计温度下计算应力 t = = 124.21MPat 155.55MPa校核条件t ≥t结论 合格左封头计算计算单位 抚顺新纪元炼化设备有限公司计算所依据的标准GB 150.3-2025 计算条件椭圆封头简图计算压力 pc 1.00MPa设计温度 t 200.00 C内径 Di 2400.00mm曲面深度 hi 600.00mm材料 Q345R (板材)设计温度许用应力 t 183.00MPa试验温度许用应力  189.00MPa钢板负偏差 C1 0.30mm腐蚀裕量 C2 2.00mm焊接接头系数  1.00压力试验...

1、当您付费下载文档后,您只拥有了使用权限,并不意味着购买了版权,文档只能用于自身使用,不得用于其他商业用途(如 [转卖]进行直接盈利或[编辑后售卖]进行间接盈利)。
2、本站所有内容均由合作方或网友上传,本站不对文档的完整性、权威性及其观点立场正确性做任何保证或承诺!文档内容仅供研究参考,付费前请自行鉴别。
3、如文档内容存在违规,或者侵犯商业秘密、侵犯著作权等,请点击“违规举报”。

碎片内容

过程设备强度计算书储罐计算书

津创媒+ 关注
实名认证
内容提供者

欢迎交流文创,小店资料希望满足您的需要。

确认删除?
VIP
微信客服
  • 扫码咨询
会员Q群
  • 会员专属群点击这里加入QQ群
客服邮箱
回到顶部