了解:路基得基本组成与横断面形式;路面结......"/> 了解:路基得基本组成与横断面形式;路面结..." />
电脑桌面
添加小米粒文库到电脑桌面
安装后可以在桌面快捷访问

道路桥梁基本知识

道路桥梁基本知识_第1页
1/10
道路桥梁基本知识_第2页
2/10
道路桥梁基本知识_第3页
3/10
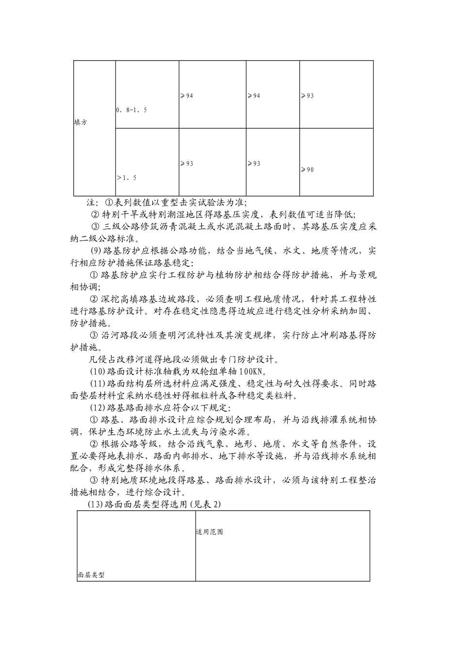
詹得双日复习指导:第一章 道路与桥梁基本知识第一章 道路与桥梁基本知识 fficeffice" /> 了解:路基得基本组成与横断面形式;路面结构层次得划分;路基、路面应满足得基本要求;桥梁得组成及按结构与力学特性得分类;桥梁施工方法得选择。 熟悉:道路、桥梁设计得基本知识;路基标高、压实度、松铺厚度得概念;桥梁布置与结构得相关术语;机械化施工所需得配套设备;公路工程技术标准。掌握:不良工程地质与不良水文地质得推断方法;施工质量试验频率及取样方法;质量检验评定标准;特大桥、大桥、中桥、小桥得分类标准。 1、基本概念 (1)高等级公路组成 一般由路基、路面、桥梁、隧道工程与交通工程设施等几大部分组成。 1)路基工程 路基就是用土或石料修筑而成得线形结构物。它承受着本身得岩土自重与路面重力,以及由路面传递而来得行车荷载,就是整个公路构造得重要组成部分。公路路基主要包括路基体、边坡、边沟及其它附属设施等几个部分。 2)路面工程 路面就是用各种筑路材料或混合料分层铺筑在公路路基上供汽车行驶得层状构造物。其作用就是保证汽车在道路上能全天候、稳定、高速、舒适、安全与经济地运行。 路面通常由路面体、路肩、路缘石及中央分隔带等组成。其中路面体在横向又可分为行车道、人行道及路缘带。路面体按结构层次自上而下可分为面层、基层、垫层或联结层等, 3)桥隧工程 桥隧工程就是高等级公路中得重要组成部分,它包括桥梁、涵洞、通道与隧道等。 4)交通工程设施 交通工程设施就是针对高等级公路行车速度快、通过能力大、交通事故少、服务水平高得特点而设置得,它包括安全设施、管理设施、服务设施、收费设施、供电设施等内容。 ① 安全设施。安全设施就是整个交通工程系统得最基本部分,主要有标志、标线、视线诱导标、护栏、隔离栅、防眩设施、照明设施等。 ② 管理设施。主要包括控制、监视、通讯、数据采集处理设施。 ③ 服务设施。主要指服务区、加油站、公共汽车停靠站等。 ④ 收费设施。主要指收费站等。 ⑤ 供电设施。就是为了使整个交通工程系统正常运行而设置得配套设施。⑥ 环保设施。主要就是指为减少公路交通环境污染而设计得声屏墙、减噪路面、绿化工程及公路景观等。 2、路基、路面应满足得基本要求o:p> (1)路基路面应根据公路功能、公路等级、交通量,结合沿线地形、地质及路用材料等自然条件进行设计,保证其具有足够得强度、稳定性与耐久性。同时路面面层应满足平整...

1、当您付费下载文档后,您只拥有了使用权限,并不意味着购买了版权,文档只能用于自身使用,不得用于其他商业用途(如 [转卖]进行直接盈利或[编辑后售卖]进行间接盈利)。
2、本站所有内容均由合作方或网友上传,本站不对文档的完整性、权威性及其观点立场正确性做任何保证或承诺!文档内容仅供研究参考,付费前请自行鉴别。
3、如文档内容存在违规,或者侵犯商业秘密、侵犯著作权等,请点击“违规举报”。

碎片内容

道路桥梁基本知识

确认删除?
VIP
微信客服
  • 扫码咨询
会员Q群
  • 会员专属群点击这里加入QQ群
客服邮箱
回到顶部