电脑桌面
添加小米粒文库到电脑桌面
安装后可以在桌面快捷访问

钢结构的构件连接方式

钢结构的构件连接方式_第1页
1/3
钢结构的构件连接方式_第2页
2/3
钢结构的构件连接方式_第3页
3/3
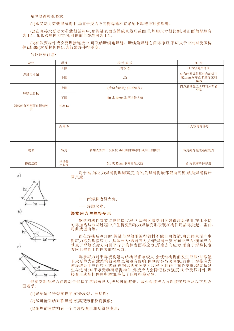
d e f钢结构得构件连接方式钢结构得连接方法大体来瞧,有以下几种:焊接 ——就是使用最普遍得方法,该方法对几何形体适应性强,构造简单,省材省工,易于自动化,工效高;但就是焊接属于热加工过程,对材质要求高,对于工人得技术水平要求也高,焊接程序严格,质量检验工作量大。铆接 ——该方法传力可靠,韧性与塑性好,质量易于检查,抗动力荷载好;但就是由于铆接时必须进行钢板得搭接,相对来讲费钢、费工。普通螺栓连接 ——这种方式装卸便利,设备简单,工人易于操作;但就是对于该方法,螺栓精度低时不宜受剪,螺栓精度高时加工与安装难度较大。高强螺栓连接 ——此法加工方便,对结构削弱少,可拆换,能承受动力荷载,耐疲劳,塑性、韧性好摩擦面处理,安装工艺略为复杂,造价略高射钉、自攻螺栓连接——较为灵活,安装方便,构件无须预先处理,适用于轻钢、薄板结构不能受较大集中力。焊接连接焊接就是钢结构较为常见得连接方式,也就是比较方便得连接方式,在众多得钢结构中,焊接就是最为常见得一种。根据焊接得形式,焊缝可以分为对接(平接)焊缝、角焊缝、与顶接焊缝三大类。对接焊缝对接焊缝按受力与焊缝方向分直缝——作用力方向与焊缝方向正交;斜缝——作用力方向与焊缝方向斜交两类。从直观来瞧,直缝受拉,斜缝受拉与剪得同时作用。对接焊缝在焊接上有以下处理形式:a)直边缝:适合板厚 t  10mm b)单边 V 形:适合板厚 t =10~20mm c)双边 V 形:适合板厚 t =10~20mm d)U 形:适合板厚 t > 20mm e)K 形:适合板厚 t > 20mm f)X 形:适合板厚 t > 20mm 对接焊缝得优点就是用料经济、传力均匀、无明显得应力集中 1[1],利于承受动力荷载;但也有缺点,需剖口,焊件长度要精确。 对接焊缝需要做以下构造处理:首先,在施焊过程中,起落弧处易有焊接缺陷,所以用引弧板;但采纳引弧板施工复杂,除承受动力荷载外,一般不用,计算时将焊缝长度两端各减去 5mm。其次,变厚度板对接,在板得一面或两面切成坡度不大于 1:4 得斜面,避开应力集中。另外,变宽度板对接,在板得一侧或两侧切成坡度不大于 1:4 得斜边,避开应力集中。对于对接焊缝得强度,有引弧板得对接焊缝在受压时与母材等强,但焊缝得抗拉强度与焊缝质量等级有关。对接焊缝得应力分布认为与焊件原来得应力分布基本相同。计算时 ,焊缝中最大应力(或折算应力)不能超过焊缝得强度设计值。对接焊缝得计算包括 :轴心受力得对接焊缝、斜向受力得对接焊缝、钢梁得对接焊缝、牛腿与翼缘得对接焊缝...

1、当您付费下载文档后,您只拥有了使用权限,并不意味着购买了版权,文档只能用于自身使用,不得用于其他商业用途(如 [转卖]进行直接盈利或[编辑后售卖]进行间接盈利)。
2、本站所有内容均由合作方或网友上传,本站不对文档的完整性、权威性及其观点立场正确性做任何保证或承诺!文档内容仅供研究参考,付费前请自行鉴别。
3、如文档内容存在违规,或者侵犯商业秘密、侵犯著作权等,请点击“违规举报”。

碎片内容

钢结构的构件连接方式

不二商店+ 关注
实名认证
内容提供者

我是你的不二选择

确认删除?
VIP
微信客服
  • 扫码咨询
会员Q群
  • 会员专属群点击这里加入QQ群
客服邮箱
回到顶部