电脑桌面
添加小米粒文库到电脑桌面
安装后可以在桌面快捷访问

集团公司钢结构工程施工技术资料表

集团公司钢结构工程施工技术资料表_第1页
1/22
集团公司钢结构工程施工技术资料表_第2页
2/22
集团公司钢结构工程施工技术资料表_第3页
3/22
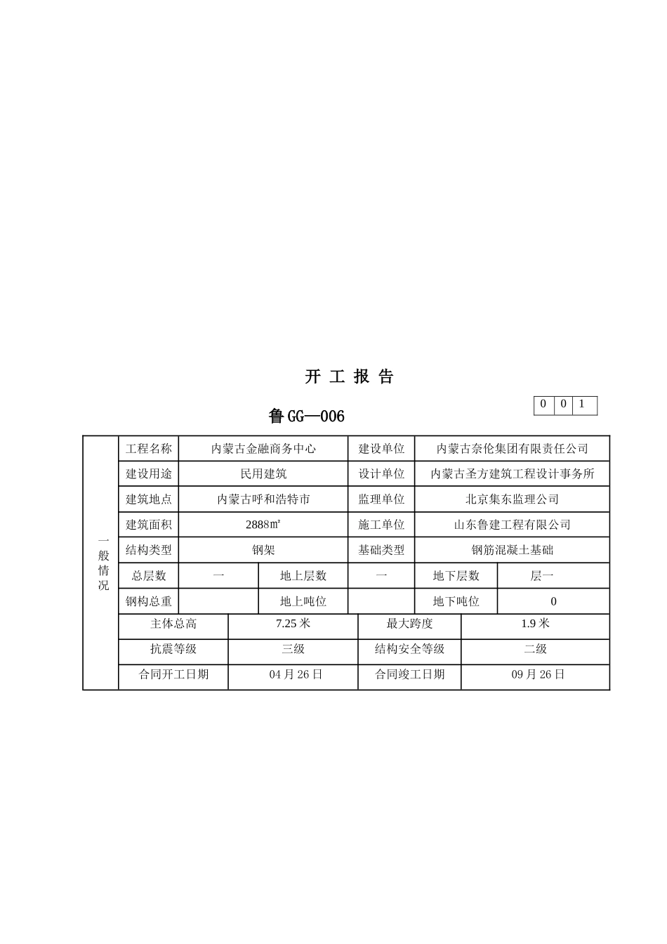
集团公司钢结构工程施工技术资料表开 工 报 告 鲁 GG—006一 般 情 况工程名称内蒙古金融商务中心建设单位内蒙古奈伦集团有限责任公司建设用途民用建筑设计单位内蒙古圣方建筑工程设计事务所 建筑地点内蒙古呼和浩特市监理单位北京集东监理公司建筑面积2888㎡施工单位山东鲁建工程有限公司结构类型钢架 基础类型钢筋混凝土基础总层数一地上层数一地下层数一层钢构总重地上吨位地下吨位0主体总高7.25 米最大跨度1.9 米抗震等级三级结构安全等级二级合同开工日期 04 月 26 日合同竣工日期 09 月 26 日001说明 本工程位于内蒙古呼和浩特市,为内蒙古金融商务中心 A、B、C、D 座屋顶装饰钢架及地下一层钢结构工程。装饰钢架底标高 98.25 米,顶标高 105.45 米,钢柱采纳格构式钢柱,钢柱主龙骨采纳冷弯方钢管,规格:300×300×12.5。钢柱间采纳同等规格冷弯方钢管和角钢连接,钢柱间横梁采纳[28b 热轧槽钢焊接连接。钢材为 Q235 级钢,焊接材料E43 系列。 本工程质量目标为合格。上述准备工作已就绪,定于 4 月 26 日 正式开工 ,希望监理(建设) 单位与 4 月 26日前进行审核,特此报告.施工单位 :山东鲁建工程有限公司 (公章 ) 项目经理: 4 月 26 日 审核意见:符合要求 ,同意开工 总监理工程师(建设单位项目负责人) : (公章) 年 月 日山东省建设工程质量监督总站监制钢结构工程施工技术资料序号项目名称份数备注施工管理资料1钢结构工程概况12施工现场质量管理检查记录13施工组织设计、技术(安全)交底记录 754开工报告 15标高抄测记录96钢结构主体垂直、平面弯曲、标高观测记录1材料控制资料7原材料见证取样记录68原材复试报告129合格证帖条210复印件帖条19施工记录11钢结构基础复验记录412隐蔽工程验收记录513焊接材料烘培记录514钢结构零件热加工施工记录515钢结构边缘加工施工记录516钢结构组装检查记录817钢结构焊缝外观检查记录518钢结构构件安装检查记录419高强度螺栓施工检查记录120钢结构工程施工力学试验报告汇总表121焊缝无损检测报告汇总表1钢结构工程施工技术资料序号项目名称份数备注22焊缝检测报告123涂装厚度检测记录5施工质量验收记录24钢结构分部工程质量验收报告125钢结构工程质量控制资料核查记录126钢结构工程安全及功能的检测和见证检测项目检查记录127一、二级焊缝外观质量抽检记录528柱脚抽检记录429主要构件变形记录530钢结构子分部工程观感质量检查记录131钢结构分项工程...

1、当您付费下载文档后,您只拥有了使用权限,并不意味着购买了版权,文档只能用于自身使用,不得用于其他商业用途(如 [转卖]进行直接盈利或[编辑后售卖]进行间接盈利)。
2、本站所有内容均由合作方或网友上传,本站不对文档的完整性、权威性及其观点立场正确性做任何保证或承诺!文档内容仅供研究参考,付费前请自行鉴别。
3、如文档内容存在违规,或者侵犯商业秘密、侵犯著作权等,请点击“违规举报”。

碎片内容

集团公司钢结构工程施工技术资料表

确认删除?
VIP
微信客服
  • 扫码咨询
会员Q群
  • 会员专属群点击这里加入QQ群
客服邮箱
回到顶部