电脑桌面
添加小米粒文库到电脑桌面
安装后可以在桌面快捷访问

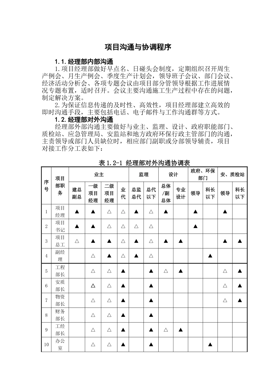
项目沟通与协调程序

项目沟通与协调程序_第1页
1/2
项目沟通与协调程序_第2页
2/2
项目沟通与协调程序1.1.经理部内部沟通1.项目经理部做好早点名、日碰头会制度,定期组织召开周生产例会、月生产例会、季度生产计划会,领导班子会议、部门会议、经济活动分析会、各项专题会议由项目部分管领导根据工作进展情况专题布置,适时召开。会议主要沟通施工生产过程中存在的问题,制定解决方案。2.为保证信息传递的及时性、高效性,项目经理部建立高效的即时沟通手段,主要包括电话、电子邮件与工作沟通群等方式。1.2.经理部对外沟通经理部外部沟通主要做好与业主、监理、设计、政府职能部门、质检站、应急管理局、安监站和地方政府环保行政主管部门的沟通,主责领导或部门人员缺位时,相应部门副职或分部领导辅责,项目对接工作分工表如下:表 1.2-1 经理部对外沟通协调表序号项目部职务业主监理设计政府、环保部门安、质检站建总副总一级项目经理二级项目经理业代总监总代总代以下总体/副总体专业设计领导科长以下领导科长以下1项目经理▲▲△△▲△▲ ▲ ▲ 2项目书记▲▲△△△△ ▲ 3项目总工△▲▲△▲△▲▲ ▲▲4副经理 △▲△▲△ ▲ 5工程部长 △△▲ ▲△▲ △▲6安质部长 △△▲ ▲ △▲7物资部长 △△▲ ▲ △▲8财务部长 △△▲ ▲ 9工经部长 △△▲ ▲△▲ 10办公室 △△▲ ▲ ▲ 12试验室 △△▲ ▲ △▲说明:▲-主责人 △-辅责人

1、当您付费下载文档后,您只拥有了使用权限,并不意味着购买了版权,文档只能用于自身使用,不得用于其他商业用途(如 [转卖]进行直接盈利或[编辑后售卖]进行间接盈利)。
2、本站所有内容均由合作方或网友上传,本站不对文档的完整性、权威性及其观点立场正确性做任何保证或承诺!文档内容仅供研究参考,付费前请自行鉴别。
3、如文档内容存在违规,或者侵犯商业秘密、侵犯著作权等,请点击“违规举报”。

碎片内容

项目沟通与协调程序

MY shop+ 关注
实名认证
内容提供者

欢迎挑选适合自己的材料。

确认删除?
VIP
微信客服
  • 扫码咨询
会员Q群
  • 会员专属群点击这里加入QQ群
客服邮箱
回到顶部