电脑桌面
添加小米粒文库到电脑桌面
安装后可以在桌面快捷访问

2025电网工程建设预算编制与计算规定

2025电网工程建设预算编制与计算规定_第1页
1/6
2025电网工程建设预算编制与计算规定_第2页
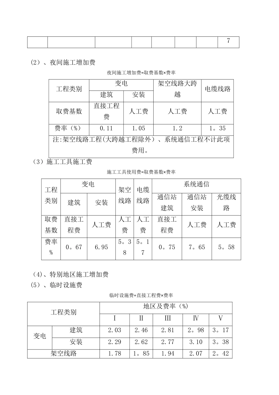
2/6
2025电网工程建设预算编制与计算规定_第3页
3/6
一、建筑预算费用的构成一、直接费1、直接工程费:(1)、人工费(2)、材料费(3)、施工机械使用费2、措施费(1)、冬雨季施工增加费(2)、夜间施工增加费(3)、施工工具用具使用费(4)、特别地区施工增加费(5)、临时设施费(6)、施工机构迁移费(7)、安全文明施工费二、间接费1、规费:(1)、社会保险费(2)、住房公积金(3)、危险作业意外损害保险2、企业管理费3、施工企业配合调试费三、利润四、编制基准期价差五、税金六、其他费用1、土地征用费2、施工场地租用费3、迁移补偿费4、余物清理费5、输电线路走廊施工赔偿费6、通信设施防输电线路干扰措施费二、建筑安装工程费计算规定一、建筑安装工程费建筑安装工程费=直接费+间接费+利润+编制基准期价差+税金1、直接费 直接费=直接工程费+措施费(其中直接工程费=人工费+材料费+施工机械使用费)2、措施费措施费的内容包括:冬雨季施工增加费、夜间施工增加费、施工工具用具施工费、特别地区施工增加费、临时设施费、施工机构转移费、安全文明施工费。(1)、冬雨季施工增加费冬雨季施工增加费=取费基数×费率工程类别取费基数地区及费率(%)ⅠⅡⅢⅣⅤ变电建筑直接工程费0。721。011.532。19 2。73安装人工费6。058。5713.1117。1718.82架空线路人工费3。935.568.5111。1213.72电缆线路人工费3。034.296。568.599.45系统通信通信站建筑直接工程费1.131.612.433.484.34通信站安装人工费7。7110.9216.71 21.8923。97光缆线路人工费6.459.1213.94 18.21 20。37(2)、夜间施工增加费夜间施工增加费=取费基数×费率工程类别变电架空线路大跨越电缆线路建筑安装取费基数直接工程费人工费人工费人工费费率(%)0.111.051.21。35注:架空线路工程(大跨越工程除外)、系统通信工程不计此项费用。(3)施工工具施工费施工工具使用费=取费基数×费率工程类别变电架空线路电缆线路系统通信建筑安装通信站建筑通信站安装光缆线路取费基数直接工程费人工费人工费人工费直接工程费人工费人工费费率%0。676.955。385。170。757。655。58(4)、特别地区施工增加费(5)、临时设施费临时设施费=直接工程费×费率工程类别地区及费率(%)ⅠⅡⅢⅣⅤ变电建筑2.032.462.812。983。17安装2.292.622.773.103。38架空线路1.781。851.942.072。42电缆线路6。086.707。538。178.91系统通信通信站建筑2。132。572。943.133。32通信站安装1.331。531。671.852.06光缆线路1.982。362.652.923。26(6)、施工机构迁移费施工机构...

1、当您付费下载文档后,您只拥有了使用权限,并不意味着购买了版权,文档只能用于自身使用,不得用于其他商业用途(如 [转卖]进行直接盈利或[编辑后售卖]进行间接盈利)。
2、本站所有内容均由合作方或网友上传,本站不对文档的完整性、权威性及其观点立场正确性做任何保证或承诺!文档内容仅供研究参考,付费前请自行鉴别。
3、如文档内容存在违规,或者侵犯商业秘密、侵犯著作权等,请点击“违规举报”。

碎片内容

2025电网工程建设预算编制与计算规定

确认删除?
VIP
微信客服
  • 扫码咨询
会员Q群
  • 会员专属群点击这里加入QQ群
客服邮箱
回到顶部