电脑桌面
添加小米粒文库到电脑桌面
安装后可以在桌面快捷访问

7.劳动力、机械设备和材料投入计划分

7.劳动力、机械设备和材料投入计划分_第1页
1/6
7.劳动力、机械设备和材料投入计划分_第2页
2/6
7.劳动力、机械设备和材料投入计划分_第3页
3/6
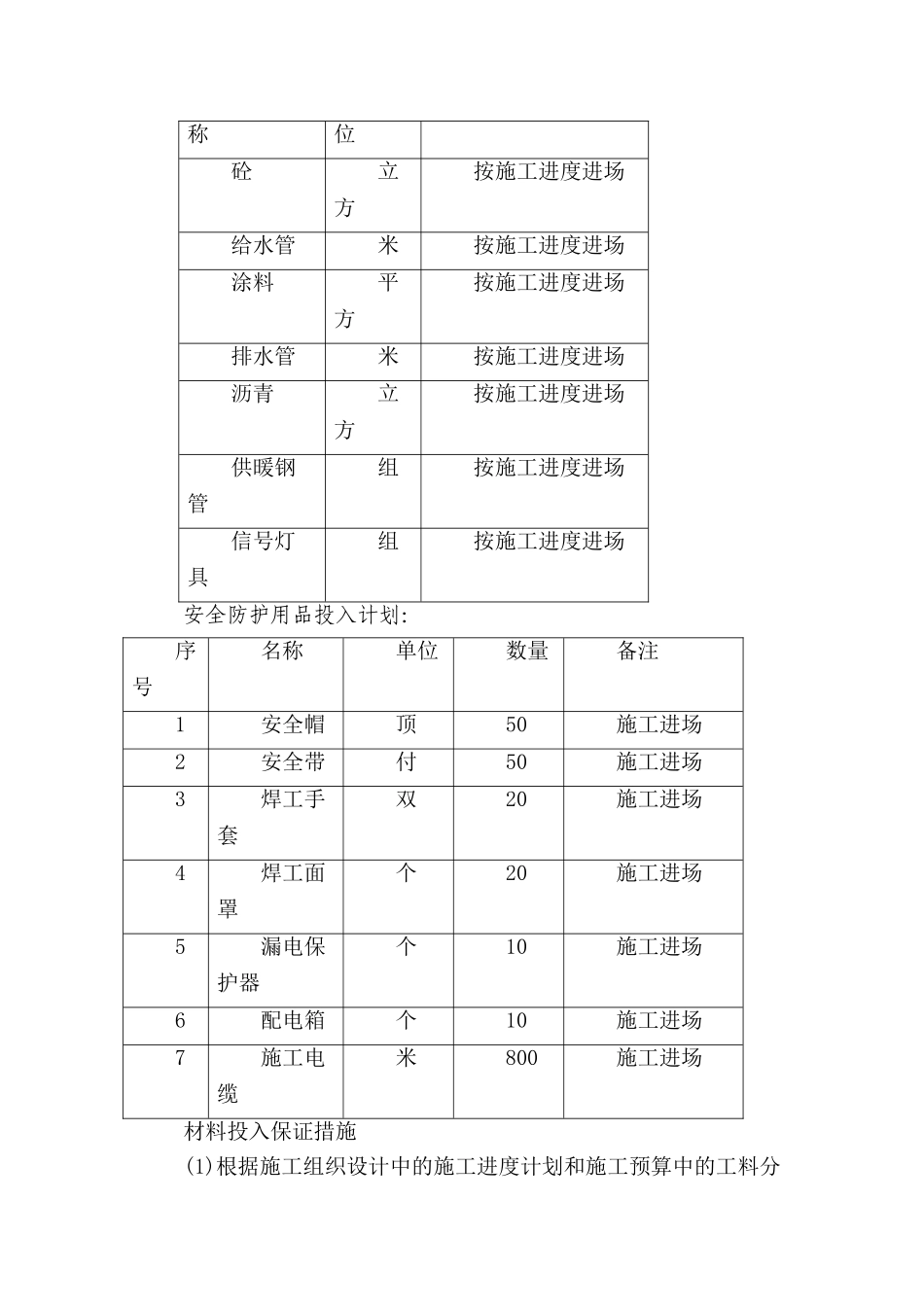
(7)劳动力、机械设备和材料投入计划劳动力安排计划:施工阶段投入的劳动力工种分类普工管道工砼工铺装工安装工司机清理阶段202015201510地下阶段202020102010地上阶段201020202010机械设备安排计划 工程质量的好坏、进度的保证很大程度上与施工机械的先进性有关。对于本工程的施工,我公司将针对实际情况和各工种、工序的需要,合理地配备先进的机械设备及选择专业水平较高的技术操作人员,最大限度地体现技术的先进性和机械设备的适用性,充分满足施工工艺的需要,从而来保证工程的质量。 我公司在本装饰工程的施工中,配备机械设备时,将遵循以下原则:贯彻机械化、半机械化和改良机具结合的方针,重点配备大、中型机械和手持动力机具。充分发挥现场所有机械设备的能力,根据具体变化的需求,合理调整装备结构。优先配备本工程施工中所必须的、保证质量与进度的、代替劳动强度大的、作业条件差的和配套的机械设备。按本工程体系、专业施工和工程实物量等多层次结构进行配备,并注意不同的要求,配备不同类型、不同标准的机械设备,以保证质量主原则,努力降低施工成本。 另外,在配备机械设备时,我公司还综合考虑了以下因 素:技术先进性。机械设备技术性能优越、生产率高。使用可靠性。机械设备在使用过程中能稳定保持其应有的技术性能,安全可靠的运行。便于维修性。机械设备要便于检查、维护和修理。运行安全性。机械设备在使用过程中具有对施工安全的保障性能。经济实惠性。机械设备在满足技术要求和生产要求的基础上,达到最低费用。适应症。机械设备能适应不同工作条件,并具有一定多用的性能。其它方面:成套性、节能性、环保性、灵活性等。机械或设备名称数量国别产地制造年份电钻15国产2025冲击钻15国产2025切割机10山东2025万能表5扬州2025振动棒10扬州2025摊平机3扬州2025挖机3中国2025材料投入计划主要材料投入计划一览表材料名单进场时间称位砼立方按施工进度进场给水管米按施工进度进场涂料平方按施工进度进场排水管米按施工进度进场沥青立方按施工进度进场供暖钢管组按施工进度进场信号灯具组按施工进度进场安全防护用品投入计划:序号名称单位数量备注1安全帽顶50施工进场2安全带付50施工进场3焊工手套双20施工进场4焊工面罩个20施工进场5漏电保护器个10施工进场6配电箱个10施工进场7施工电缆米800施工进场材料投入保证措施(1)根据施工组织设计中的施工进度计划和施工预算中的工料分析,编制工程所需的材料用量计划,作好备...

1、当您付费下载文档后,您只拥有了使用权限,并不意味着购买了版权,文档只能用于自身使用,不得用于其他商业用途(如 [转卖]进行直接盈利或[编辑后售卖]进行间接盈利)。
2、本站所有内容均由合作方或网友上传,本站不对文档的完整性、权威性及其观点立场正确性做任何保证或承诺!文档内容仅供研究参考,付费前请自行鉴别。
3、如文档内容存在违规,或者侵犯商业秘密、侵犯著作权等,请点击“违规举报”。

碎片内容

7.劳动力、机械设备和材料投入计划分

您可能关注的文档

元素商铺+ 关注
实名认证
内容提供者

欢迎挑选合适的文档

确认删除?
VIP
微信客服
  • 扫码咨询
会员Q群
  • 会员专属群点击这里加入QQ群
客服邮箱
回到顶部