电脑桌面
添加小米粒文库到电脑桌面
安装后可以在桌面快捷访问

74LS00门电路及其运用

74LS00门电路及其运用_第1页
1/16
74LS00门电路及其运用_第2页
2/16
74LS00门电路及其运用_第3页
3/16
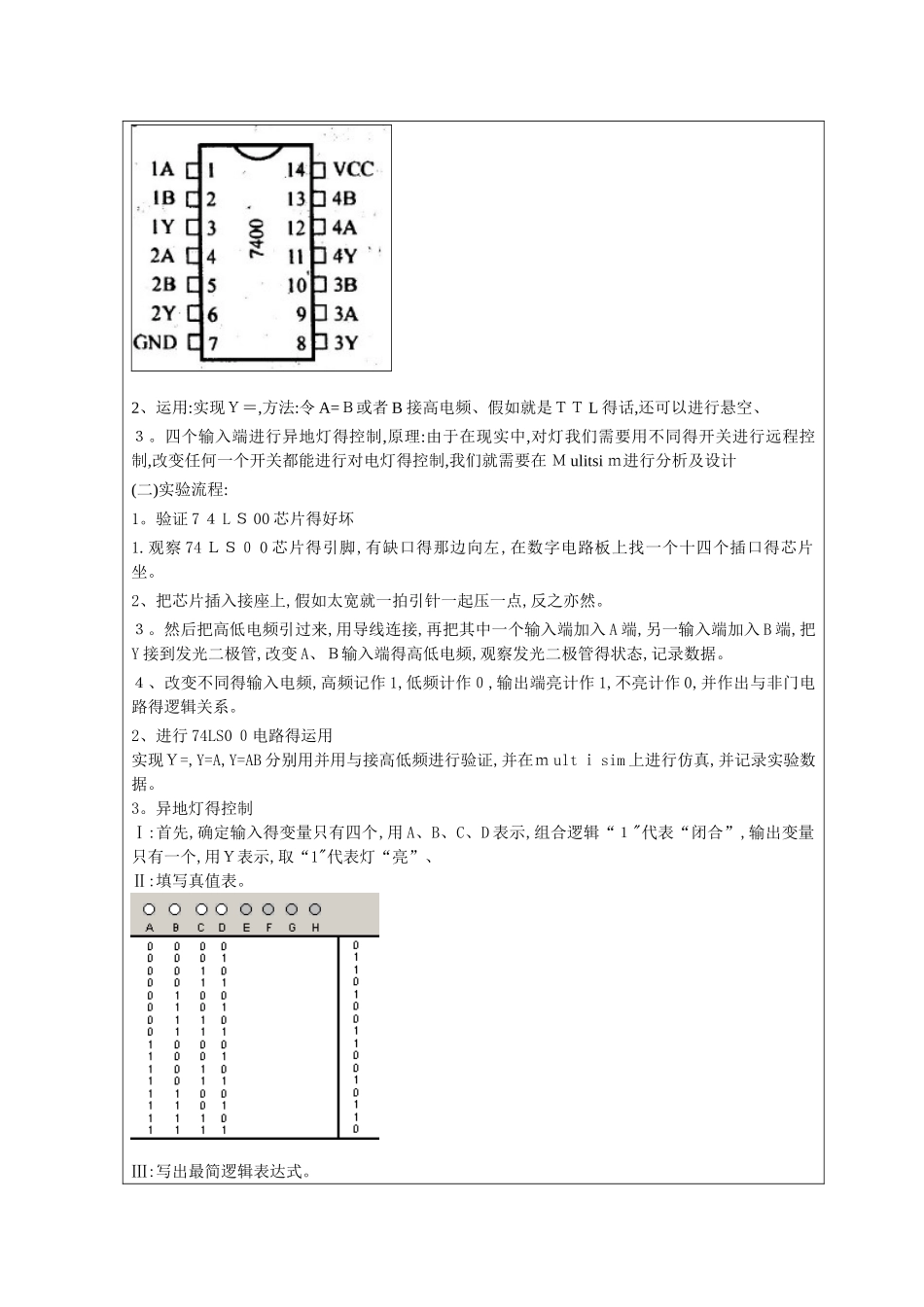
本科学生综合性实验报告学号 姓名 学院_ _ ___ 专业、班级_ _ _ ___ _ __ 实验课程名称 老师及职称 开课学期 2025 至 201 2 学年 下 学期 填报时间 2012 年 4 月 5 日云南师范大学教务处编印一.实验设计方案实验序号2实验名称7 4 S L00 门电路及其应用实验时间3月 2 2日实验室同析 3 幢 2 1 71。实验目得(1)门电路功能得验证,熟悉数字电路实验仪器得使用方法,学会集成芯片得连接与使用。(2)门电路好坏得推断,实现功能转化熟悉 74 LS 00 门电路得逻辑功能与实验原理图。(3)学会多余脚得处理方法。(4)学会异地灯得控制。2. 实验原理、实验流程或装置示意图(一)实验原理:1、门电路好坏得推断,功能:四二输入与非门逻辑表达式:This dev i ce con t ai ns four i n depende n t 2—input N A ND g a te s. Logic func ti o n: 元器件与逻辑关系:2、运用:实现Y=,方法:令 A=B或者 B 接高电频、假如就是TT L 得话,还可以进行悬空、3。四个输入端进行异地灯得控制,原理:由于在现实中,对灯我们需要用不同得开关进行远程控制,改变任何一个开关都能进行对电灯得控制,我们就需要在 M ulitsi m进行分析及设计(二)实验流程:1。验证 7 4 L S 00 芯片得好坏1.观察 74 LS0 0 芯片得引脚,有缺口得那边向左,在数字电路板上找一个十四个插口得芯片坐。2、把芯片插入接座上,假如太宽就一拍引针一起压一点,反之亦然。3。然后把高低电频引过来,用导线连接,再把其中一个输入端加入 A 端,另一输入端加入 B 端,把Y 接到发光二极管,改变 A、B输入端得高低电频,观察发光二极管得状态,记录数据。4、改变不同得输入电频,高频记作 1,低频计作0,输出端亮计作 1,不亮计作 0,并作出与非门电路得逻辑关系。2、进行 74LS0 0电路得运用实现Y=,Y=A,Y=AB 分别用并用与接高低频进行验证,并在m ult i sim 上进行仿真,并记录实验数据。3。异地灯得控制Ⅰ:首先,确定输入得变量只有四个,用 A、B、C、D 表示,组合逻辑“1"代表“闭合”,输出变量只有一个,用Y表示,取“1"代表灯“亮”、Ⅱ:填写真值表。Ⅲ:写出最简逻辑表达式。Ⅳ:实现,方案设计、3.实验设备及材料SAC-SD网络智能数字电路实验装置、mu l tisi m仿真系统二.实验报告1、实验现象与结果验证阶段:当两个端同时输入高频得时候,二极管不亮,其她情况亮,说明这一...

1、当您付费下载文档后,您只拥有了使用权限,并不意味着购买了版权,文档只能用于自身使用,不得用于其他商业用途(如 [转卖]进行直接盈利或[编辑后售卖]进行间接盈利)。
2、本站所有内容均由合作方或网友上传,本站不对文档的完整性、权威性及其观点立场正确性做任何保证或承诺!文档内容仅供研究参考,付费前请自行鉴别。
3、如文档内容存在违规,或者侵犯商业秘密、侵犯著作权等,请点击“违规举报”。

碎片内容

74LS00门电路及其运用

您可能关注的文档

一二三四传媒+ 关注
实名认证
内容提供者

大量资料供您选择,没有合适的可以联系小二。

确认删除?
VIP
微信客服
  • 扫码咨询
会员Q群
  • 会员专属群点击这里加入QQ群
客服邮箱
回到顶部